LEMON Manuals: Even more car manuals for everyone
Home >> Subaru >> 2020 >> Legacy Base >> Repair and Diagnosis (Single Page) >> Engine Performance >> System >> Engine Control System (Diagnostics) (2.5L) (4 Of 4) >> Diagnostic Procedure with Diagnostic Trouble Code (DTC) >> DTC P2109: Throttle/Pedal Position Sensor "A" Minimum Stop Performance >> Component Description

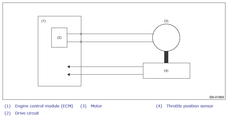
Component Description

G13627170Courtesy of SUBARU OF AMERICA, INC.