LEMON Manuals: Even more car manuals for everyone
Home >> Subaru >> 2020 >> Forester Base >> Repair and Diagnosis >> Engine Performance >> System >> Engine Control System (Diagnostics) (3 Of 4) >> Diagnostic Procedure with Diagnostic Trouble Code (DTC) >> DTC P081A: Starter Disable Circuit Low >> Notes

DTC P081A: Starter Disable Circuit Low: Notes

1. - 

DTC detecting condition: 

Immediately at fault recognition

Trouble symptom:  Failure of engine to start

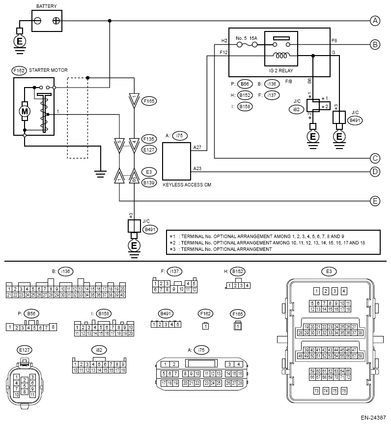
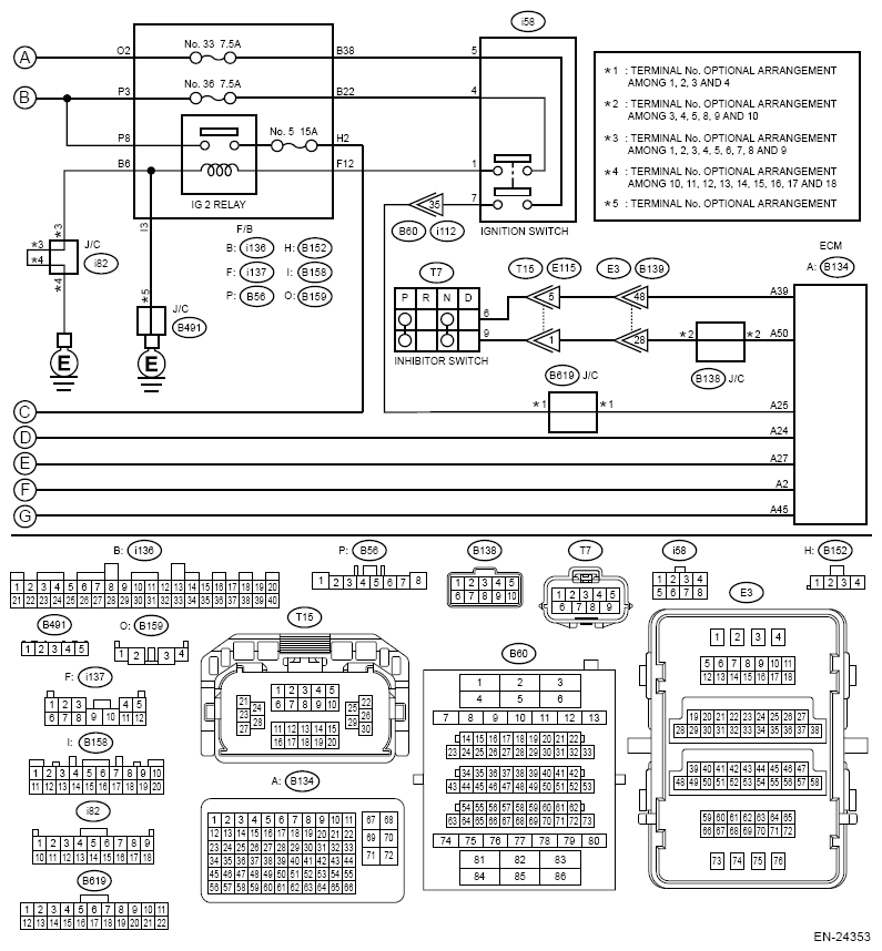
Wiring diagram: 

Engine Electrical System Ref. to WIRING SYSTEM>ENGINE ELECTRICAL SYSTEM .

G13589277Courtesy of SUBARU OF AMERICA, INC.
G13589278Courtesy of SUBARU OF AMERICA, INC.
CAUTION: Use the check board when measuring the ECM terminal voltage and resistance. Ref. to ENGINE (DIAGNOSTICS (H4DO)>GENERAL DESCRIPTION>PREPARATION TOOL>HOW TO USE CHECK BOARD .
NOTE: After the faulty parts are repaired or replaced, perform the final check in Basic Diagnostic Procedure. Ref. to ENGINE (DIAGNOSTICS (H4DO)>BASIC DIAGNOSTIC PROCEDURE>PROCEDURE .
  1. CHECK HARNESS BETWEEN ECM AND M/B (STARTER CUT RELAY) (SHORT TO GROUND). 
    1. Turn the ignition switch to OFF.
    2. Disconnect the connector from ECM.
    3. Remove the starter cut relay.
    4. Measure the resistance between the ECM connector and engine ground.

      Connector & terminal 

      (B134) No. 24 - Engine ground:

    Is the resistance 1 MΩ or more?

    Yes:  Go to  2.

    No:  Repair the short circuit to ground in harness between ECM connector and M/B (starter cut relay).

  2. CHECK HARNESS BETWEEN ECM AND M/B (STARTER CUT RELAY) (OPEN). 

    Measure the resistance of harness between ECM connector and M/B (starter cut relay) terminal.

    Connector & terminal 

    (B134) No. 24 - No. 4:

    Is the resistance less than 1Ω?

    Yes:  Go to  3.

    No:  Repair the open circuit of harness between ECM connector and M/B (starter cut relay) connector.

  3. CHECK STARTER CUT RELAY. 

    Check the starter cut relay. Ref. to STARTING/CHARGING SYSTEMS (H4DO)>STARTER RELAY>INSPECTION .

    Is the check result OK?

    Yes:  Repair the poor contact of ECM connector.

    No:  Replace the starter cut relay. Ref. to STARTING/CHARGING SYSTEMS (H4DO)>STARTER RELAY>LOCATION .