LEMON Manuals: Even more car manuals for everyone
Home >> Subaru >> 2020 >> Forester Base >> Repair and Diagnosis >> Accessories & Equipment >> Communication Devices >> Body Control System (Diagnostics) >> Diagnostic Procedure with Diagnostic Trouble Code (DTC) >> DTC U0230: Lost Communication With Power Rear Gate Control Module

DTC U0230: Lost Communication With Power Rear Gate Control Module

DTC detecting condition: 

No data is received from the power rear gate Control Module.

Trouble symptom: 

The power rear gate does not operate normally.

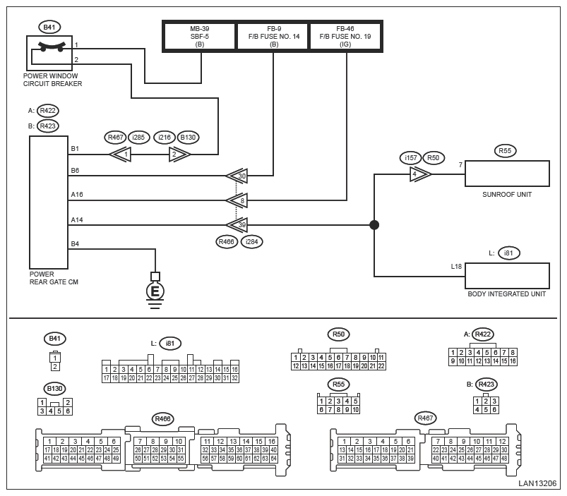
Wiring diagram: 

Power rear gate system Ref. to WIRING SYSTEM>POWER REAR GATE SYSTEM>WIRING DIAGRAM .

G13595869Courtesy of SUBARU OF AMERICA, INC.
CAUTION: Before performing diagnosis, refer to "CAUTION" in "General Description". Ref. to BODY CONTROL (DIAGNOSTICS)>GENERAL DESCRIPTION>CAUTION .
  1. CHECK DTC. 

    Read the DTC of [Body Control] using the Subaru Select Monitor. Ref. to BODY CONTROL (DIAGNOSTICS)>DIAGNOSTIC TROUBLE CODE (DTC) .

    Is DTC U0230 displayed? (Current malfunction)

    Yes:  Go to  2.

    No:  Even if DTC is displayed, the circuit has returned to a normal condition at this time. Reproduce the failure, and then perform the diagnosis again.

    NOTE: In this case, temporary poor contact of connector, temporary open or short circuit of harness may be the cause.
  2. CHECK BODY INTEGRATED UNIT CUSTOMIZATION. 

    Using Subaru Select Monitor, make sure the [Customize] setting values of [Body Control] correspond to the vehicle.

    Is the setting value of [Power rear gate setting] equal to [Exist]?

    Yes:  Go to  3.

    No:  Change the setting value to [ON].

  3. CHECK DTC. 
    1. Turn the ignition switch to OFF.
    2. Disconnect the power rear gate Control Module connector and body integrated unit connector.
    3. Connect the disconnected connectors.
    4. Read the DTC of the LAN system using the Subaru Select Monitor. Ref. to LAN SYSTEM (DIAGNOSTICS)>DIAGNOSTIC TROUBLE CODE (DTC) .

    Is DTC U0230 displayed? (Current malfunction)

    Yes:  Go to  4.

    No:  Even if DTC is displayed, the circuit has returned to a normal condition at this time. Reproduce the failure, and then perform the diagnosis again.

    NOTE: In this case, temporary poor contact of connector, temporary open or short circuit of harness may be the cause.
  4. CHECK HARNESS (OPEN CIRCUIT). 
    1. Turn the ignition switch to OFF.
    2. Disconnect the power rear gate Control Module connector and body integrated unit connector.
    3. Using the tester, measure the resistance between terminals.

      Connector & terminal 

      (R422) No. 14 - (i81) No. 18:

      (R423) No. 4 - Chassis ground:

    Is the resistance less than 10 Ω?

    Yes:  Go to  5.

    No:  Repair the open circuit of harness.

  5. CHECK HARNESS (GROUND SHORT CIRCUIT). 
    1. Disconnect the sunroof unit connector.
    2. Using the tester, measure the resistance between terminals.

      Connector & terminal 

      (R422) No. 14 - Chassis ground:

    Is the resistance 10 kΩ or more?

    Yes:  Go to  6.

    No:  Repair the shorted portion of harness.

  6. CHECK HARNESS (SHORT CIRCUIT TO POWER SUPPLY). 
    1. Turn the ignition switch to ON.
    2. Using the tester, measure the voltage between terminals.

      Connector & terminal 

      (R422) No. 14 (+) - Chassis ground (-):

    Is the voltage less than 1 V?

    Yes:  Go to  7.

    No:  Repair the shorted portion of harness.

  7. CHECK HARNESS. 
    1. Turn the ignition switch to ON.
    2. Using the tester, measure the voltage between terminals.

      Connector & terminal 

      (R422) No. 16 (+) - Chassis ground (-):

      (R423) No. 1 (+) - Chassis ground (-):

      (R423) No. 6 (+) - Chassis ground (-):

    Is the voltage 9 V or more?

    Yes:  Go to  8.

    No:  Repair the open circuit of harness.

  8. CHECK CONTROL MODULE. 
    1. Turn the ignition switch to OFF.
    2. Replace the power rear gate Control Module with a properly functioning part. Ref. to POWER REAR GATE SYSTEM>POWER REAR GATE CONTROL MODULE .
    3. Read the DTC of [Body Control] using the Subaru Select Monitor. Ref. to BODY CONTROL (DIAGNOSTICS)>DIAGNOSTIC TROUBLE CODE (DTC) .

    Is DTC U0230 displayed? (Current malfunction)

    Yes:  Replace the body integrated unit. Ref. to SECURITY AND LOCKS>BODY INTEGRATED UNIT .

    No:  Go to  9.

  9. CHECK SUNROOF UNIT. 
    1. Connect the sunroof unit connector.
    2. Read the DTC of [Body Control] using the Subaru Select Monitor. Ref. to BODY CONTROL (DIAGNOSTICS)>DIAGNOSTIC TROUBLE CODE (DTC) .

    Is DTC U0230 displayed? (Current malfunction)

    Yes:  Replace the sunroof unit. Ref. to SUNROOF/T-TOP/CONVERTIBLE TOP (SUNROOF)>SUNROOF MOTOR .

    No:  Malfunction occurred in the power rear gate Control Module.