LEMON Manuals: Even more car manuals for everyone
Home >> Subaru >> 2020 >> Forester Base >> Repair and Diagnosis (Single Page) >> Engine Performance >> System >> Engine Control System (Diagnostics) (4 Of 4) >> Diagnostic Procedure with Diagnostic Trouble Code (DTC) >> DTC P24BB: EVAP System Leak Detection Pump Pressure Sensor Circuit High >> Notes

DTC P24BB: EVAP System Leak Detection Pump Pressure Sensor Circuit High: Notes

1. - 

DTC detecting condition: 

Immediately at fault recognition

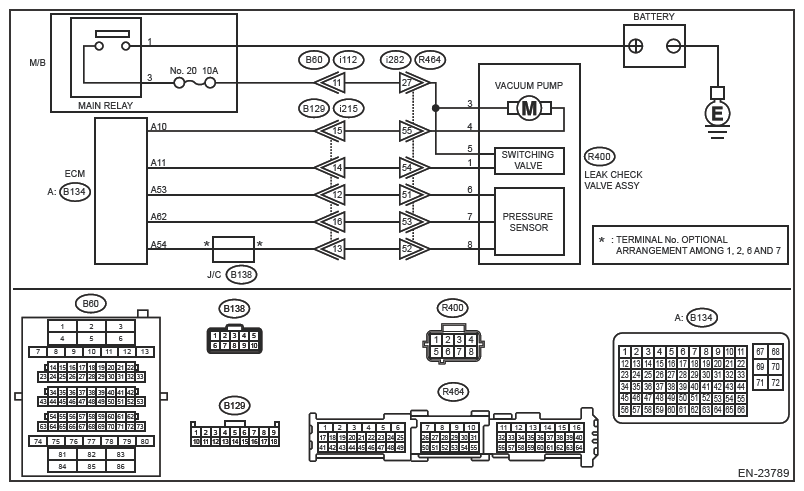
Wiring diagram: 

Engine Electrical System Ref. to WIRING SYSTEM>ENGINE ELECTRICAL SYSTEM .

G13589493Courtesy of SUBARU OF AMERICA, INC.
CAUTION: Use the check board when measuring the ECM terminal voltage and resistance. Ref. to ENGINE (DIAGNOSTICS) (H4DO)>GENERAL DESCRIPTION>PREPARATION TOOL>HOW TO USE CHECK BOARD .
NOTE: After the faulty parts are repaired or replaced, perform the final check in Basic Diagnostic Procedure. Ref. to ENGINE (DIAGNOSTICS) (H4DO)>BASIC DIAGNOSTIC PROCEDURE>PROCEDURE .
G13589494Courtesy of SUBARU OF AMERICA, INC.
  1. CHECK DATA MONITOR. 
    1. Turn the ignition switch to ON.
    2. Using the Subaru Select Monitor, read the value in [Barometric Pressure].
      NOTE: For detailed operation procedures, refer to "Common (Diagnostics)". Ref. to COMMON (DIAG)>DATA MONITOR .

    Is the value of [Barometric Pressure] 125 kPa (938 mmHg, 36.9 in Hg) or more?

    Yes:  Go to  2.

    No:  Even if DTC is detected, the circuit has returned to a normal condition at this time. Reproduce the failure, and then perform the diagnosis again.

    NOTE: In this case, temporary poor contact of connector, temporary open or short circuit of harness may be the cause.
  2. CHECK HARNESS BETWEEN ECM AND LEAK CHECK VALVE ASSEMBLY CONNECTOR (OPEN). 
    1. Turn the ignition switch to OFF.
    2. Disconnect the connector from ECM.
    3. Disconnect the connector from the leak check valve assembly.
    4. Measure the resistance of harness between ECM connector and the leak check valve assembly connector.

      Connector & terminal 

      (B134) No. 54 - (R400) No. 8:

      (B134) No. 62 - (R400) No. 7:

    Is the resistance less than 1 Ω?

    Yes:  Go to  3.

    No:  Repair the following item.

    • Open circuit in harness between ECM connector and the leak check valve assembly connector
    • Poor contact of coupling connector
    • Poor contact of J/C
  3. CHECK FOR POOR CONTACT. 

    Check for poor contact of ECM and the leak check valve assembly connector. Is there poor contact in ECM and the leak check valve assembly connector?

    Yes:  Repair the poor contact of ECM and the leak check valve assembly connector.

    No:  Go to  4.

  4. CHECK LEAK CHECK VALVE ASSEMBLY. 

    Check the pressure sensor of the leak check valve assembly. Ref. to EMISSION CONTROL (AUX. EMISSION CONTROL DEVICES (H4DO)>LEAK CHECK VALVE ASSEMBLY>INSPECTION>CHECK PRESSURE SENSOR .

    Is the check result OK?

    Yes:  Repair the short circuit to power in harness between ECM connector and leak check valve assembly connector.

    No:  Replace the leak check valve assembly. Ref. to EMISSION CONTROL (AUX. EMISSION CONTROL DEVICES (H4DO)>LEAK CHECK VALVE ASSEMBLY .