LEMON Manuals: Even more car manuals for everyone
Home >> Subaru >> 2020 >> Ascent Base >> Repair and Diagnosis (Single Page) >> Engine Performance >> System >> Engine Control System (Diagnostics) - Introduction >> General Description >> System Block Diagram

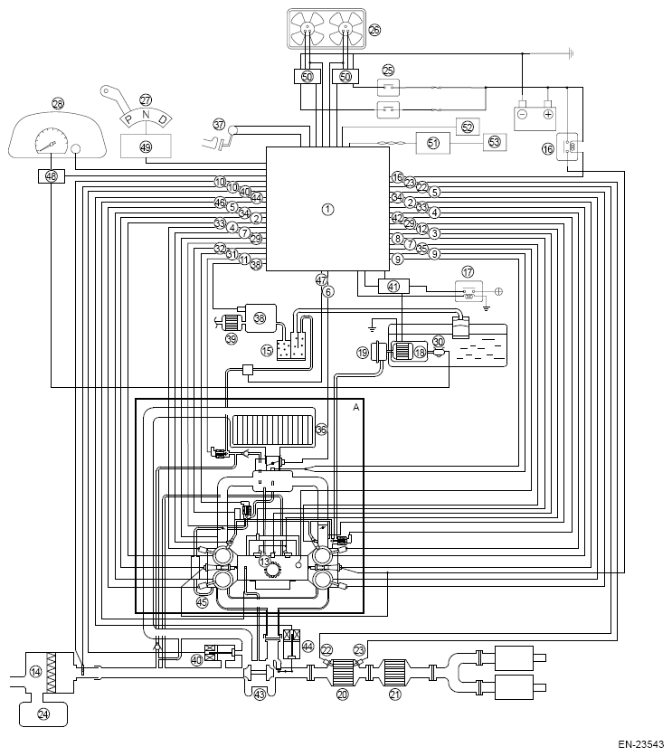
System Block Diagram

G13202292Courtesy of SUBARU OF AMERICA, INC.
G13202293Courtesy of SUBARU OF AMERICA, INC.
G13202294Courtesy of SUBARU OF AMERICA, INC.