LEMON Manuals: Even more car manuals for everyone
Home >> Subaru >> 2019 >> WRX STI >> Repair and Diagnosis >> Engine Performance >> System >> Engine Control System (Diagnostics - Introduction) (STI) >> Diagnostics for Engine Starting Failure >> Starter Motor Circuit >> Model Without Push Button Start

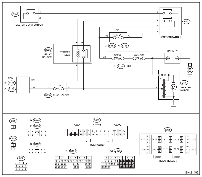
Model Without Push Button Start

CAUTION: After servicing or replacing faulty parts, perform Clear Memory Mode Refer to ENGINE (DIAGNOSTICS) (STI)>CLEAR MEMORY MODE>OPERATION ., and inspection mode Refer to ENGINE (DIAGNOSTICS) (STI)>INSPECTION MODE>PROCEDURE .

Wiring diagram: 

Engine Electrical System Refer to WIRING SYSTEM>ENGINE ELECTRICAL SYSTEM>WIRING DIAGRAM .

G11574200Courtesy of SUBARU OF AMERICA, INC.
  1. CHECK BATTERY. 

    Check the battery. Refer to STARTING/CHARGING SYSTEMS (STI)>BATTERY>INSPECTION .

    Is the check result OK?

    Yes:  Go to  2.

    No:  Charge or replace the battery. Refer to STARTING/CHARGING SYSTEMS (STI)>BATTERY .

  2. CHECK OPERATION OF STARTER MOTOR. 

    Check the starter motor operation.

    Does the starter motor operate?

    Yes:  Go to  3.

    No:  Go to  4.

  3. CHECK DTC. 

    Read the engine DTC using the Subaru Select Monitor or general scan tool. Refer to ENGINE (DIAGNOSTICS) (STI)>READ DIAGNOSTIC TROUBLE CODE (DTC) .

    Are any DTCs displayed? (Current malfunction)

    Yes:  Check the appropriate DTC using the "List of Diagnostic Trouble Code (DTC)". Refer to ENGINE (DIAGNOSTICS) (STI)>LIST OF DIAGNOSTIC TROUBLE CODE 

    No:  Check ignition control system. Refer to ENGINE (DIAGNOSTICS) (STI)>DIAGNOSTICS FOR ENGINE STARTING FAILURE>IGNITION CONTROL SYSTEM .

  4. CHECK INPUT SIGNAL FOR STARTER MOTOR. 
    1. Turn the ignition switch to OFF.
    2. Disconnect the connector from starter motor.
    3. Depress the clutch pedal.
    4. Turn the ignition switch to START.
    5. Measure the voltage between the starter motor connector and the engine ground.

      Connector & terminal 

      (B14) No. 1 (+) - Engine ground (-):

    Is the voltage 10 V or more?

    Yes:  Check the starter motor. Refer to STARTING/CHARGING SYSTEMS (STI)>STARTER .

    No:  Go to  5.

  5. CHECK INPUT SIGNAL FOR STARTER MOTOR. 
    1. Depress the clutch pedal.
    2. Turn the ignition switch to START.
    3. Measure the voltage between starter relay connector and chassis ground.

      Connector & terminal 

      (B225) No. 1 (+) - Chassis ground (-):

    Is the voltage 10 V or more?

    Yes:  Repair the open circuit of the harness between starter relay connector and starter motor.

    No:  Go to  6.

  6. CHECK HARNESS BETWEEN BATTERY AND IGNITION SWITCH CONNECTOR. 
    1. Turn the ignition switch to OFF.
    2. Disconnect the connector from ignition switch.
    3. Measure the voltage between ignition switch connector and chassis ground.

      Connector & terminal 

      (B72) No. 4 (+) - Chassis ground (-):

      (B72) No. 5 (+) - Chassis ground (-):

    Is the voltage 10 V or more?

    Yes:  Go to  7.

    No:  Repair the power supply circuit.

  7. CHECK IGNITION SWITCH. 

    Measure the resistance between ignition switch terminals after turning the ignition switch to START position.

    Terminals 

    No. 3 - No. 4:

    No. 5 - No. 7:

    Is the resistance less than 1 Ω?

    Yes:  Go to  8.

    No:  Replace the ignition switch. Refer to SECURITY AND LOCKS>IGNITION KEY LOCK>REPLACEMENT .

  8. CHECK INPUT VOLTAGE OF CLUTCH START SWITCH. 
    1. Turn the ignition switch to OFF.
    2. Disconnect the connector from clutch start switch.
    3. Connect the connector to ignition switch.
    4. Turn the ignition switch to START.
    5. Measure the voltage between the clutch start switch connector and chassis ground.

      Connector & terminal 

      (B106) No. 1 (+) - Chassis ground (-):

    Is the voltage 10 V or more?

    Yes:  Go to  9.

    No:  Check the following item and repair if necessary.

    • Blown out of fuse (F/B No. 21)
    • Open or short circuit to ground in harness between ignition switch connector and clutch start switch connector
  9. CHECK HARNESS BETWEEN STARTER RELAY CONNECTOR AND CLUTCH START SWITCH CONNECTOR. 
    1. Turn the ignition switch to OFF.
    2. Remove the starter relay.
    3. Measure the resistance of harness between starter relay connector and clutch start switch connector.

      Connector & terminal 

      (B225) No. 3 - (B106) No. 2:

    Is the resistance less than 1 Ω?

    Yes:  Go to  10.

    No:  Repair the open circuit in harness between starter relay connector and clutch start switch connector.

  10. CHECK INPUT VOLTAGE OF STARTER RELAY. 
    1. Connect the connector to the clutch start switch.
    2. Depress the clutch pedal.
    3. Turn the ignition switch to START.
    4. Measure the voltage between starter relay connector and chassis ground.

      Connector & terminal 

      (B225) No. 3 (+) - Chassis ground (-):

    Is the voltage 10 V or more?

    Yes:  Go to  11.

    No:  Replace the clutch start switch. Refer to CLUTCH SYSTEM>CLUTCH SWITCH .

  11. CHECK INPUT VOLTAGE OF STARTER RELAY. 
    1. Turn the ignition switch to START.
    2. Measure the voltage between starter relay connector and chassis ground.

      Connector & terminal 

      (B225) No. 2 (+) - Chassis ground (-):

    Is the voltage 10 V or more?

    Yes:  Go to  12.

    No:  Repair the open circuit of harness between starter relay connector and ignition switch connector.

  12. CHECK STARTER RELAY. 
    1. Connect the battery to starter relay terminals No. 3 and No. 5.
    2. Measure the resistance between starter relay terminals.

      Terminals 

      No. 1 - No. 2:

    Is the resistance less than 1 Ω?

    Yes:  Go to  13.

    No:  Replace the starter relay.

  13. CHECK HARNESS BETWEEN ECM AND STARTER RELAY CONNECTOR. 
    1. Turn the ignition switch to OFF.
    2. Disconnect the connector from ECM.
    3. Measure the resistance of harness between ECM connector and starter relay connector.

      Connector & terminal 

      (B136) No. 16 - (B225) No. 1:

    Is the resistance less than 1 Ω?

    Yes:  Go to  14.

    No:  Repair the harness and connector.

    NOTE: In this case, repair the following item:
    • Open circuit of harness between ECM connector and starter relay connector
    • Blown out of fuse
  14. CHECK ECM INPUT VOLTAGE. 
    1. Install the starter relay.
    2. Depress the clutch pedal.
    3. Turn the ignition switch to START.
    4. Measure the voltage between ECM connector and chassis ground.

      Connector & terminal 

      (B135) No. 26 (+) - Chassis ground (-):

    Is the voltage 10 V or more?

    Yes:  Check the ECM power supply and ground line. Refer to ENGINE (DIAGNOSTICS) (STI)>DIAGNOSTICS FOR ENGINE STARTING FAILURE>CHECK POWER SUPPLY AND GROUND LINE OF ENGINE CONTROL MODULE (ECM) .

    No:  Repair the open circuit of harness between ECM connector and starter relay connector.