LEMON Manuals: Even more car manuals for everyone
Home >> Subaru >> 2019 >> WRX STI >> Repair and Diagnosis >> Engine Performance >> System >> Engine Control System (Diagnostics - Introduction) (STI) >> Diagnostics for Engine Starting Failure >> Starter Motor Circuit >> Model With Push Button Start

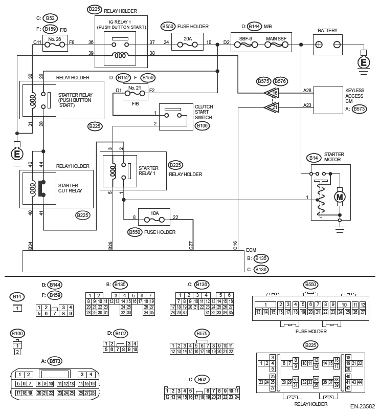
Model With Push Button Start

CAUTION: After servicing or replacing faulty parts, perform Clear Memory Mode Refer to ENGINE (DIAGNOSTICS) (STI)>CLEAR MEMORY MODE>OPERATION ., and inspection mode Refer to ENGINE (DIAGNOSTICS) (STI)>INSPECTION MODE>PROCEDURE .

Wiring diagram: 

Engine Electrical System Refer to WIRING SYSTEM>ENGINE ELECTRICAL SYSTEM>WIRING DIAGRAM .

G13263830Courtesy of SUBARU OF AMERICA, INC.
  1. CHECK BATTERY. 

    Check the battery. Refer to STARTING/CHARGING SYSTEMS (STI)>BATTERY>INSPECTION .

    Is the check result OK?

    Yes:  Go to  2.

    No:  Charge or replace the battery. Refer to STARTING/CHARGING SYSTEMS (STI)>BATTERY .

  2. CHECK OPERATION OF STARTER MOTOR. 

    Check the starter motor operation.

    Does the starter motor operate?

    Yes:  Go to  3.

    No:  Go to  4.

  3. CHECK DTC. 

    Read the engine DTC using the Subaru Select Monitor or general scan tool. Refer to ENGINE (DIAGNOSTICS) (STI)>READ DIAGNOSTIC TROUBLE CODE (DTC) .

    Are any DTCs displayed? (Current malfunction)

    Yes:  Check the appropriate DTC using the "List of Diagnostic Trouble Code (DTC)". Refer to ENGINE (DIAGNOSTICS) (STI)>LIST OF DIAGNOSTIC TROUBLE CODE 

    No:  Check ignition control system. Refer to ENGINE (DIAGNOSTICS) (STI)>DIAGNOSTICS FOR ENGINE STARTING FAILURE>IGNITION CONTROL SYSTEM .

  4. CHECK PUSH BUTTON IGNITION SWITCH. 

    Press the push button ignition switch twice with the ignition OFF (ACC OFF).

    NOTE: Release the clutch pedal.

    Does the ignition turn to ON?

    Yes:  Go to  5.

    No:  Check the push button start system. Refer to KEYLESS ACCESS WITH PUSH BUTTON START SYSTEM (DIAGNOSTICS)>DIAGNOSTICS WITH PHENOMENON>LIST>POWER SUPPLY SWITCHING SYSTEM .

  5. CHECK PUSH BUTTON IGNITION SWITCH. 
    1. Depress the clutch pedal.
    2. Check the push button ignition switch indicator light.

      Does the indicator light turn to green?

      Yes:  Go to  6.

      No:  Check the push button start system. Refer to KEYLESS ACCESS WITH PUSH BUTTON START SYSTEM (DIAGNOSTICS)>DIAGNOSTICS WITH PHENOMENON>INSPECTION>ENGINE DOES NOT START .

  6. CHECK START SWITCH SIGNAL. 
    1. Read the waveform of start switch signal using Subaru Select Monitor.
      NOTE: For detailed operation procedures, refer to "Current Data Display For Engine". Refer to ENGINE (DIAGNOSTICS) (STI)>SUBARU SELECT MONITOR .
    2. While depressing the clutch pedal, press the push button ignition switch once.

      Does waveform of the start switch signal occur?

      Yes:  Go to  10.

      No:  Go to  7.

  7. CHECK HARNESS BETWEEN ECM AND KEYLESS ACCESS CM. 
    1. Turn the ignition to OFF.
    2. Disconnect the connector from ECM.
    3. Disconnect the connector from the keyless access Control Module.
    4. Measure the resistance of harness between ECM connector and keyless access Control Module.

      Connector & terminal 

      (B136) No. 16 - (B573) No. 23:

      Is the resistance less than 1 Ω?

      Yes:  Go to  8.

      No:  Repair the harness and connector.

      NOTE: In this case, repair the following item:
      • Open circuit of harness between ECM connector and keyless access Control Module connector
      • Poor contact of coupling connector
  8. CHECK HARNESS BETWEEN ECM AND KEYLESS ACCESS CONTROL MODULE. 

    Measure the resistance between ECM connector and chassis ground.

    Connector & terminal 

    (B136) No. 16 - Chassis ground:

    Is the resistance 1 MΩ or more?

    Yes:  Go to  9.

    No:  Repair the short circuit to ground in harness between ECM connector and keyless access Control Module connector.

  9. CHECK START SWITCH SIGNAL. 
    1. Connect the connector to ECM.
    2. Connect the connector to the keyless access Control Module.
    3. Read the waveform of start switch signal using an oscilloscope.
    4. While depressing the clutch pedal, press the push button ignition switch once.

      Connector & terminal 

      (B136) No. 16 (+) - Chassis ground (-):

      Does waveform of the start switch signal occur?

      Yes:  Repair the poor contact of ECM connector.

      No:  Repair the poor contact of keyless access Control Module connector.

  10. CHECK INPUT SIGNAL FOR STARTER MOTOR. 
    1. Turn the ignition to OFF.
    2. Disconnect the connector from starter motor.
    3. Place the gear shift lever in neutral.
    4. While depressing the clutch pedal, press the push button ignition switch once.
    5. Measure the voltage between the starter motor connector and the engine ground.

      Connector & terminal 

      (B14) No. 1 (+) - Engine ground (-):

      Is the voltage 10 V or more?

      Yes:  Check the starter motor. Refer to STARTING/CHARGING SYSTEMS (STI)>STARTER .

      No:  Go to  11.

  11. CHECK HARNESS BETWEEN STARTER RELAY 1 CONNECTOR AND STARTER MOTOR CONNECTOR. 
    1. Remove the starter relay 1.
    2. Measure the resistance of harness between starter relay 1 connector and starter motor connector.

      Connector & terminal 

      (B225) No. 1 - (B14) No. 1:

      Is the resistance less than 1 Ω?

      Yes:  Go to  12.

      No:  Repair the open circuit of the harness between starter relay 1 connector and starter motor connector.

  12. CHECK IG RELAY 1 (PUSH BUTTON START) POWER SUPPLY. 
    1. Remove the IG relay 1 (push button start).
    2. Turn the ignition to ON.
    3. Measure the voltage between the IG relay 1 (push button start) connector and chassis ground.

      Connector & terminal 

      (B225) No. 37 (+) - Chassis ground (-):

      (B225) No. 38 (+) - Chassis ground (-):

      Is the voltage 10 V or more?

      Yes:  Go to  13.

      No:  Check the following item and repair or replace if necessary.

      • Blown out of fuse
      • Open circuit or short circuit to ground in harness between IG relay 1 (push button start) connector and keyless access Control Module connector
      • Open circuit or short circuit to ground in harness between IG relay 1 (push button start) connector and battery
  13. CHECK HARNESS BETWEEN IG RELAY 1 (PUSH BUTTON START) CONNECTOR AND CHASSIS GROUND. 
    1. Turn the ignition to OFF.
    2. Measure the resistance of harness between the IG relay 1 (push button start) connector and chassis ground.

      Connector & terminal 

      (B225) No. 39 - Chassis ground:

      Is the resistance less than 5 Ω?

      Yes:  Go to  14.

      No:  Repair the open circuit in harness between the IG relay 1 (push button start) connector and chassis ground.

  14. CHECK IG RELAY 1 (PUSH BUTTON START). 
    1. Connect the battery to IG relay 1 (push button start) terminals No. 38 and No. 39.
    2. Measure the resistance between IG relay 1 (push button start) terminals.

      Terminals 

      No. 36 - No. 37:

      Is the resistance less than 1 Ω?

      Yes:  Go to  15.

      No:  Replace the IG relay 1 (push button start). Refer to SECURITY AND LOCKS>IG RELAY1 (PUSH BUTTON START) .

  15. CHECK STARTER RELAY (PUSH BUTTON START) POWER SUPPLY. 
    1. Install the IG relay 1 (push button start).
    2. Remove the starter relay (push button start).
    3. Turn the ignition to ON.
    4. Measure the voltage between starter relay (push button start) connector and chassis ground.

      Connector & terminal 

      (B225) No. 29 (+) - Chassis ground (-):

      (B225) No. 30 (+) - Chassis ground (-):

      Is the voltage 10 V or more?

      Yes:  Go to  16.

      No:  Check the following item and repair or replace if necessary.

      • Blown out of fuse (F/B No. 26)
      • Open circuit or short circuit to ground in harness between starter relay (push button start) connector and IG relay 1 (push button start) connector
      • Open circuit or short circuit to ground in harness between starter relay (push button start) connector and battery
  16. CHECK HARNESS BETWEEN STARTER RELAY (PUSH BUTTON START) CONNECTOR AND CHASSIS GROUND. 
    1. Turn the ignition to OFF.
    2. Measure the resistance of harness between starter relay (push button start) connector and chassis ground.

      Connector & terminal 

      (B225) No. 31 - Chassis ground:

      Is the resistance less than 5 Ω?

      Yes:  Go to  17.

      No:  Repair the open circuit in harness between starter relay (push button start) connector and chassis ground.

  17. CHECK STARTER RELAY (PUSH BUTTON START). 
    1. Connect the battery to starter relay (push button start) terminals No. 30 and No. 31.
    2. Measure the resistance between starter relay (push button start) terminals.

      Terminals 

      No. 28 - No. 29:

      Is the resistance less than 1 Ω?

      Yes:  Go to  18.

      No:  Replace the starter relay (push button start). Refer to SECURITY AND LOCKS>STARTER RELAY (PUSH BUTTON START) .

  18. CHECK HARNESS BETWEEN STARTER RELAY (PUSH BUTTON START) CONNECTOR AND STARTER CUT RELAY CONNECTOR. 
    1. Remove the starter cut relay.
    2. Measure the resistance of harness between starter relay (push button start) connector and starter cut relay connector.

      Connector & terminal 

      (B225) No. 28 - (B225) No. 42:

      (B225) No. 28 - (B225) No. 44:

      Is the resistance less than 1 Ω?

      Yes:  Go to  19.

      No:  Repair the open circuit in harness between starter relay (push button start) connector and starter cut relay connector.

  19. CHECK HARNESS BETWEEN ECM AND STARTER CUT RELAY CONNECTOR. 
    1. Disconnect the connector from ECM.
    2. Measure the resistance between starter cut relay connector and chassis ground.

      Connector & terminal 

      (B225) No. 40 - Chassis ground:

      Is the resistance 1 MΩ or more?

      Yes:  Go to  20.

      No:  Repair the short circuit to ground in harness between ECM connector and starter cut relay connector.

  20. CHECK STARTER CUT RELAY. 

    Measure the resistance between starter cut relay terminals.

    Terminals 

    No. 41 - No. 44:

    Is the resistance less than 1 Ω?

    Yes:  Go to  21.

    No:  Replace the starter cut relay. Refer to SECURITY AND LOCKS>STARTER CUT RELAY .

  21. CHECK HARNESS BETWEEN STARTER CUT RELAY CONNECTOR AND STARTER RELAY 1 CONNECTOR. 
    1. Remove the starter relay 1.
    2. Measure the resistance of harness between starter cut relay connector and starter relay 1 connector.

      Connector & terminal 

      (B225) No. 41 - (B225) No. 2:

      Is the resistance less than 1 Ω?

      Yes:  Go to  22.

      No:  Repair the open circuit of harness between starter cut relay connector and starter relay 1 connector.

  22. CHECK HARNESS BETWEEN STARTER RELAY 1 CONNECTOR AND CLUTCH START SWITCH CONNECTOR. 

    Measure the resistance of harness between starter relay 1 connector and clutch start switch connector.

    Connector & terminal 

    (B225) No. 3 - (B106) No. 2:

    Is the resistance less than 1 Ω?

    Yes:  Go to  23.

    No:  Repair the open circuit in harness between starter relay 1 connector and clutch start switch connector.

  23. CHECK HARNESS BETWEEN ECM AND STARTER RELAY 1 CONNECTOR. 

    Measure the resistance of harness between ECM connector and starter relay 1 connector.

    Connector & terminal 

    (B135) No. 26 - (B225) No. 5:

    (B136) No. 27 - (B225) No. 1:

    Is the resistance less than 1 Ω?

    Yes:  Go to  24.

    No:  Repair the harness and connector.

    NOTE: In this case, repair the following item:
    • Open circuit of harness between ECM connector and starter relay 1 connector
    • Blown out of fuse
  24. CHECK STARTER RELAY 1. 
    1. Connect the battery to starter relay 1 terminals No. 3 and No. 5.
    2. Measure the resistance between starter relay 1 terminals.

      Terminals 

      No. 1 - No. 2:

      Is the resistance less than 1 Ω?

      Yes:  Check the ECM power supply and ground line. Refer to ENGINE (DIAGNOSTICS) (STI)>DIAGNOSTICS FOR ENGINE STARTING FAILURE>CHECK POWER SUPPLY AND GROUND LINE OF ENGINE CONTROL MODULE (ECM) .

      No:  Replace the starter relay 1. Refer to ENGINE (DIAGNOSTICS) (STI)>ELECTRICAL COMPONENT LOCATION>LOCATION .