LEMON Manuals: Even more car manuals for everyone
Home >> Subaru >> 2019 >> WRX STI >> Repair and Diagnosis >> Engine Performance >> System >> Engine Control System (Diagnostics - Introduction) (STI) >> Diagnostic Procedure for Subaru Select Monitor Communication >> Communication For Initializing Impossible

Communication For Initializing Impossible

Diagnosis: 

Open or short circuit in data link connector

Trouble symptom: 

Subaru Select Monitor communication failure

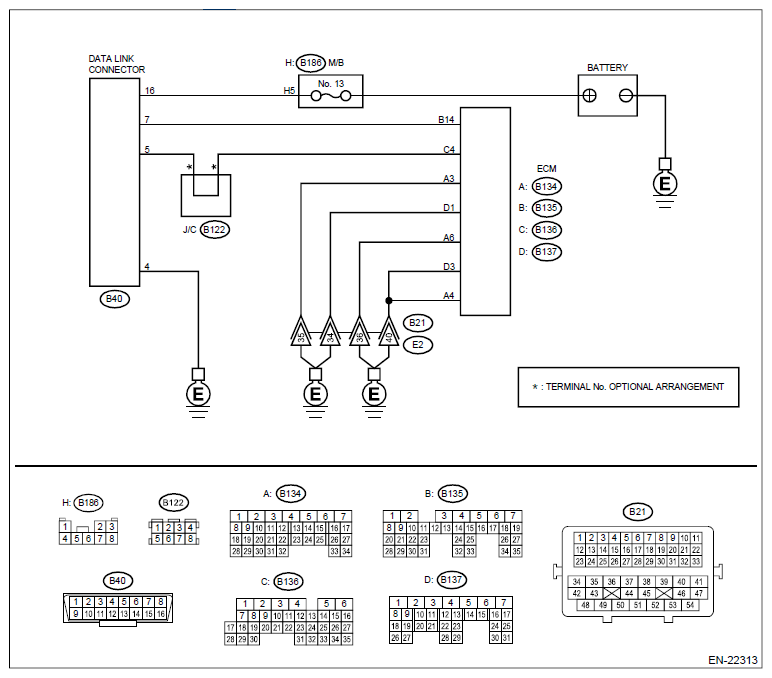
Wiring diagram: 

Engine Electrical System Refer to WIRING SYSTEM>ENGINE ELECTRICAL SYSTEM>WIRING DIAGRAM .

G12456683Courtesy of SUBARU OF AMERICA, INC.
  1. CHECK POWER SUPPLY CIRCUIT. 

    Connect DST-i or a general scan tool to the data link connector.

    Is the DST-i or the general scan tool turned to ON?

    Yes:  Go to  4.

    No:  Go to  2.

  2. CHECK POWER SUPPLY CIRCUIT. 

    Measure the voltage between data link connector and chassis ground.

    Connector & terminal 

    (B40) No. 16 (+) - Chassis ground (-):

    Is the voltage 10 V or more?

    Yes:  Go to  3.

    No:  Repair the power supply circuit.

    NOTE: In this case, repair the following item:
    • Open or ground short circuit of harness between battery and data link connector
    • Blown out of fuse (M/B No. 13)
  3. CHECK HARNESS BETWEEN DATA LINK CONNECTOR AND CHASSIS GROUND. 
    1. Turn the ignition switch to OFF.
    2. Measure the resistance of harness between data link connector and chassis ground.

      Connector & terminal 

      (B40) No. 4 - Chassis ground:

      (B40) No. 5 - Chassis ground:

      Is the resistance less than 5 Ω?

      Yes:  Repair the poor contact of data link connector.

      No:  Repair the harness and connector.

      NOTE: In this case, repair the following item:
      • Open circuit in harness between ECM connector and data link connector
      • Open circuit of harness between ECM connector and engine ground
      • Poor contact of ECM connector
      • Poor contact of joint connector
  4. CHECK HARNESS BETWEEN ECM AND DATA LINK CONNECTOR. 
    1. Disconnect the connectors from ECM, DCCD Control Module, VDC Control Module, airbag Control Module, impact sensor, TPMS & keyless entry Control Module, and body integrated unit.
      CAUTION: When disconnecting the connector from airbag Control Module, always follow the precautions on AB service information. Refer to AIRBAG SYSTEM>GENERAL DESCRIPTION>CAUTION .
    2. Measure the resistance of harness between ECM connector and data link connector.

      Connector & terminal 

      (B135) No. 14 - (B40) No. 7:

    Is the resistance less than 1 Ω?

    Yes:  Go to  5.

    No:  Repair the open circuit of harness between ECM connector and data link connector.

  5. CHECK HARNESS BETWEEN ECM AND DATA LINK CONNECTOR. 

    Measure the resistance between data link connector and chassis ground.

    Connector & terminal 

    (B40) No. 7 - Chassis ground:

    Is the resistance 1 MΩ or more?

    Yes:  Repair the poor contact of ECM connector or data link connector.

    No:  Repair the short circuit to ground in harness between ECM connector and data link connector.