LEMON Manuals: Even more car manuals for everyone
Home >> Subaru >> 2019 >> WRX Base >> Repair and Diagnosis >> External Pages >> Different variant/trim >> Section 17 (Engine Control System (Diagnostics) (General) (STI)) >> Diagnostic Procedure Without Diagnostic Trouble Code (DTC) >> Check SI-Drive (Subaru Intelligent Drive) System >> SI-Drive Mode Indication Does Not Change And Modes Do Not Switch After Switching SI-Drive Modes

SI-Drive Mode Indication Does Not Change And Modes Do Not Switch After Switching SI-Drive Modes

WARNING: This page is about a different variant/trim than selected.

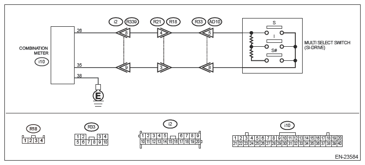
Wiring diagram: 

Engine Electrical System Refer to WIRING SYSTEM>ENGINE ELECTRICAL SYSTEM>WIRING DIAGRAM .

G13264103Courtesy of SUBARU OF AMERICA, INC.
  1. CHECK SI-DRIVE SELECTOR. 
    1. Turn the ignition switch to OFF.
    2. Disconnect the connector from the combination meter.
    3. Measure the resistance between connectors when the SI-DRIVE selector is operated.

    Connector & terminal

    (i10) No. 26 - (i10) No. 35:

    Does the resistance change as below?

    S#: 3.48 - 3.85 kΩ

    I: 0.95 - 1.05 kΩ

    S: less than 1 Ω

    Yes:  Go to  4.

    No:  Go to  2.

  2. CHECK HARNESS BETWEEN COMBINATION METER AND MULTI-SELECT SWITCH CONNECTOR. 
    1. Disconnect the connector from multi-select switch.
    2. Measure the resistance of harness between combination meter and multi-select switch connector.

    Connector & terminal

    (i10) No. 26 - (R33) No. 5:

    (i10) No. 35 - (R33) No. 8:

    Is the resistance less than 1 Ω?

    Yes:  Go to  3.

    No:  Repair the harness and connector.

    NOTE: In this case, repair the following item:
    • Open circuit in harness between combination meter and multi-select switch connector
    • Poor contact of coupling connector
  3. CHECK HARNESS BETWEEN COMBINATION METER AND MULTI-SELECT SWITCH CONNECTOR. 

    Measure the resistance between multi-select switch connector and chassis ground.

    Connector & terminal

    (R33) No. 5 - Chassis ground:

    (R33) No. 8 - Chassis ground:

    Is the resistance 1 MΩ or more?

    Yes:  Repair the poor contact of multi-select switch connector. Replace the multi-select switch if defective. Refer to FUEL INJECTION (FUEL SYSTEMS) (STI)>SI-DRIVE (SUBARU INTELLIGENT DRIVE) SELECTOR .

    No:  Repair the ground short circuit in harness between combination meter and multi-select switch connector.

  4. CHECK HARNESS BETWEEN COMBINATION METER AND CHASSIS GROUND. 

    Measure the resistance of harness between combination meter and chassis ground.

    Connector & terminal

    (i10) No. 38 - Chassis ground:

    Is the resistance less than 5 Ω?

    Yes:  Go to  5.

    No:  Repair the open circuit of harness between combination meter and chassis ground.

  5. RECHECK FAULT. 
    1. Connect all connectors.
    2. Switch SI-DRIVE modes.

    Is there any fault?

    Yes:  Repair the poor contact of combination meter connector. Replace the combination meter if defective. Refer to INSTRUMENTATION/DRIVER INFO>COMBINATION METER .

    No:  The circuit has returned to a normal condition at this time. Reproduce the failure, and then perform the diagnosis again.

    NOTE: In this case, temporary poor contact of connector, temporary open or short circuit of harness may be the cause.