LEMON Manuals: Even more car manuals for everyone
Home >> Subaru >> 2019 >> WRX Base >> Repair and Diagnosis (Single Page) >> Transmission >> Manual Trans >> Manual Transmission And Differential (Diagnostics) >> Diagnostic Procedure with Diagnostic Trouble Code (DTC) >> DTC P0606: Control Module Processor

DTC P0606: Control Module Processor

Diagnosis start condition: 

At DCCD control module initialization (when power is turned to ON)

Malfunction judgment criteria: 

When CAN function of microcomputer is abnormal (when CAN register read/write is abnormal)

Trouble symptom: 

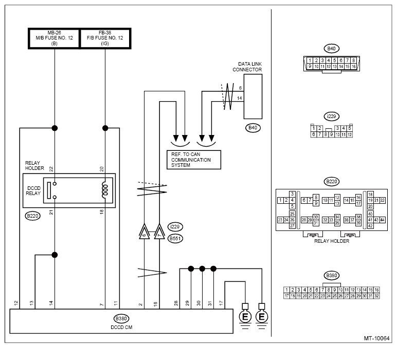
Wiring diagram: 

Drivers control center differential control system Refer to WIRING SYSTEM>DRIVER'S CONTROL CENTER DIFFERENTIAL CONTROL SYSTEM .

G12454108Courtesy of SUBARU OF AMERICA, INC.
  1. CHECK INPUT VOLTAGE OF DCCD CONTROL MODULE. 
    1. Turn the ignition switch to ON.
    2. Measure the voltage between DCCD control module and chassis ground.

    Connector & terminal 

    (B380) No. 11 (+) - Chassis ground (-):

    Is the voltage 10 - 13 V?

    Yes  Go to  2.

    No  Repair the open or short to ground in the power supply circuit.

  2. CHECK INPUT VOLTAGE OF DCCD CONTROL MODULE. 
    1. Start the engine.
    2. Measure the voltage between DCCD control module and chassis ground.

    Connector & terminal 

    (B380) No. 11 (+) - Chassis ground (-):

    Is the voltage 13 - 15 V?

    Yes  Go to  3.

    No  Repair the open or short to ground in the power supply circuit.

  3. CHECK DCCD CONTROL MODULE GROUND HARNESS. 
    1. Turn the ignition switch to ON.
    2. Measure the voltage between DCCD control module and chassis ground.

    Connector & terminal 

    (B380) No. 28 (+) - Chassis ground (-):

    (B380) No. 29 (+) - Chassis ground (-):

    (B380) No. 30 (+) - Chassis ground (-):

    (B380) No. 31 (+) - Chassis ground (-):

    Is the voltage less than 1 V?

    Yes  Check for poor contact of connector, if a fault is not found, replace the DCCD control module. Refer to MANUAL TRANSMISSION AND DIFFERENTIAL (6MT) (TY85)>DRIVER'S CONTROL CENTER DIFFERENTIAL CONTROL MODULE .

    No  Repair the harness and connector.