LEMON Manuals: Even more car manuals for everyone
Home >> Subaru >> 2019 >> WRX Base >> Repair and Diagnosis (Single Page) >> Engine Performance >> System >> Engine Control System (Diagnostics) (General) (Except For STI) >> Diagnostic Procedure Without Diagnostic Trouble Code (DTC) >> Check Si-Drive (Subaru Intelligent Drive) System >> SI-Drive Mode Indication Does Not Change And Modes Do Not Switch After Switching Si-Drive Modes

SI-Drive Mode Indication Does Not Change And Modes Do Not Switch After Switching Si-Drive Modes

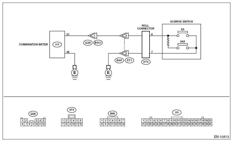
Wiring diagram: 

Engine Electrical System Refer to WIRING SYSTEM>ENGINE ELECTRICAL SYSTEM>WIRING DIAGRAM .

G10267651Courtesy of SUBARU OF AMERICA, INC.
  1. CHECK SI-DRIVE SWITCH. 
    1. Turn the ignition switch to OFF.
    2. Disconnect the connector from the combination meter.
    3. Measure the resistance when the SI-DRIVE switch is operated.

      Connector & terminal 

      (i10) No. 31 - Chassis ground:

    Does the resistance change as below?

    S#/I: 1.71 - 1.89 kΩ

    S/I: less than 1 Ω

    Yes:  Go to  5.

    No:  Go to  2.

  2. CHECK HARNESS BETWEEN COMBINATION METER AND SI-DRIVE SWITCH CONNECTOR. 

    Measure the resistance of harness between combination meter connector and SI-DRIVE switch connector.

    Connector & terminal 

    (i10) No. 31 - (ST3) No. 8:

    Is the resistance less than 1 Ω?

    Yes:  Go to  3.

    No:  Repair the harness and connector.

    NOTE: In this case, repair the following item:
    • Open circuit in harness between combination meter connector and SI-DRIVE switch connector
    • Poor contact of coupling connector
    • Poor contact of roll connector
    • Roll connector is faulty
  3. CHECK HARNESS BETWEEN SI-DRIVE SWITCH CONNECTOR AND CHASSIS GROUND. 

    Measure the resistance of harness between SI-DRIVE switch connector and chassis ground.

    Connector & terminal 

    (ST3) No. 7 - Chassis ground:

    Is the resistance less than 1 Ω?

    Yes:  Go to  4.

    No:  Repair the harness and connector.

    NOTE: In this case, repair the following item:
    • Open circuit in harness between SI-DRIVE switch connector and chassis ground
    • Poor contact of joint connector
    • Poor contact of roll connector
    • Roll connector is faulty
  4. CHECK HARNESS BETWEEN COMBINATION METER AND SIDRIVE SWITCH CONNECTOR. 

    Measure the resistance between combination meter connector and chassis ground.

    Connector & terminal 

    (i10) No. 31 - Chassis ground:

    Is the resistance 1 MΩ or more?

    Yes:  Repair the poor contact of SI-DRIVE switch connector. Replace the SI-DRIVE switch if defective. Refer to FUEL INJECTION (FUEL SYSTEMS) (EXCEPT FOR STI)>SI-DRIVE (SUBARU INTELLIGENT DRIVE) SELECTOR .

    No:  Repair the short circuit to ground in harness between combination meter and SI-DRIVE switch connector.

  5. CHECK HARNESS BETWEEN COMBINATION METER AND CHASSIS GROUND. 

    Measure the resistance of harness between combination meter and chassis ground.

    Connector & terminal 

    (i10) No. 38 - Chassis ground:

    Is the resistance less than 5 Ω?

    Yes:  Go to  6.

    No:  Repair the open circuit of harness between combination meter and chassis ground.

  6. RECHECK FAULT. 
    1. Connect all connectors.
    2. Switch SI-DRIVE modes.

    Is there any fault?

    Yes:  Repair the poor contact of combination meter connector. Replace the meter case assembly if defective. Refer to INSTRUMENTATION/DRIVER INFO>COMBINATION METER .

    No:  The circuit has returned to a normal condition at this time. Reproduce the failure, and then perform the diagnosis again.

    NOTE: In this case, temporary poor contact of connector, temporary open or short circuit of harness may be the cause.