LEMON Manuals: Even more car manuals for everyone
Home >> Subaru >> 2019 >> WRX Base >> Repair and Diagnosis (Single Page) >> Engine Performance >> System >> Engine Control System (Diagnostics) (Except For STI) (4 Of 4) >> Diagnostic Procedure with Diagnostic Trouble Code (DTC) >> DTC P2102: Throttle Actuator "A" Control Motor Circuit Low >> Component Description

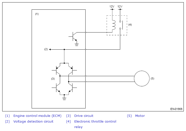
Component Description

G13264446Courtesy of SUBARU OF AMERICA, INC.