LEMON Manuals: Even more car manuals for everyone
Home >> Subaru >> 2019 >> WRX Base >> Repair and Diagnosis (Single Page) >> Engine Performance >> System >> Engine Control System (Diagnostics) (Except For STI) (3 Of 4) >> Diagnostic Procedure With Diagnostic Trouble Code (DTC) >> DTC P0852: Park/Neutral Switch Input Circuit HIGH >> CVT Model

CVT Model

DTC detecting condition: 

Detected when two consecutive driving cycles with fault occur.

Trouble symptom: 

Improper idling

CAUTION:

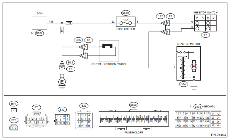
Wiring diagram: 

Engine Electrical System Refer to WIRING SYSTEM>ENGINE ELECTRICAL SYSTEM>WIRING DIAGRAM .

G11577214Courtesy of SUBARU OF AMERICA, INC.
  1. CHECK SELECT CABLE. 

    Check the select cable.

    Is there any fault in select cable?

    Yes:  Repair or adjust the select cable. Refer to CONTROL SYSTEMS>SELECT CABLE .

    No:  Go to  2.

  2. CHECK INPUT SIGNAL OF ECM. 
    1. Turn the ignition switch to ON.
    2. Measure the voltage between ECM and chassis ground with select lever at "P" range and "N" range.

      Connector & terminal 

      (B134) No. 33 (+) - Chassis ground (-):

    Is the voltage less than 1 V?

    Yes:  Repair the poor contact of ECM connector.

    No:  Go to  3.

  3. CHECK HARNESS BETWEEN ECM AND INHIBITOR SWITCH CONNECTOR. 
    1. Turn the ignition switch to OFF.
    2. Disconnect the connector from ECM.
    3. Disconnect the connector from inhibitor switch.
    4. Measure the resistance of harness between ECM connector and inhibitor switch connector.

      Connector & terminal 

      (B134) No. 33 - (T7) No. 6:

    Is the resistance less than 1 Ω?

    Yes:  Go to  4.

    No:  Repair the harness and connector.

    NOTE: In this case, repair the following item:
    • Blown out of fuse
    • Open circuit in harness between ECM connector and inhibitor switch connector
    • Poor contact of coupling connector
  4. CHECK INHIBITOR SWITCH GROUND LINE. 

    Measure the resistance of harness between inhibitor switch connector and engine ground.

    Connector & terminal 

    (T7) No. 9 - Engine ground:

    Is the resistance less than 5 Ω?

    Yes:  Replace the inhibitor switch. Refer to CONTINUOUSLY VARIABLE TRANSMISSION (TR690)>INHIBITOR SWITCH .

    No:  Repair the harness and connector.

    NOTE: In this case, repair the following item:
    • Open circuit of harness between inhibitor switch connector and starter motor ground line
    • Poor contact of coupling connector
    • Poor contact of starter motor connector
    • Poor contact of starter motor ground
    • Starter motor