LEMON Manuals: Even more car manuals for everyone
Home >> Subaru >> 2019 >> WRX Base >> Repair and Diagnosis (Single Page) >> Engine Performance >> System >> Engine Control System (Diagnostics) (Except For STI) (2 Of 4) >> Diagnostic Procedure with Diagnostic Trouble Code (DTC) >> DTC P0458: EVAP System (CPC) Purge Control Valve "A" Circuit Low >> Notes

DTC P0458: EVAP System (CPC) Purge Control Valve "A" Circuit Low: Notes

DTC detecting condition: 

Detected when two consecutive driving cycles with fault occur.

Trouble symptom: 

Improper idling

CAUTION:

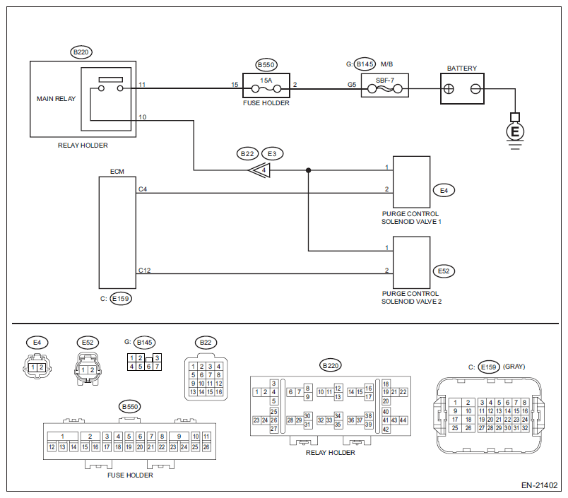
Wiring diagram: 

Engine Electrical System Refer to WIRING SYSTEM>ENGINE ELECTRICAL SYSTEM>WIRING DIAGRAM .

G11577188Courtesy of SUBARU OF AMERICA, INC.
  1. CHECK OUTPUT SIGNAL OF ECM. 
    1. Turn the ignition switch to ON.
    2. Measure the voltage between ECM connector and engine ground.

      Connector & terminal 

      (E159) No. 4 (+) - Engine ground (-):

    Is the voltage 10 V or more?

    Yes:  Go to  2.

    No:  Go to  3.

  2. CHECK FOR POOR CONTACT. 

    Check for poor contact of ECM connector.

    Is there poor contact of ECM connector?

    Yes:  Repair the poor contact of ECM connector.

    No:  Even if DTC is detected, the circuit has returned to a normal condition at this time. Reproduce the failure, and then perform the diagnosis again.

    NOTE: In this case, temporary poor contact of connector, temporary open or short circuit of harness may be the cause.
  3. CHECK POWER SUPPLY TO PURGE CONTROL SOLENOID VALVE 1 CONNECTOR. 

    Measure the voltage between purge control solenoid valve 1 connector and engine ground.

    Connector & terminal 

    (E4) No. 1 (+) - Engine ground (-):

    Is the voltage 10 V or more?

    Yes:  Go to  4.

    No:  Repair the power supply circuit.

  4. CHECK HARNESS BETWEEN ECM AND PURGE CONTROL SOLENOID VALVE 1 CONNECTOR. 
    1. Turn the ignition switch to OFF.
    2. Disconnect the connector from ECM.
    3. Disconnect the connector from purge control solenoid valve 1.
    4. Measure the resistance between the purge control solenoid valve 1 connector and engine ground.

      Connector & terminal 

      (E4) No. 2 - Engine ground:

    Is the resistance 1 MΩ or more?

    Yes:  Go to  5.

    No:  Repair the ground short circuit of harness between ECM connector and purge control solenoid valve 1 connector.

  5. CHECK HARNESS BETWEEN ECM AND PURGE CONTROL SOLENOID VALVE 1 CONNECTOR. 

    Measure the resistance of harness between ECM connector and purge control solenoid valve 1 connector.

    Connector & terminal 

    (E159) No. 4 - (E4) No. 2:

    Is the resistance less than 1 Ω?

    Yes:  Go to  6.

    No:  Repair the open circuit in harness between ECM connector and purge control solenoid valve 1 connector.

  6. CHECK PURGE CONTROL SOLENOID VALVE 1. 
    1. Remove the purge control solenoid valve 1.
    2. Measure the resistance between purge control solenoid valve 1 terminals.

      Terminals 

      No. 1 - No. 2:

    Is the resistance 10 - 100 Ω?

    Yes:  Repair the poor contact of the purge control solenoid valve 1 connector.

    No:  Replace the purge control solenoid valve 1. Refer to EMISSION CONTROL (AUX. EMISSION CONTROL DEVICES) (EXCEPT FOR STI)>PURGE CONTROL SOLENOID VALVE .