DTC P0112: Intake Air Temperature Sensor 1 Circuit Low Bank 1: Notes
DTC detecting condition:
Immediately at fault recognition
Trouble symptom:
- Improper idling
- Poor driving performance
- After servicing or replacing faulty parts, perform Clear Memory Mode Refer to ENGINE (DIAGNOSTICS) (EXCEPT FOR STI)>CLEAR MEMORY MODE>OPERATION , and inspection mode Refer to ENGINE (DIAGNOSTICS) (EXCEPT FOR STI)>INSPECTION MODE>PROCEDURE ..
- Use the check board when measuring the ECM terminal voltage and resistance.
Wiring diagram:
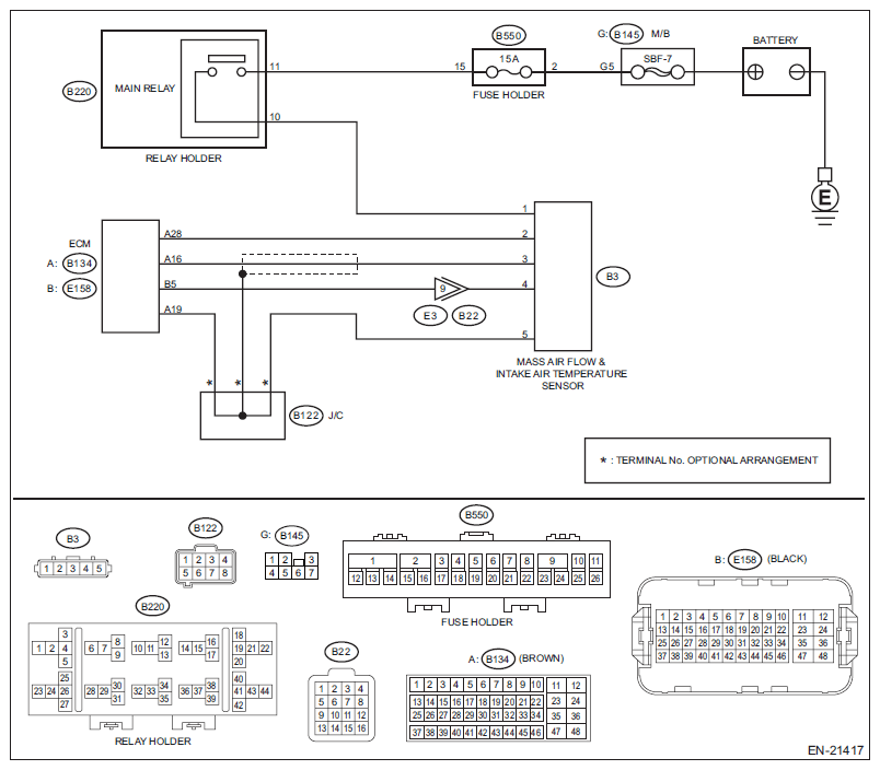
Engine Electrical System Refer to WIRING SYSTEM>ENGINE ELECTRICAL SYSTEM>WIRING DIAGRAM .
- CHECK CURRENT DATA.
- Start the engine.
- Read the value of «IAT Sensor #11» using the Subaru Select Monitor or a general scan tool.
NOTE:- Subaru Select Monitor
For detailed operation procedures, refer to "Current Data Display For Engine". Refer to ENGINE (DIAGNOSTICS) (EXCEPT FOR STI)>SUBARU SELECT MONITOR .
- General scan tool
For detailed operation procedures, refer to the general scan tool operation instructions.
Is the value in «IAT Sensor #11» 120°C (248°F) or more?
Yes: Go to 2.
No: Even if DTC is detected, the circuit has returned to a normal condition at this time. Reproduce the failure, and then perform the diagnosis again.
NOTE: In this case, temporary poor contact of connector, temporary open or short circuit of harness may be the cause. - CHECK HARNESS BETWEEN ECM AND MASS AIR FLOW AND INTAKE AIR TEMPERATURE SENSOR CONNECTOR.
- Turn the ignition switch to OFF.
- Disconnect the connector from ECM.
- Disconnect the connectors from the mass air flow and intake air temperature sensor.
- Measure the resistance between the ECM connector and engine ground.
Connector & terminal
(E158) No. 5 - Engine ground:
Is the resistance 1 MΩ or more?
Yes: Replace the mass air flow and intake air temperature sensor. Refer to FUEL INJECTION (FUEL SYSTEMS) (EXCEPT FOR STI)>MASS AIR FLOW AND INTAKE AIR TEMPERATURE SENSOR .
No: Repair the ground short circuit of harness between ECM connector and the mass air flow and intake air temperature sensor connector.