LEMON Manuals: Even more car manuals for everyone
Home >> Subaru >> 2019 >> WRX Base >> Repair and Diagnosis (Single Page) >> Engine Performance >> System >> Engine Control System (Diagnostics) (Except For STI) (1 Of 4) >> Diagnostic Procedure With Diagnostic Trouble Code (DTC) >> DTC P0021: "A" Camshaft Position - Timing Over-Advanced Or System Performance Bank 2 >> Notes

DTC P0021: "A" Camshaft Position - Timing Over-Advanced Or System Performance Bank 2: Notes

DTC detecting condition: 

Detected when two consecutive driving cycles with fault occur.

Trouble symptom: 

CAUTION:

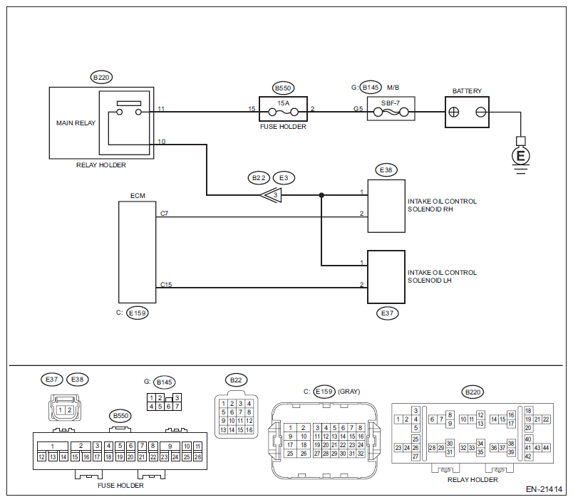
Wiring diagram: 

Engine Electrical System Refer to WIRING SYSTEM>ENGINE ELECTRICAL SYSTEM>WIRING DIAGRAM .

G11577160Courtesy of SUBARU OF AMERICA, INC.
G11577042Courtesy of SUBARU OF AMERICA, INC.
G11577155Courtesy of SUBARU OF AMERICA, INC.
  1. CHECK DTC. 

    Read the engine DTC using the Subaru Select Monitor or general scan tool. Refer to ENGINE (DIAGNOSTICS) (EXCEPT FOR STI)>READ DIAGNOSTIC TROUBLE CODE (DTC) .

    Are DTCs other than P000C and P0021 displayed? (Current malfunction)

    Yes:  Check the appropriate DTC using "List of Diagnostic Trouble Code (DTC)". Refer to ENGINE (DIAGNOSTICS) (EXCEPT FOR STI)>LIST OF DIAGNOSTIC TROUBLE CODE (DTC) .

    No:  Save the freeze frame data. Refer to ENGINE (DIAGNOSTICS) (EXCEPT FOR STI)>SUBARU SELECT MONITOR>OPERATION>DISPLAY OF ENGINE FREEZE FRAME DATA . Go to  2.

  2. CHECK ENGINE OIL CONDITION. 

    Check the engine oil condition.

    NOTE: Check the following items.
    • Oil amount is within the specified range
    • Occurrence of abnormal dirt
    • Coagulation due to additives
    • Use of oil with specified viscosity

    Is the check result OK?

    Yes:  Go to  3.

    No:  Adjust oil amount or replace the engine oil and oil filter. Refer to LUBRICATION (EXCEPT FOR STI)>ENGINE OIL . Refer to LUBRICATION (EXCEPT FOR STI)>ENGINE OIL FILTER . Go to  3.

  3. CHECK ON-BOARD MONITOR TEST RESULTS. 
    1. Replace the intake oil control solenoid LH. Refer to FUEL INJECTION (FUEL SYSTEMS) (EXCEPT FOR STI)>OIL CONTROL SOLENOID .
    2. Perform the Clear Memory Mode for the engine using the Subaru Select Monitor or a general scan tool. Refer to ENGINE (DIAGNOSTICS) (EXCEPT FOR STI)>CLEAR MEMORY MODE .
    3. Perform drive cycle T. Refer to ENGINE (DIAGNOSTICS) (EXCEPT FOR STI)>DRIVE CYCLE>PROCEDURE>DRIVE CYCLE T .
    4. Read values of «VVT Monitor Bank 1» and «VVT Monitor Bank 2» according to MODE$06 reading procedures using the Subaru Select Monitor or general scan tool. Refer to ENGINE (DIAGNOSTICS) (EXCEPT FOR STI)>General Scan Tool>OPERATION>MODE $06 (REQUEST ON-BOARD MONITORING TEST RESULTS FOR CONTINUOUSLY MONITORED SYSTEMS) .
      CAUTION:
      • When performing driving cycle, there should be 2 persons (driver and checker) and the checker should perform the data check.
      • When performing the drive cycle on the public road, be very careful of the traffic condition and the safe driving must be the high priority.
      NOTE:
      • When the diagnostic value is 0, the diagnosis is incomplete. Therefore, do not stop the engine and perform the drive cycle again.
      • Diagnostic values are updated repeatedly, and therefore, always check the data while diagnostic values are being read.
    5. Record the read values in «VVT Monitor Bank 1» and «VVT Monitor Bank 2».

    Is the value in «VVT Monitor Bank 2» of the replaced oil control solenoid 1000 or more?

    Yes:  Go to  5.

    No:  Go to  4.

  4. CHECK ON-BOARD MONITOR TEST RESULTS. 

    Compare the values in «VVT Monitor Bank 1» and «VVT Monitor Bank 2» recorded in step 3.

    Is the value in «VVT Monitor Bank 2» 1000 or less, and also larger than the value (value in «VVT Monitor Bank 1»x 1.5 + 100) compared to the value in «VVT Monitor Bank 1»?

    Yes:  Go to  5.

    No:  Idle the engine for five minutes. Replace (flush) the oil filter and engine oil, and finish the procedure. Refer to LUBRICATION (EXCEPT FOR STI)>ENGINE OIL . Refer to LUBRICATION (EXCEPT FOR STI)>ENGINE OIL FILTER .

  5. CHECK HARNESS AND CONNECTOR. 

    Is the check result OK?

    Yes:  Go to  6.

    No:  Repair or replace faulty parts. Refer to FUEL INJECTION (FUEL SYSTEMS) (EXCEPT FOR STI)>ENGINE CONTROL MODULE (ECM) . Refer to FUEL INJECTION (FUEL SYSTEMS) (EXCEPT FOR STI)>OIL CONTROL SOLENOID . Refer to FUEL INJECTION (FUEL SYSTEMS) (EXCEPT FOR STI)>CAMSHAFT POSITION SENSOR . Refer to FUEL INJECTION (FUEL SYSTEMS) (EXCEPT FOR STI)>CRANKSHAFT POSITION SENSOR . Go to  6.

  6. CHECK HARNESS AND CONNECTOR (OPEN CIRCUIT). 
    1. Turn the ignition switch to OFF.
    2. Disconnect the connector from ECM.
    3. Disconnect the connector from the intake oil control solenoid LH.
    4. Measure the resistance of harness between ECM connector and intake oil control solenoid LH connector.

      Connector & terminal 

      (E159) No. 15 - (E37) No. 2:

    Is the resistance 1 Ω or less?

    Yes:  Go to  7.

    No:  Repair or replace faulty parts. Go to  14.

  7. CHECK HARNESS AND CONNECTOR (OPEN CIRCUIT). 
    1. Turn the ignition switch to OFF.
    2. Disconnect the connector from ECM.
    3. Disconnect the connector from intake camshaft position sensor LH.
    4. Measure the resistance between intake camshaft position sensor LH connector and ECM connector.

    Connector & terminal 

    (E158) No. 21 - (E35) No. 2:

    Is the resistance 1 Ω or less?

    Yes:  Go to  8.

    No:  Repair or replace faulty parts. Go to  14.

  8. CHECK HARNESS AND CONNECTOR (OPEN CIRCUIT). 
    1. Turn the ignition switch to OFF.
    2. Disconnect the connector from ECM.
    3. Disconnect the connector from the crankshaft position sensor.
    4. Measure the resistance between crankshaft position sensor connector and ECM connector.

    Connector & terminal 

    (E158) No. 19 - (E10) No. 2:

    Is the resistance 1 Ω or less?

    Yes:  Go to  9.

    No:  Repair or replace faulty parts. Go to  14.

  9. CHECK ENGINE OIL PRESSURE. 

    Check the engine oil pressure. Refer to MECHANICAL (EXCEPT FOR STI)>ENGINE OIL PRESSURE .

    Is the engine oil pressure at the specification or less?

    Yes:  Go to  11.

    No:  Go to  10.

  10. CHECK OIL STRAINER. 

    Check the oil strainer. Refer to LUBRICATION (EXCEPT FOR STI)>OIL PAN .

    Are there any foreign matter mixed in oil strainer in the oil pan?

    Yes:  Check and clean inside the oil strainer. Refer to LUBRICATION (EXCEPT FOR STI)>OIL PAN . Go to  11.

    No:  Go to  11.

  11. CHECK OIL PASSAGES OF CHAIN COVER. 
    1. Remove the engine from the vehicle. Refer to MECHANICAL (EXCEPT FOR STI)>ENGINE ASSEMBLY .
    2. Check oil passages of chain cover. Refer to MECHANICAL (EXCEPT FOR STI)>CHAIN COVER .
    NOTE: Check the following item and repair or replace if necessary.
    • Inlet port of oil pump
    • Discharge port of oil pump
    • Each O ring at passages to left and right cylinder heads
    • Intake oil control solenoid LH
    • Entry of foreign matter

    Is the check result OK?

    Yes:  Go to  12.

    No:  Replace the defective parts. Go to  12.

    Replace the chain cover in the case of foreign matter entry. Refer to MECHANICAL (EXCEPT FOR STI)>CHAIN COVER .

  12. CHECK THE CONDITION OF CAMSHAFT. 
    1. Remove the engine from the vehicle.
    2. Remove the timing chain.
    NOTE: Compare rotational resistance with the camshaft in bank 1 and check the following items to see if there is any obvious fault such as unsmoothness of the camshaft in bank 2 and rotational resistance.
    • Foreign matter adhered to intake camshaft LH
    • Damage to intake camshaft LH (scratch, scuffed, wear, etc.)
    • Check of influence of cam journal bearing LH not rotating properly
    • Check of cam carrier LH filter

    Is the check result OK?

    Yes:  Go to  13.

    No:  Replace the cam carrier LH and camshaft LH. Refer to MECHANICAL (EXCEPT FOR STI)>CAM CARRIER . Refer to MECHANICAL (EXCEPT FOR STI)>CAMSHAFT . Go to  13.

  13. CHECK OIL PASSAGES BETWEEN OIL PUMP AND OIL CONTROL SOLENOID. 

    Visually check the following portions of oil passages connecting oil pump to intake oil control solenoid LH to see if there is any obvious fault such as adherence of foreign matter and clogging.

    • Oil passage of the cam carrier LH
    • Oil passage of the cylinder head LH side
    • Oil passage from cam sprocket LH to camshaft connecting section
    • Oil passage of the sprocket back side with the sprocket removed, and the camshaft end
    CAUTION:
    • Excessive application of liquid gasket may cause fault. Use the type specified in the service instructions and apply appropriate amount (wire diameter).
    • Do not reuse oil filter of cam carrier.
    • Push the oil filter until it becomes flush with the cam carrier surface. (Do not push excessively.)
    NOTE: After the procedure is finished, idle the engine for five minutes, and then replace (flush) the oil filter and engine oil. Refer to LUBRICATION (EXCEPT FOR STI)>ENGINE OIL . Refer to LUBRICATION (EXCEPT FOR STI)>ENGINE OIL FILTER .

    Is the check result OK?

    Yes:  Go to  14.

    No:  Remove the foreign matter. Replace the cam carrier oil filter. Refer to MECHANICAL (EXCEPT FOR STI)>CAM CARRIER . Refer to MECHANICAL (EXCEPT FOR STI)>CAM SPROCKET . Go to  14.

  14. CHECK ON-BOARD MONITOR TEST RESULTS. 
    1. Perform the Clear Memory Mode for the engine using the Subaru Select Monitor or a general scan tool. Refer to ENGINE (DIAGNOSTICS) (EXCEPT FOR STI)>CLEAR MEMORY MODE .
    2. Perform drive cycle T. Refer to ENGINE (DIAGNOSTICS) (EXCEPT FOR STI)>DRIVE CYCLE>PROCEDURE>DRIVE CYCLE T .
    3. Read values of «VVT Monitor Bank 1» and «VVT Monitor Bank 2» according to MODE$06 reading procedures using the Subaru Select Monitor or general scan tool. Refer to ENGINE (DIAGNOSTICS) (EXCEPT FOR STI)>General Scan Tool>OPERATION>MODE $06 (REQUEST ON-BOARD MONITORING TEST RESULTS FOR CONTINUOUSLY MONITORED SYSTEMS) .
      CAUTION:
      • When performing driving cycle, there should be 2 persons (driver and checker) and the checker should perform the data check.
      • When performing the drive cycle on the public road, be very careful of the traffic condition and the safe driving must be the high priority.
      NOTE:
      • When the diagnostic value is 0, the diagnosis is incomplete. Therefore, do not stop the engine and perform the drive cycle again.
      • Diagnostic values are updated repeatedly, and therefore, always check the data while diagnostic values are being read.
    4. Record the read values in «VVT Monitor Bank 1» and «VVT Monitor Bank 2».

    Is the value in «VVT Monitor Bank 2» 1000 or more?

    Yes:  Replace the ECM. Refer to FUEL INJECTION (FUEL SYSTEMS) (EXCEPT FOR STI)>ENGINE CONTROL MODULE (ECM) .

    No:  Go to  15.

  15. CHECK CURRENT DATA. 

    Compare the values in «VVT Monitor Bank 1» and «VVT Monitor Bank 2» recorded in step 16.

    Is the value in «VVT Monitor Bank 2» 1000 or less, and also larger than the value (value in «VVT Monitor Bank 1»x 1.5 + 100) compared to the value in «VVT Monitor Bank 1»?

    Yes:  Replace the ECM, and finish the procedure. Refer to FUEL INJECTION (FUEL SYSTEMS) (EXCEPT FOR STI)>ENGINE CONTROL MODULE (ECM) .

    No:  End.