LEMON Manuals: Even more car manuals for everyone
Home >> Subaru >> 2019 >> Outback 2.5i >> Repair and Diagnosis >> External Pages >> Different variant/trim >> Section 7 (Engine Control System (3.6L) (Diagnostics - Introduction)) >> Diagnostics for Engine Starting Failure >> Starter Motor Circuit >> Model Without Push Button Start

Model Without Push Button Start

WARNING: This page is about a different variant/trim than selected.
CAUTION:

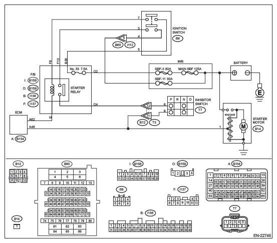
Wiring diagram: 

Engine Electrical System Ref. to WIRING SYSTEM>ENGINE ELECTRICAL SYSTEM>WIRING DIAGRAM .

G12410251Courtesy of SUBARU OF AMERICA, INC.
  1. CHECK BATTERY  .

    Check the battery. Ref. to STARTING/CHARGING SYSTEMS (H6DO)>GENERAL DESCRIPTION .

    Is the check result OK?

    Yes: Go to  2 .

    No: Charge or replace the battery. Ref. to STARTING/CHARGING SYSTEMS (H6DO)>BATTERY .

  2. CHECK OPERATION OF STARTER MOTOR  .

    Check the starter motor operation.

    Does the starter motor operate?

    Yes: Go to  3 .

    No: Go to  4 .

  3. CHECK DTC  .

    Read the engine DTC using the Subaru Select Monitor or general scan tool. Ref. to ENGINE (DIAGNOSTICS) (H6DO)>READ DIAGNOSTIC TROUBLE CODE (DTC) .

    Are any DTCs displayed? (Current malfunction) Ref. to ENGINE (DIAGNOSTICS) (H6DO)>READ DIAGNOSTIC TROUBLE CODE (DTC)>OPERATION .

    Yes: Check the appropriate DTC using the "List of Diagnostic Trouble Code (DTC)". Ref. to ENGINE (DIAGNOSTICS) (H6DO)>LIST OF DIAGNOSTIC TROUBLE CODE (DTC) .

    No: Check ignition control system. Ref. to ENGINE (DIAGNOSTICS) (H6DO)>DIAGNOSTICS FOR ENGINE STARTING FAILURE>IGNITION CONTROL SYSTEM .

  4. CHECK INPUT SIGNAL FOR STARTER MOTOR  .
    1. Turn the ignition switch to OFF.
    2. Disconnect the connector from starter motor.
    3. Place the select lever in "P" range or "N" range.
    4. Turn the ignition switch to START.
    5. Measure the voltage between the starter motor connector and the engine ground.

    Connector & terminal 

    (B14) No. 1 (+) - Engine ground (-):

    Is the voltage 10 V or more?

    Yes: Check the starter motor. Ref. to STARTING/CHARGING SYSTEMS (H6DO)>STARTER .

    No: Go to  5 .

  5. CHECK HARNESS BETWEEN BATTERY AND IGNITION SWITCH CONNECTOR  .
    1. Turn the ignition switch to OFF.
    2. Disconnect the connector from ignition switch.
    3. Measure the voltage between battery and ignition switch connector.

    Connector & terminal 

    (i58) No. 4 (+) - Chassis ground (-):

    (B159) No. 2 (+) - Chassis ground (-):

    (i136) No. 38 (+) - Chassis ground (-):

    (i58) No. 5 (+) - Chassis ground (-):

    Is the voltage 10 V or more?

    Yes: Go to  6 .

    No: Repair the harness and connector.

    NOTE: In this case, repair the following item:
    • Open circuit of harness between battery and ignition switch connector
    • Blown out of fuse
    • Replacement of F/B
  6. CHECK IGNITION SWITCH  .

    Measure the resistance between ignition switch terminals after turning the ignition switch to START position.

    Terminals 

    No. 3 - No. 4:

    No. 5 - No. 7:

    Is the resistance less than 1 Ω?

    Yes: Go to  7 .

    No: Replace the ignition switch. Ref. to SECURITY AND LOCKS>IGNITION KEY LOCK>REPLACEMENT .

  7. CHECK F/B INPUT VOLTAGE  .
    1. Install the ignition switch.
    2. Place the select lever in "P" range or "N" range.
    3. Turn the ignition switch to START.
    4. Measure the voltage between F/B (starter relay) connector and engine ground.

    Connector & terminal 

    (i137) No. 8 (+) - Engine ground (-):

    (i137) No. 10 (+) - Engine ground (-):

    Is the voltage 10 V or more?

    Yes: Go to  8 .

    No: Repair the open circuit of harness between F/B (starter relay) connector and ignition switch connector.

  8. CHECK STARTER RELAY  .

    Check the starter relay. Ref. to STARTING/CHARGING SYSTEMS (H6DO)>STARTER .

    Is the check result OK?

    Yes: Go to  9 .

    No: Replace the F/B (starter relay).

  9. CHECK VOLTAGE OF F/B (STARTER RELAY) CONNECTOR  .
    1. Place the select lever in "P" range or "N" range.
    2. Turn the ignition switch to START.
    3. Measure the voltage between F/B (starter relay) connector and engine ground.

    Connector & terminal 

    (B158) No. 2 (+) - Engine ground (-):

    (B159) No. 4 (+) - Engine ground (-):

    Is the voltage 10 V or more?

    Yes: Go to  10 .

    No: Replace the F/B.

  10. CHECK INHIBITOR SWITCH  .

    Check the inhibitor switch. Ref. to CONTINUOUSLY VARIABLE TRANSMISSION(TR690)>INHIBITOR SWITCH>INSPECTION .

    Is the check result OK?

    Yes: Go to  11 .

    No: Replace the inhibitor switch. Ref. to CONTINUOUSLY VARIABLE TRANSMISSION(TR690)>INHIBITOR SWITCH>REMOVAL .

  11. CHECK INPUT SIGNAL OF INHIBITOR SWITCH  .
    1. Place the select lever in "P" range or "N" range.
    2. Turn the ignition switch to START.
    3. Measure the voltage between inhibitor switch connector and chassis ground.

    Connector & terminal 

    (T7) No. 9 (+) - Chassis ground (-):

    Is the voltage 10 V or more?

    Yes: Go to  12 .

    No: Repair the harness and connector.

    NOTE: In this case, repair the following item:
    • Open circuit in harness between F/B and inhibitor switch connector
    • Poor contact of coupling connector
  12. CHECK HARNESS BETWEEN ECM AND INHIBITOR SWITCH CONNECTOR  .
    1. Turn the ignition switch to OFF.
    2. Disconnect the connector from ECM.
    3. Measure the resistance of harness between ECM connector and inhibitor switch.

    Connector & terminal 

    (B134) No. 46 - (T7) No. 9:

    Is the resistance less than 1 Ω?

    Yes: Go to  13 .

    No: Repair the harness and connector.

    NOTE: In this case, repair the following item:
    • Open circuit in harness between ECM connector and inhibitor switch connector
    • Poor contact of coupling connector
  13. CHECK HARNESS BETWEEN ECM AND F/B (STARTER RELAY) CONNECTOR  .
    1. Turn the ignition switch to OFF.
    2. Disconnect the connector from ECM.
    3. Measure the resistance of harness between ECM connector and starter relay connector.

    Connector & terminal 

    (B134) No. 62 (+) - (B158) No. 2:

    Is the resistance less than 1 Ω?

    Yes: Replace the ECM.

    No: Repair the open circuit or short circuit to ground in harness between ECM connector and starter relay connector.