LEMON Manuals: Even more car manuals for everyone
Home >> Subaru >> 2019 >> Outback 2.5i >> Repair and Diagnosis >> External Pages >> Different variant/trim >> Section 7 (Engine Control System (3.6L) (Diagnostics - Introduction)) >> Diagnostics for Engine Starting Failure >> Starter Motor Circuit >> Model With Push Button Start

Model With Push Button Start

WARNING: This page is about a different variant/trim than selected.
CAUTION:

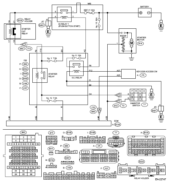
Wiring diagram: 

Engine Electrical System Ref. to WIRING SYSTEM>ENGINE ELECTRICAL SYSTEM>WIRING DIAGRAM .

G12410257Courtesy of SUBARU OF AMERICA, INC.
  1. CHECK BATTERY  .

    Check the battery. Ref. to STARTING/CHARGING SYSTEMS (H6DO)>BATTERY .

    Is the check result OK?

    Yes: Go to  2 .

    No: Charge or replace the battery. Ref. to STARTING/CHARGING SYSTEMS (H6DO)>BATTERY .

  2. CHECK OPERATION OF STARTER MOTOR  .

    Check the starter motor operation.

    Does the starter motor operate?

    Yes: Go to  3 .

    No: Go to  4 .

  3. CHECK DTC  .

    Read the engine DTC using the Subaru Select Monitor or general scan tool. Ref. to ENGINE (DIAGNOSTICS) (H6DO)>READ DIAGNOSTIC TROUBLE CODE (DTC) .

    Are any DTCs displayed? (Current malfunction) Ref. to ENGINE (DIAGNOSTICS) (H6DO)>READ DIAGNOSTIC TROUBLE CODE (DTC)>OPERATION .

    Yes: Check the appropriate DTC using the "List of Diagnostic Trouble Code (DTC)". Ref. to ENGINE (DIAGNOSTICS) (H6DO)>LIST OF DIAGNOSTIC TROUBLE CODE (DTC) .

    No: Check ignition control system. Ref. to ENGINE (DIAGNOSTICS) (H6DO)>DIAGNOSTICS FOR ENGINE STARTING FAILURE>IGNITION CONTROL SYSTEM .

  4. CHECK PUSH BUTTON IGNITION SWITCH  .

    Press the push button ignition switch twice with the ignition OFF (ACC OFF).

    NOTE: Release the brake pedal.

    Does the ignition turn to ON?

    Yes: Go to  5 .

    No: Check the push button start system. Ref. to KEYLESS ACCESS WITH PUSH BUTTON START SYSTEM (DIAGNOSTICS)>DIAGNOSTICS WITH PHENOMENON>LIST .

  5. CHECK PUSH BUTTON IGNITION SWITCH  .
    1. Depress the brake pedal.
      NOTE: Shift the select lever to "P" range.
    2. Check the push button ignition switch indicator.

    Does the indicator turn to green?

    Yes: Go to  6 .

    No: Check the push button start system. Ref. to KEYLESS ACCESS WITH PUSH BUTTON START SYSTEM (DIAGNOSTICS)>DIAGNOSTICS WITH PHENOMENON>LIST .

  6. CHECK START SWITCH SIGNAL  .
    1. Read the waveform of «Starter Switch» using the Subaru Select Monitor.
      NOTE: For detailed operation procedures, refer to "Current Data Display For Engine". Ref. to ENGINE (DIAGNOSTICS) (H6DO)>SUBARU SELECT MONITOR .
    2. Press the push button ignition switch once with the brake pedal depressed.

    Does waveform of the «Starter Switch» occur?

    Yes: Go to  10 .

    No: Go to  7 .

  7. CHECK HARNESS BETWEEN ECM AND KEYLESS ACCESS CONTROL MODULE  .
    1. Turn the ignition to OFF.
    2. Disconnect the connector from ECM.
    3. Disconnect the connector from the keyless access control module.
    4. Measure the resistance of harness between ECM connector and keyless access control module.

    Connector & terminal 

    (B134) No. 46 - (i75) No. 23:

    Is the resistance less than 1 Ω?

    Yes: Go to  8 .

    No: Repair the harness and connector.

    NOTE: In this case, repair the following item:
    • Open circuit of harness between ECM connector and keyless access control module connector
    • Poor contact of coupling connector
  8. CHECK HARNESS BETWEEN ECM AND KEYLESS ACCESS CONTROL MODULE  .

    Measure the resistance between ECM connector and chassis ground.

    Connector & terminal 

    (B134) No. 46 - Chassis ground:

    Is the resistance 1 MΩ or more?

    Yes: Go to  9 .

    No: Repair the short circuit to ground in harness between ECM connector and keyless access control module connector.

  9. CHECK START SWITCH SIGNAL  .
    1. Connect the connector to ECM.
    2. Connect the connector to the keyless access control module.
    3. Read the waveform of start switch signal using an oscilloscope.
    4. Press the push button ignition switch once with the brake pedal depressed.

    Connector & terminal 

    (B134) No. 46 (+) - Chassis ground (-):

    Does waveform of the start switch signal occur?

    Yes: Check for poor contact of ECM connector. If faulty, repair or replace. Go to  10 .

    No: Repair the poor contact of keyless access control module connector.

  10. CHECK INPUT SIGNAL FOR STARTER MOTOR  .
    1. Turn the ignition to OFF.
    2. Disconnect the connector from starter motor.
    3. Place the select lever in "P" range or "N" range.
    4. Press the push button ignition switch once with the brake pedal depressed.
    5. Measure the voltage between the starter motor connector and the engine ground.

    Connector & terminal 

    (B14) No. 1 (+) - Engine ground (-):

    Is the voltage 10 V or more?

    Yes: Check the starter motor. Ref. to STARTING/CHARGING SYSTEMS (H6DO)>STARTER .

    No: Go to  11 .

  11. CHECK POWER SUPPLY OF IG2 RELAY  .
    1. Remove the IG2 relay.
    2. Turn the ignition to ON.
    3. Measure the voltage between F/B (IG2 relay) terminal and chassis ground.

    Connector & terminal 

    (B56) No. 8 (+) - Chassis ground (-):

    (i137) No. 12 (+) - Chassis ground (-):

    Is the voltage 10 V or more?

    Yes: Go to  12 .

    No: Check the following item and repair or replace if necessary.

    • Blown out of fuse (F/B No. 5) (M/B No. 15)
    • Open circuit or short circuit to ground in harness between F/B (IG2 relay) terminal and power supply circuit
    • Open circuit or short circuit to ground in harness between F/B (IG2 relay) terminal and keyless access connector
    • Poor contact of coupling connector
    • Blown out of fuse
  12. CHECK F/B (IG2 RELAY)  .

    Check the F/B (IG2 relay). Ref. to SECURITY AND LOCKS>RELAY AND FUSE .

    Is the resistance less than 1 Ω?

    Yes: Go to  13 .

    No: Replace the IG2 relay. Ref. to SECURITY AND LOCKS>RELAY AND FUSE .

  13. CHECK POWER SUPPLY OF F/B (IG2 RELAY) CONNECTOR  .
    1. Install the F/B (IG2 relay).
    2. Remove the F/B (IG2 relay) connector (B158).
    3. Remove the F/B (IG2 relay) connector (B152).
    4. Remove the F/B (IG2 relay) connector (i136).
    5. Measure the voltage between F/B (IG2 relay) connectors (B158), (B152) and (i136) and chassis ground.

    Connector & terminal 

    (B158) No. 3 (+) - Chassis ground (-):

    (B152) No. 2 (+) - Chassis ground (-):

    (i136) No. 6 (+) - Chassis ground (-):

    Is the voltage 10 V or more?

    Yes: Go to  14 .

    No: Replace the F/B unit.

  14. CHECK HARNESS BETWEEN F/B (IG2 RELAY) TERMINAL AND CHASSIS GROUND  .
    1. Turn the ignition to OFF.
    2. Measure the resistance of the harness between F/B (IG2 relay) terminal and chassis ground.

    Connector & terminal 

    (B158) No. 3 - Chassis ground:

    (i136) No. 6 - Chassis ground:

    Is the resistance less than 5 Ω?

    Yes: Go to  15 .

    No: Repair the open circuit of the harness between F/B (IG2 relay) terminal and chassis ground, or replace the harness.

  15. CHECK IG RELAY 1 (PUSH BUTTON START) POWER SUPPLY  .
    1. Remove the M/B IG relay 1 (push button start).
    2. Turn the ignition to ON.
    3. Measure the voltage between the M/B IG relay 1 (push button start) terminals No. 1 and No. 2 and the chassis ground.

    Terminals 

    No. 1 (+) - Chassis ground (-):

    No. 2 (+) - Chassis ground (-):

    Is the voltage 10 V or more?

    Yes: Go to  16 .

    No: Check the following item and repair or replace if necessary.

    • Blown out of fuse (F/B No. 5)
    • Open circuit or short circuit to ground in harness between IG relay 1 (push button start) connector and F/B connector
    • Open circuit or short circuit to ground in harness between IG relay 1 (push button start) connector and battery
  16. CHECK HARNESS BETWEEN M/B IG RELAY 1 (PUSH BUTTON START) TERMINAL AND CHASSIS GROUND  .
    1. Turn the ignition to OFF.
    2. Measure the resistance of harness between the IG relay 1 (push button start) terminal and chassis ground.

    Terminals 

    No. 4 - Chassis ground:

    Is the resistance less than 5 Ω?

    Yes: Go to  17 .

    No Repair the open circuit in harness between the IG relay 1 (push button start) connector and chassis ground.

  17. CHECK M/B IG RELAY 1 (PUSH BUTTON START)  .
    1. Connect the battery to M/B IG relay 1 (push button start) terminals No. 2 and No. 4.
    2. Measure the resistance between M/B IG relay 1 (push button start) terminals.

    Terminals 

    No. 1 - No. 3:

    Is the resistance less than 1 Ω?

    Yes: Go to  18 .

    No: Replace the IG relay 1 (push button start). Ref. to SECURITY AND LOCKS>RELAY AND FUSE .

  18. CHECK HARNESS BETWEEN ECM AND STARTER CUT RELAY CONNECTOR  .
    1. Disconnect the connector from ECM.
    2. Measure the resistance between starter cut relay connector and chassis ground.

    Connector & terminal 

    (B220) No. 17 - Chassis ground:

    Is the resistance 1 MΩ or more?

    Yes: Go to  19 .

    No: Repair the short circuit to ground in harness between ECM connector and starter cut relay connector.

  19. CHECK STARTER CUT RELAY  .

    Measure the resistance between starter cut relay terminals.

    Terminals 

    No. 18 - No. 21:

    Is the resistance less than 1 Ω?

    Yes: Go to  20 .

    No: Replace the starter cut relay. Ref. to SECURITY AND LOCKS>RELAY AND FUSE .

  20. CHECK HARNESS BETWEEN STARTER CUT RELAY CONNECTOR AND F/B (STARTER RELAY) CONNECTOR  .
    1. Remove the starter relay.
    2. Measure the resistance of harness between starter cut relay connector and starter relay connector.

    Connector & terminal 

    (B220) No. 18 - (i137) No. 8:

    Is the resistance less than 1 Ω?

    Yes: Go to  21 .

    No: Check the following item and repair or replace if necessary.

    • Blown out of fuse (F/B No. 1)
    • Open circuit of harness between starter cut relay connector and F/B (starter relay) connector
  21. CHECK F/B (STARTER RELAY)  .

    Check the F/B (starter relay). Ref. to SECURITY AND LOCKS>RELAY AND FUSE .

    Is the resistance less than 1 Ω?

    Yes: Go to  22 .

    No: Replace the starter relay (push button start). Ref. to SECURITY AND LOCKS>RELAY AND FUSE .

  22. CHECK F/B (STARTER RELAY) POWER SUPPLY  .
    1. Install the F/B (starter relay).
    2. Disconnect the F/B (starter relay) connector (B158).
    3. Measure the voltage between F/B (starter relay) main unit (B158) terminal No. 2 and chassis ground.

    Connector & terminal 

    (B158) No. 2 (+) - Chassis ground (-):

    Is the voltage 10 V or more?

    Yes: Go to  23 .

    No: Replace the F/B unit.

  23. CHECK HARNESS BETWEEN ECM AND F/B (STARTER RELAY) CONNECTOR  .

    Measure the resistance of harness between ECM connector and starter relay connector.

    Connector & terminal 

    (B134) No. 62 - (B158) No. 2:

    Is the resistance less than 1 Ω?

    Yes: Go to  24 .

    No: Repair the open circuit of harness between ECM connector and starter relay connector.

  24. CHECK HARNESS BETWEEN F/B (STARTER RELAY) CONNECTORS (B158) AND (B159)  .
    1. Remove the F/B (starter relay).
    2. Measure the resistance between F/B (starter relay) connector (B158) and (B159).

    Connector & terminal 

    (B158) No. 5 - (B159) No. 4:

    Is the resistance less than 1 Ω?

    Yes: Go to  25 .

    No: Check the fuse (F/B No. 12). If a fault is not found, replace the F/B unit.

  25. CHECK HARNESS BETWEEN STARTER RELAY CONNECTOR AND INHIBITOR SWITCH CONNECTOR  .
    1. Disconnect the connector from inhibitor switch.
    2. Measure the resistance of harness between starter relay connector and inhibitor switch connector.

    Connector & terminal 

    (B159) No. 4 - (T7) No. 6:

    Is the resistance less than 1 Ω?

    Yes: Go to  26 .

    No: Repair the harness and connector.

    NOTE: In this case, repair the following item:
    • Open circuit in harness between starter relay connector and inhibitor switch connector
    • Poor contact of coupling connector
  26. CHECK INHIBITOR SWITCH  .
    1. Place the select lever in "P" range or "N" range.
    2. Measure the resistance between inhibitor switch terminals.

    Terminals 

    No. 6 - No. 9:

    Is the resistance less than 1 Ω?

    Yes: Go to  27 .

    No: Replace the inhibitor switch. Ref. to CONTINUOUSLY VARIABLE TRANSMISSION(TR690)>INHIBITOR SWITCH .

  27. CHECK HARNESS BETWEEN ECM AND INHIBITOR SWITCH CONNECTOR  .
    1. Disconnect the connector from ECM.
    2. Measure the resistance of harness between ECM connector and inhibitor switch connector.

    Connector & terminal 

    (B134) No. 5 - (T7) No. 6:

    Is the resistance less than 1 Ω?

    Yes: Go to  28 .

    No: Repair the harness and connector.

    NOTE: In this case, repair the following item:
    • Open circuit in harness between ECM connector and inhibitor switch connector
    • Poor contact of coupling connector
  28. CHECK NEUTRAL POSITION SWITCH SIGNAL  .
    1. Connect all relays to their proper positions.
    2. Connect all connectors to their proper positions.
    3. Read the value of «Neutral Position Switch» using the Subaru Select Monitor.
      NOTE: For detailed operation procedures, refer to "Current Data Display For Engine". Ref. to ENGINE (DIAGNOSTICS) (H6DO)>SUBARU SELECT MONITOR .
    4. Turn the ignition to ON.
    5. Place the select lever in "P" range or "N" range.

    Is «Neutral» displayed?

    Yes: Check the engine control module (ECM) power supply and ground line. Ref. to ENGINE (DIAGNOSTICS) (H6DO)>DIAGNOSTICS FOR ENGINE STARTING FAILURE>CHECK POWER SUPPLY AND GROUND LINE OF ENGINE CONTROL MODULE (ECM) .

    No: Repair the harness and connector.

    NOTE: In this case, repair the following item:
    • Open circuit in harness between inhibitor switch connector and starter motor connector
    • Poor contact of coupling connector