LEMON Manuals: Even more car manuals for everyone
Home >> Subaru >> 2019 >> Outback 2.5i >> Repair and Diagnosis >> Engine Performance >> System >> Engine Control System (2.5L) (Diagnostics - Introduction) >> Diagnostics for Engine Starting Failure >> Starter Motor Circuit >> Model Without Push Button Start

Model Without Push Button Start

CAUTION:

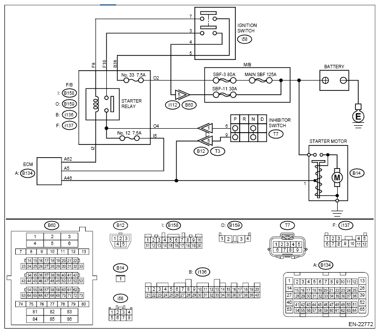
Wiring diagram: 

Engine Electrical System. Ref. to WIRING SYSTEM>ENGINE ELECTRICAL SYSTEM>WIRING DIAGRAM .

G12411488Courtesy of SUBARU OF AMERICA, INC.
  1. CHECK BATTERY  .

    Check the battery. Ref. to STARTING/CHARGING SYSTEMS (H4DO)>BATTERY .

    Is the check result OK?

    Yes 

    Go to  2 .

    No 

    Charge or replace the battery. Ref. to STARTING/CHARGING SYSTEMS (H4DO)>BATTERY .

  2. CHECK OPERATION OF STARTER MOTOR  .

    Check the starter motor operation.

    Does the starter motor operate?

    Yes 

    Go to  3 .

    No 

    Go to  4 .

  3. CHECK DTC  .

    Read the engine DTC using the Subaru Select Monitor or general scan tool. Ref. to ENGINE (DIAGNOSTICS) (H4DO)>READ DIAGNOSTIC TROUBLE CODE (DTC) .

    Are any DTCs displayed? (Current malfunction). Ref. to ENGINE (DIAGNOSTICS) (H4DO)>READ DIAGNOSTIC TROUBLE CODE (DTC)>OPERATION .

    Yes 

    Check the appropriate DTC using the "List of Diagnostic Trouble Code (DTC)". Ref. to ENGINE (DIAGNOSTICS) (H4DO)>LIST OF DIAGNOSTIC TROUBLE CODE 

    No 

    Check ignition control system. Ref. to ENGINE (DIAGNOSTICS) (H4DO)>DIAGNOSTICS FOR ENGINE STARTING FAILURE>IGNITION CONTROL SYSTEM .

  4. CHECK INPUT SIGNAL FOR STARTER MOTOR  .
    1. Turn the ignition switch to OFF.
    2. Disconnect the connector from starter motor.
    3. Turn the ignition switch to START.
    4. Measure the voltage between the starter motor connector and the engine ground.

      Connector & terminal 

      (B14) No. 1 (+) - Engine ground (-):

      NOTE: Place the select lever in "P" range or "N" range.

      Is the voltage 10 V or more?

      Yes 

      Check the starter motor. Ref. to STARTING/CHARGING SYSTEMS (H4DO)>STARTER .

      No 

      Go to  5 .

  5. CHECK HARNESS BETWEEN BATTERY AND IGNITION SWITCH CONNECTOR  .
    1. Turn the ignition switch to OFF.
    2. Disconnect the connector from ignition switch.
    3. Measure the power supply voltage between ignition switch connector and chassis ground.

      Connector & terminal 

      (i58) No. 4 (+) - Chassis ground (-):

      (B159) No. 2 (+) - Chassis ground (-):

      (i136) No. 38 (+) - Chassis ground (-):

      (i58) No. 5 (+) - Chassis ground (-):

      Is the voltage 10 V or more?

      Yes 

      Go to  6 .

      No 

      Check the harnesses and connectors, and repair or replace them if necessary.

      NOTE: In this case, repair the following item:
      • Open circuit of harness between battery and ignition switch connector
      • Blown out of fuse
      • Replacement of F/B
  6. CHECK IGNITION SWITCH  .

    Measure the resistance between ignition switch terminals after turning the ignition switch to

    START position.

    Terminals 

    No. 4 - No. 3:

    No. 5 - No. 7:

    Is the resistance less than 1 Ω?

    Yes 

    Go to  7 .

    No 

    Replace the ignition switch. Ref. to SECURITY AND LOCKS>IGNITION KEY LOCK>REPLACEMENT .

  7. CHECK INPUT VOLTAGE OF STARTER RELAY  .
    1. Turn the ignition switch to OFF.
    2. Remove the starter relay.
    3. Connect the connector to ignition switch.
    4. Turn the ignition switch to START position, and measure the voltage between F/B (starter relay) connector and chassis ground.

      Connector & terminal 

      (i137) No. 8 (+) - Chassis ground (-):

      (i137) No. 10 (+) - Chassis ground (-):

      Is the voltage 10 V or more?

      Yes 

      Go to  8 .

      No 

      Check the following item and repair if necessary.

      • Blown out of fuse
      • Open circuit or short circuit to ground in harness between F/B (starter relay) and ignition switch connector
  8. CHECK STARTER RELAY  .

    Check the starter relay. Ref. to STARTING/CHARGING SYSTEMS (H4DO)>STARTER RELAY .

    Is the check result OK?

    Yes 

    Go to  9 .

    No 

    Replace the F/B (starter relay).

  9. CHECK VOLTAGE OF F/B (STARTER RELAY) CONNECTOR  .
    1. Turn the ignition switch to START.
    2. Measure the voltage between F/B (starter relay) connector and chassis ground.

      Connector & terminal 

      (B159) No. 4 (+) - Chassis ground (-):

      NOTE: Place the select lever in "P" range or "N" range.

      Is the voltage 10 V or more?

      Yes 

      Go to  10 .

      No 

      Replace the F/B.

  10. CHECK HARNESS BETWEEN ECM AND STARTER RELAY CONNECTOR  .
    1. Turn the ignition switch to OFF.
    2. Disconnect the connector from ECM.
    3. Measure the resistance of harness between ECM connector and F/B (starter relay) connector.

      Connector & terminal 

      (B134) No. 62 - (B158) No. 2:

      Is the resistance less than 1 Ω?

      Yes 

      Go to  11 .

      No 

      Repair the open circuit of harness between ECM connector and starter relay connector.

  11. CHECK HARNESS BETWEEN STARTER RELAY AND INHIBITOR SWITCH CONNECTOR  .
    1. Turn the ignition switch to OFF.
    2. Disconnect the connector from inhibitor switch.
    3. Measure the resistance of harness between F/B (starter relay) connector and inhibitor switch connector.

      Connector & terminal 

      (B159) No. 4 - (T7) No. 6:

      Is the resistance less than 1 Ω?

      Yes 

      Go to  12 .

      No 

      Repair the harness and connector.

      NOTE: In this case, repair the following item:
      • Open circuit in harness between F/B (starter relay) connector and inhibitor switch connector
      • Poor contact of coupling connector
  12. CHECK HARNESS BETWEEN INHIBITOR SWITCH AND STARTER MOTOR  .

    Measure the resistance of harness between the inhibitor switch connector and starter motor.

    Connector & terminal 

    (T7) No. 9 - (B14) No. 1:

    Is the resistance less than 1 Ω?

    Yes 

    Go to  13 .

    No 

    Repair the harness and connector.

    NOTE: In this case, repair the following item:
    • Open circuit in harness between inhibitor switch connector and starter motor
    • Poor contact of coupling connector
  13. CHECK INHIBITOR SWITCH  .
    1. Place the select lever in "P" range and "N" range.
    2. Measure the resistance between inhibitor switch terminals.

      Terminals 

      No. 6 - No. 9:

      Is the resistance less than 1 Ω?

      Check the engine control module (ECM) power supply and ground line. Ref. to ENGINE (DIAGNOSTICS) (H4DO)>DIAGNOSTICS FOR ENGINE STARTING FAILURE>CHECK POWER SUPPLY AND GROUND LINE OF ENGINE CONTROL MODULE (ECM) .

      Replace the inhibitor switch. Ref. to CONTINUOUSLY VARIABLE TRANSMISSION(TR580)>INHIBITOR SWITCH .