LEMON Manuals: Even more car manuals for everyone
Home >> Subaru >> 2019 >> Outback 2.5i >> Repair and Diagnosis >> Engine Performance >> System >> Engine Control System (2.5L) (Diagnostics - Introduction) >> Diagnostics for Engine Starting Failure >> Check Power Supply And Ground Line Of Engine Control Module (ECM)

Check Power Supply And Ground Line Of Engine Control Module (ECM)

CAUTION:

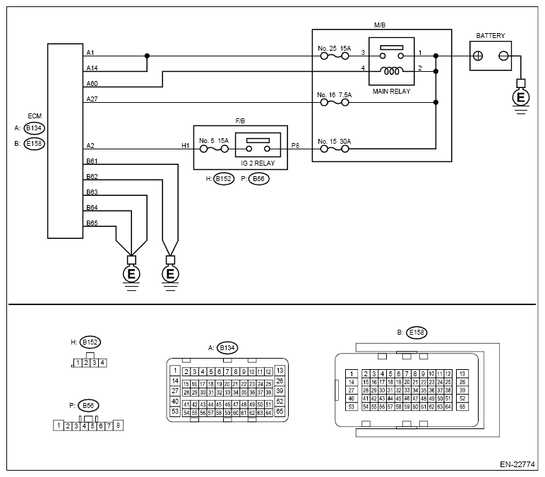
Wiring diagram: 

Engine Electrical System. Ref. to WIRING SYSTEM>ENGINE ELECTRICAL SYSTEM>WIRING DIAGRAM .

G12409979Courtesy of SUBARU OF AMERICA, INC.
  1. CHECK MAIN RELAY  .
    1. Turn the ignition switch to OFF.
    2. Remove the main relay.
    3. Check the main relay. Ref. to FUEL INJECTION (FUEL SYSTEMS) (H4DO)>MAIN RELAY>INSPECTION .

      Is the check result OK?

      Yes 

      Go to  2 .

      No 

      Replace the main relay. Ref. to FUEL INJECTION (FUEL SYSTEMS) (H4DO)>MAIN RELAY .

  2. CHECK GROUND CIRCUIT FOR ECM  .
    1. Disconnect the connector from ECM.
    2. Measure the resistance of harness between ECM connector and chassis ground.

      Connector & terminal 

      (E158) No. 61 - Chassis ground:

      (E158) No. 62 - Chassis ground:

      (E158) No. 63 - Chassis ground:

      (E158) No. 64 - Chassis ground:

      (E158) No. 65 - Chassis ground:

      Is the resistance less than 5 Ω?

      Yes 

      Go to  3 .

      No 

      Open circuit of harness between ECM connector and engine ground terminal

  3. CHECK INPUT VOLTAGE OF ECM  .
    1. Turn the ignition switch to ON.
    2. Measure the voltage between ECM connector and chassis ground.

      Connector & terminal 

      (B134) No. 2 (+) - Chassis ground (-):

      (B134) No. 27 (+) - Chassis ground (-):

      Is the voltage 10 V or more?

      Yes 

      Go to  4 .

      No 

      Repair the open or ground short in the harness of power supply circuit.

  4. CHECK INPUT VOLTAGE OF MAIN RELAY  .

    Measure the voltage between M/B (main relay) terminal and chassis ground. Terminals 

    No. 1 (+) - Chassis ground (-):

    No. 2 (+) - Chassis ground (-):

    Is the voltage 10 V or more?

    Yes 

    Go to  5 .

    No 

    Repair the open or ground short in the harness of power supply circuit.

  5. CHECK INPUT VOLTAGE OF ECM  .
    1. Turn the ignition switch to OFF.
    2. Install the main relay.
    3. Measure the voltage between ECM connector and chassis ground.

      Connector & terminal 

      (B134) No. 60 (+) - Chassis ground (-):

      Is the voltage 10 V or more?

      Yes 

      Go to  6 .

      No 

      Repair the open circuit of harness between ECM connector and M/B (main relay) terminal.

  6. CHECK INPUT VOLTAGE OF ECM  .
    1. Connect the connector to ECM.
    2. Turn the ignition switch to ON.
    3. Measure the voltage between ECM connector and chassis ground.

      Connector & terminal 

      (B134) No. 1 (+) - Chassis ground (-):

      (B134) No. 14 (+) - Chassis ground (-):

      Is the voltage 10 V or more?

      Yes 

      Check ignition control system. Ref. to ENGINE (DIAGNOSTICS) (H4DO)>DIAGNOSTICS FOR ENGINE STARTING FAILURE>IGNITION CONTROL SYSTEM .

      No 

      Repair the harness and connector.

      NOTE: In this case, repair the following item:
      • Open circuit of harness between ECM connector and M/B (main relay) connector
      • Poor contact of M/B (main relay) connector
      • Poor contact of ECM connector