LEMON Manuals: Even more car manuals for everyone
Home >> Subaru >> 2019 >> Forester Base >> Repair and Diagnosis (Single Page) >> Engine Performance >> Testing & Diagnosis >> Engine Control System (Diagnostics) (2 Of 4) >> Diagnostic Procedure with Diagnostic Trouble Code (DTC) >> DTC P0606: Control Module Processor >> General Description >> Component Description

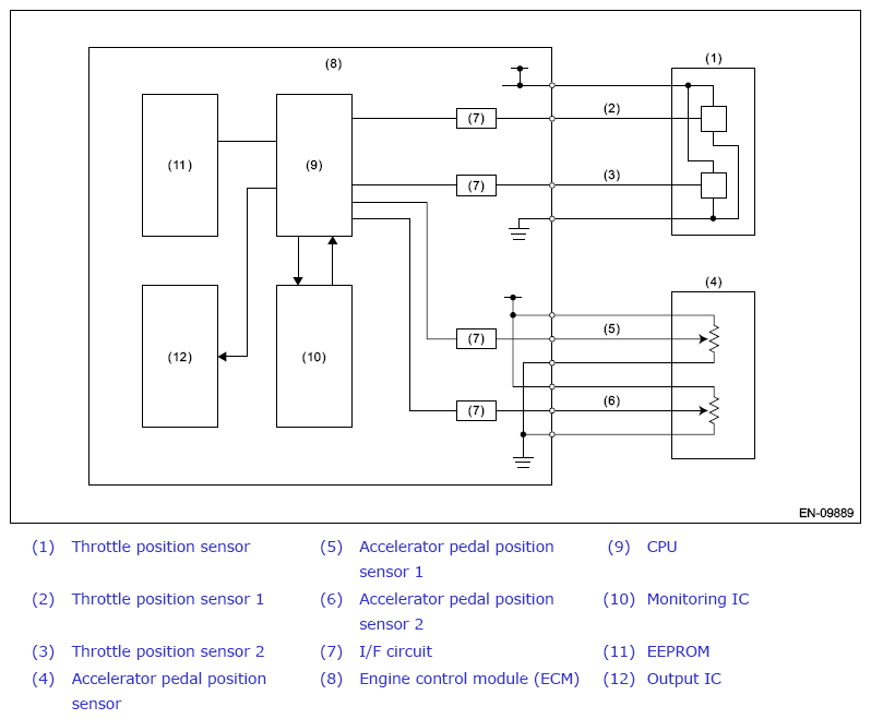
Component Description

G13227909Courtesy of SUBARU OF AMERICA, INC.