LEMON Manuals: Even more car manuals for everyone
Home >> Subaru >> 2019 >> Crosstrek Base, Standard Trans >> Repair and Diagnosis >> External Pages >> Different variant/trim >> Section 8 (OEM Wiring Diagrams W/ Connector End Views & Fuse/Relay Locations (CROSSTREK Model (HEV))) >> Keyless Access With Push Button Start System >> Wiring Diagram

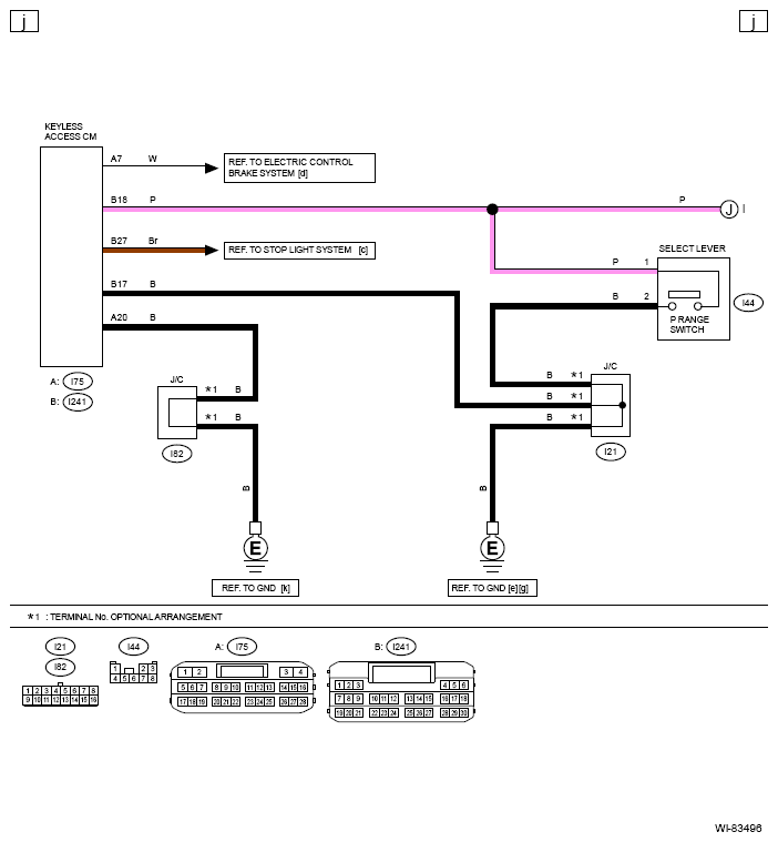
Keyless Access With Push Button Start System: Wiring Diagram

WARNING: This page is about a different variant/trim than selected.
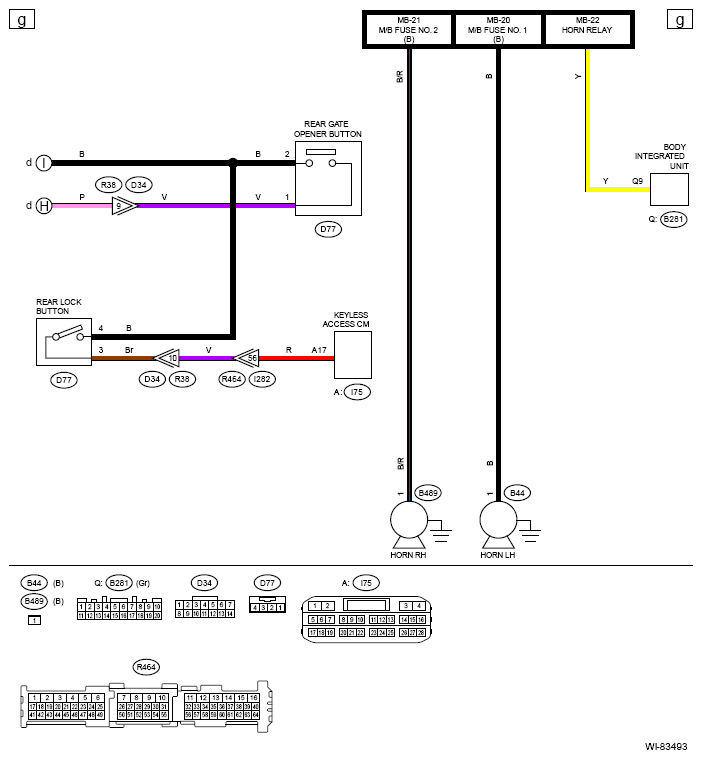
G13236592Courtesy of SUBARU OF AMERICA, INC.
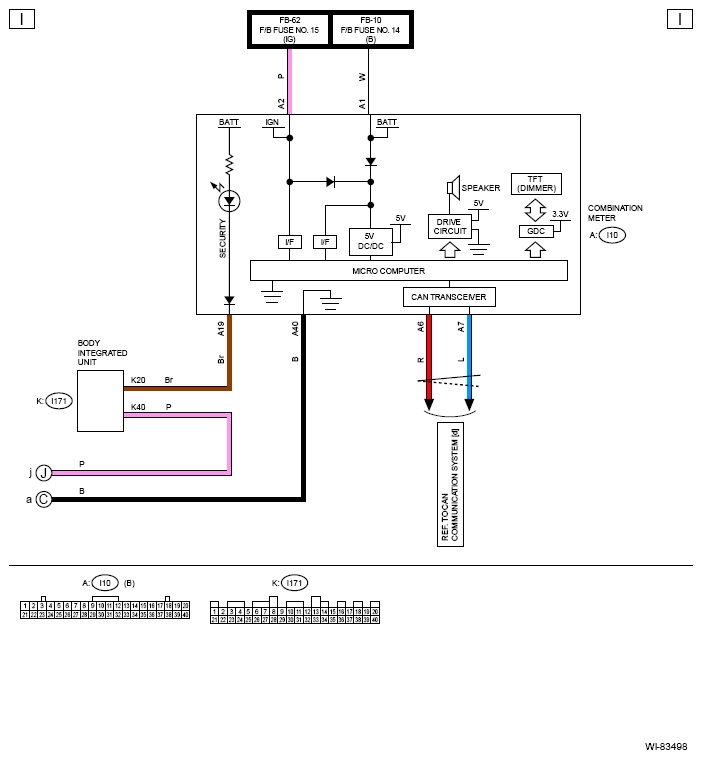
G13236593Courtesy of SUBARU OF AMERICA, INC.
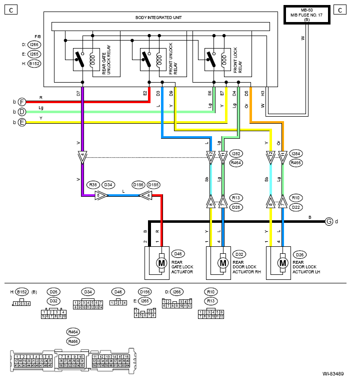
G13236594Courtesy of SUBARU OF AMERICA, INC.
G13236595Courtesy of SUBARU OF AMERICA, INC.
G13236596Courtesy of SUBARU OF AMERICA, INC.
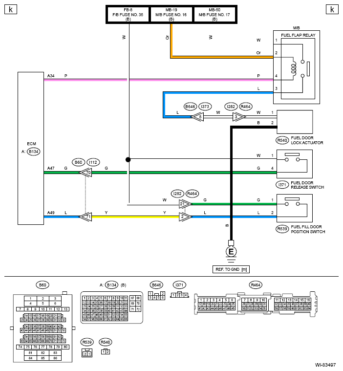
G13236597Courtesy of SUBARU OF AMERICA, INC.
G13236598Courtesy of SUBARU OF AMERICA, INC.
G13236599Courtesy of SUBARU OF AMERICA, INC.
G13236600Courtesy of SUBARU OF AMERICA, INC.
G13236601Courtesy of SUBARU OF AMERICA, INC.
G13236602Courtesy of SUBARU OF AMERICA, INC.
G13236603Courtesy of SUBARU OF AMERICA, INC.