LEMON Manuals: Even more car manuals for everyone
Home >> Subaru >> 2019 >> BRZ Series.Gray >> Repair and Diagnosis >> Engine Performance >> System >> Engine Control System (Diagnostics) (System & Circuit Tests) >> EFI System (FA20) >> Starter System (Models With Smart Entry & Start System) >> Circuit figure

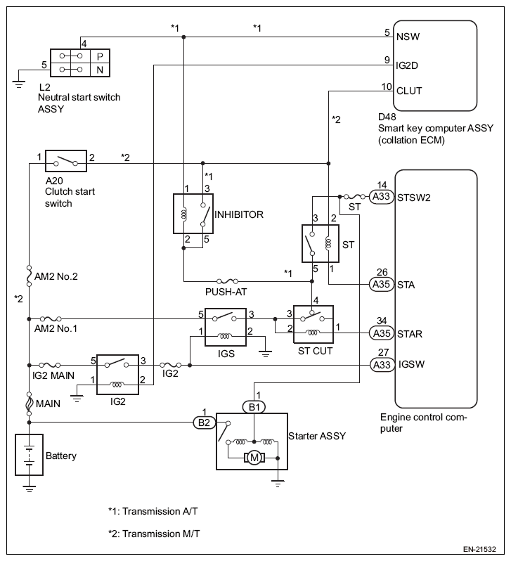
Circuit figure

G12586338Courtesy of SUBARU OF AMERICA, INC.