LEMON Manuals: Even more car manuals for everyone
Home >> Subaru >> 2019 >> Ascent Base >> Repair and Diagnosis (Single Page) >> Engine Performance >> System >> Engine Control System (Diagnostics) (4 Of 4) >> Diagnostic Procedure with Diagnostic Trouble Code (DTC) >> DTC P2530: Ignition Switch Run Position Circuit >> Notes

DTC P2530: Ignition Switch Run Position Circuit: Notes

DTC detecting condition: 

Immediately at fault recognition

Trouble symptom: 

Improper idling

CAUTION: Use the check board when measuring the ECM terminal voltage and resistance. Ref. to ENGINE (DIAGNOSTICS) (H4DOTC)>GENERAL DESCRIPTION>PREPARATION TOOL>HOW TO USE CHECK BOARD .
NOTE: After the faulty parts are repaired or replaced, perform the final check in Basic Diagnostic Procedure. Ref. to ENGINE (DIAGNOSTICS) (H4DOTC)>BASIC DIAGNOSTIC PROCEDURE>PROCEDURE .

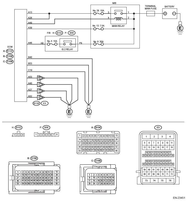
Wiring diagram: 

Engine Electrical System Ref. to WIRING SYSTEM>ENGINE ELECTRICAL SYSTEM .

G13202567Courtesy of SUBARU OF AMERICA, INC.
  1. CHECK ECM CONNECTOR. 

    Check the connecting condition of ECM connector.

    Is the ECM connector correctly connected?

    Yes  : Go to  2.

    No  : Connect the ECM connector correctly.

  2. CHECK INPUT VOLTAGE OF ECM. 
    1. Turn the ignition switch to ON.
    2. Measure the voltage between ECM connector and engine ground while wiggling the harness between ECM connector and F/B connector.

      Connector and terminal. 

      (B134) No. 46 (+) - Engine ground (-):

    Is the voltage 8 V or more all the time?

    Yes  : Even if DTC is detected, the circuit has returned to a normal condition at this time. Reproduce the failure, and then perform the diagnosis again.

    NOTE: In this case, the following items may be the cause of fault.
    • Poor contact of ECM connector
    • Poor contact of F/B connector
    • Poor contact of IG2 relay

    No  : Repair the following item.

    • Blown out of fuse
    • Open circuit or short circuit to ground in harness between M/B and F/B connector
    • Open circuit or short circuit to ground in harness between F/B connector and ECM connector
    • Poor contact of F/B connector
    • Defective IG2 relay
    • Poor contact of IG2 relay