LEMON Manuals: Even more car manuals for everyone
Home >> Subaru >> 2019 >> Ascent Base >> Repair and Diagnosis (Single Page) >> Engine Performance >> System >> Engine Control System (Diagnostics) (2 Of 4) >> Diagnostic Procedure with Diagnostic Trouble Code (DTC) >> DTC P0327: Knock/Combustion Vibration Sensor 1 Circuit Low Bank 1 Or Single Sensor >> Notes

DTC P0327: Knock/Combustion Vibration Sensor 1 Circuit Low Bank 1 Or Single Sensor: Notes

DTC detecting condition: 

Immediately at fault recognition

Trouble symptom: 

CAUTION: Use the check board when measuring the ECM terminal voltage and resistance. Ref. to ENGINE (DIAGNOSTICS) (H4DOTC)>GENERAL DESCRIPTION>PREPARATION TOOL>HOW TO USE CHECK BOARD .
NOTE: After the faulty parts are repaired or replaced, perform the final check in Basic Diagnostic Procedure. Ref. to ENGINE (DIAGNOSTICS) (H4DOTC)>BASIC DIAGNOSTIC PROCEDURE>PROCEDURE .

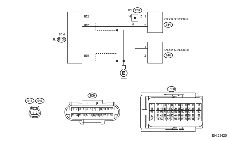
Wiring diagram: 

Engine Electrical System Ref. to WIRING SYSTEM>ENGINE ELECTRICAL SYSTEM .

G13202485Courtesy of SUBARU OF AMERICA, INC.
  1. CHECK HARNESS BETWEEN ECM AND KNOCK SENSOR CONNECTOR. 
    1. Turn the ignition switch to OFF.
    2. Disconnect the connector from ECM.
    3. Measure the resistance between ECM connectors.

      Connector and terminal. 

      (E158) No. 22 - (E158) No. 42:

    Is the resistance less than 500 kΩ?

    Yes:  Go to  2.

    No:  Go to  3.

  2. CHECK KNOCK SENSOR. 
    1. Disconnect the connector from the knock sensor.
    2. Measure the resistance between knock sensor connectors.

      Terminals. 

      No. 1 - No. 2:

    Is the resistance less than 500 kΩ?

    Yes:  Replace the knock sensor. Ref. to FUEL INJECTION (FUEL SYSTEMS) (H4DOTC)>KNOCK SENSOR .

    No:  Repair the short circuit to ground in harness between ECM connector and knock sensor connector.

    NOTE: The harness between both connectors are shielded. Remove the shield and repair the short circuit of harness.
  3. CHECK INPUT SIGNAL OF ECM. 
    1. Connect the ECM.
    2. Turn the ignition switch to ON.
    3. Measure the voltage between ECM connector and engine ground.

      Connector and terminal. 

      (E158) No. 42 (+) - Engine ground (-):

    Is the voltage 2 V or more?

    Yes:  Even if DTC is detected, the circuit has returned to a normal condition at this time. Reproduce the failure, and then perform the diagnosis again.

    NOTE: In this case, temporary poor contact of connector, temporary open or short circuit of harness may be the cause.

    No:  Repair the short circuit to ground in harness between ECM connector and knock sensor connector.

    NOTE: The harness between both connectors are shielded. Remove the shield and repair the short circuit of harness.