LEMON Manuals: Even more car manuals for everyone
Home >> Subaru >> 2019 >> Ascent Base >> Repair and Diagnosis (Single Page) >> Engine Performance >> System >> Engine Control System (Diagnostics) (1 Of 4) >> Diagnostic Procedure with Diagnostic Trouble Code (DTC) >> DTC P0141: O2 Sensor Heater Circuit Bank 1 Sensor 2 >> Notes

DTC P0141: O2 Sensor Heater Circuit Bank 1 Sensor 2: Notes

DTC detecting condition: 

Detected when two consecutive driving cycles with fault occur.

CAUTION: Use the check board when measuring the ECM terminal voltage and resistance. Ref. to ENGINE (DIAGNOSTICS) (H4DOTC)>GENERAL DESCRIPTION>PREPARATION TOOL>HOW TO USE CHECK BOARD .
NOTE: After the faulty parts are repaired or replaced, perform the final check in Basic Diagnostic Procedure. Ref. to ENGINE (DIAGNOSTICS) (H4DOTC)>BASIC DIAGNOSTIC PROCEDURE>PROCEDURE .

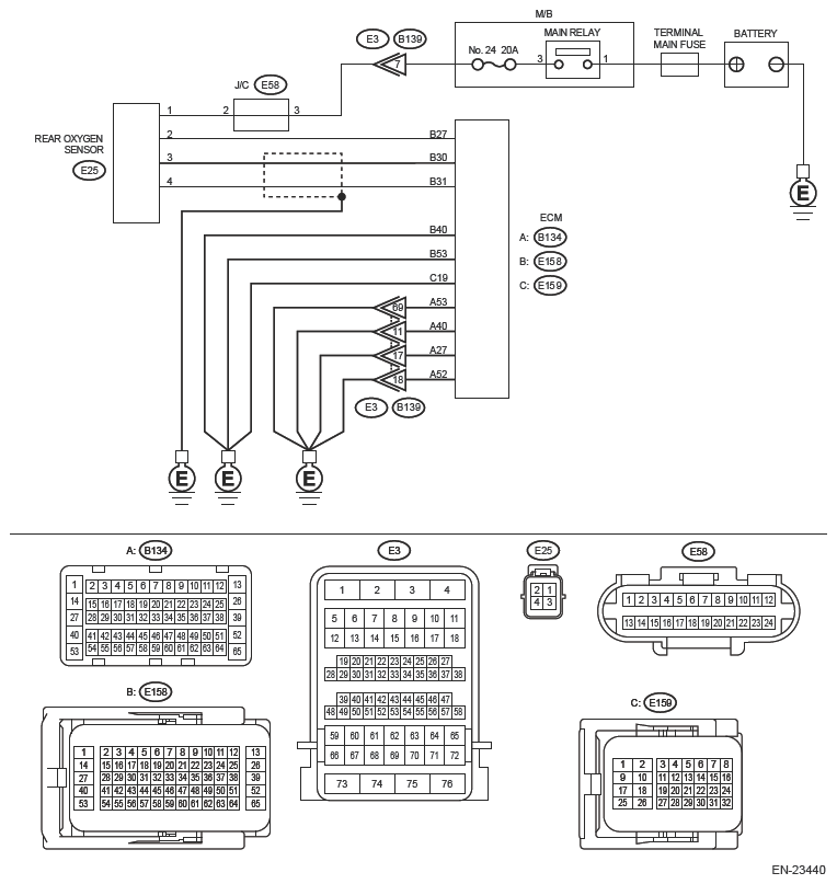
Wiring diagram: 

Engine Electrical System Ref. to WIRING SYSTEM>ENGINE ELECTRICAL SYSTEM .

G13202383Courtesy of SUBARU OF AMERICA, INC.
  1. CHECK REAR OXYGEN SENSOR POWER SUPPLY. 
    1. Turn the ignition switch to OFF.
    2. Disconnect the connector from the rear oxygen sensor.
    3. Turn the ignition switch to ON.
    4. Measure the voltage between rear oxygen sensor connector and engine ground.

      Connector and terminal. 

      (E25) No. 1 (+) - Engine ground (-):

    Is the voltage 10 V or more?

    Yes  : Go to  2.

    No  : Repair the following item.

    • Open circuit in harness between M/B and rear oxygen sensor connector
    • Poor contact of J/C
    • Poor contact of coupling connector
    • Blown out of fuse
  2. CHECK HARNESS BETWEEN ECM AND REAR OXYGEN SENSOR CONNECTOR (OPEN). 
    1. Turn the ignition switch to OFF.
    2. Disconnect the connector from ECM.
    3. Measure the resistance between ECM connector and rear oxygen sensor connector.

      Connector and terminal. 

      (E25) No. 2 - (E158) No. 27:

    Is the resistance less than 1 Ω?

    Yes  : Go to  3.

    No  : Repair the open circuit of harness between ECM connector and rear oxygen sensor connector.

  3. CHECK GROUND CIRCUIT FOR ECM. 

    Measure the resistance of harness between ECM connector and engine ground.

    Connector and terminal. 

    (B134) No. 27 - Engine ground:

    (B134) No. 40 - Engine ground:

    (B134) No. 52 - Engine ground:

    (B134) No. 53 - Engine ground:

    (E158) No. 40 - Engine ground:

    (E158) No. 53 - Engine ground:

    (E159) No. 19 - Engine ground:

    Is the resistance less than 5 Ω?

    Yes  : Go to  4.

    No  : Repair the following item.

    • Open circuit of harness between ECM connector and engine ground
    • Poor contact of coupling connector
  4. CHECK REAR OXYGEN SENSOR. 

    Check the rear oxygen sensor. Ref. to FUEL INJECTION (FUEL SYSTEMS) (H4DOTC)>REAR OXYGEN SENSOR>INSPECTION .

    Is the check result OK?

    Yes  : Repair the poor contact of ECM connector.

    No  : Replace the rear oxygen sensor. Ref. to FUEL INJECTION (FUEL SYSTEMS) (H4DOTC)>REAR OXYGEN SENSOR .