LEMON Manuals: Even more car manuals for everyone
Home >> Subaru >> 2019 >> Ascent Base >> Repair and Diagnosis (Single Page) >> Body & Frame >> Door Locks >> Security And Locks - Keyless Access (W/Push Button Start) (Diagnostics) >> Diagnostic Procedure with Diagnostic Trouble Code (DTC) >> DTC B2788: IGN Signal Correlation (Steering Lock Control Module)

DTC B2788: IGN Signal Correlation (Steering Lock Control Module)

DTC detecting condition: 

When one second elapses while the ignition switch status is not compatible between LIN communication and direct line.

Trouble symptom: 

The steering lock cannot be released.

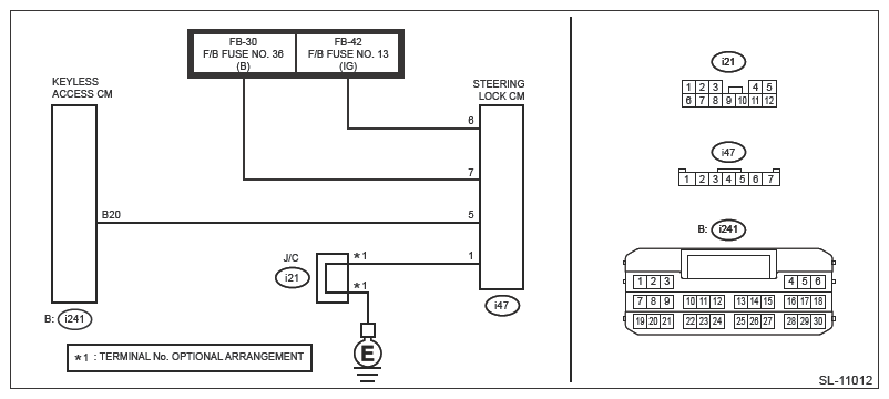
Wiring diagram: 

Keyless access with push button start system Ref. to WIRING SYSTEM>KEYLESS ACCESS WITH PUSH BUTTON START SYSTEM>WIRING DIAGRAM .

G13203366Courtesy of SUBARU OF AMERICA, INC.
CAUTION:
  1. CHECK FUSE. 

    Check the fuse. Ref. to SECURITY AND LOCKS>RELAY AND FUSE>INSPECTION .

    Is the check result OK?

    Yes  : Go to  2.

    No  : Replace the fuse. When the replaced fuse is blown immediately, check the power supply circuit for short-circuited.

  2. CHECK DATA MONITOR. 

    Using the Subaru Select Monitor, check the following items in the [Data Monitor] of [Keyless Access with Push Button Start]. Ref. to KEYLESS ACCESS WITH PUSH BUTTON START (DIAGNOSTICS)>DATA MONITOR .

    • IGN SW

    Is the display normal according to the ignition switch operation?

    Yes  : Go to  3.

    No  : Go to  5.

  3. CHECK HARNESS (OPEN CIRCUIT). 
    1. Disconnect the steering lock Control Module connector.
    2. Using a tester, measure the resistance between the steering lock Control Module connector and chassis ground.

      Connector and terminal 

      (i47) No. 1 - Chassis ground:

    Is the resistance less than 1 Ω?

    Yes  : Go to  4.

    No  : Repair or replace the open circuit of harness.

  4. CHECK HARNESS. 
    1. Connect the steering lock Control Module connector.
    2. Using a tester, measure the voltage between the steering lock Control Module connector terminals.

      Connector and terminal 

      (i47) No. 6 (+) - (i47) No. 1 (-):

    Is the voltage 11 - 14 V with IG ON?

    Is the voltage less than 1 V with IG OFF?

    Yes  : Replace the steering lock Control Module. Ref. to SECURITY AND LOCKS>STEERING LOCK CONTROL MODULE .

    No  : Check the DC power supply circuit.

  5. CHECK DTC. 

    Read the DTC of [Keyless Access with Push Button Start] using the Subaru Select Monitor. Ref. to KEYLESS ACCESS WITH PUSH BUTTON START (DIAGNOSTICS)>DIAGNOSTIC TROUBLE CODE (DTC) .

    Is DTC B2271 displayed? (Current malfunction)

    Yes  : Perform the diagnosis of DTC B2271. Ref. to KEYLESS ACCESS WITH PUSH BUTTON START (DIAGNOSTICS)>DIAGNOSTIC PROCEDURE WITH DIAGNOSTIC TROUBLE CODE (DTC)>DTC B2271 IGN RELAY CONTROL CIRCUIT .

    No  : Replace the keyless access Control Module. Ref. to SECURITY AND LOCKS>KEYLESS ACCESS CONTROL MODULE>REMOVAL .