LEMON Manuals: Even more car manuals for everyone
Home >> Subaru >> 2019 >> Ascent Base >> Repair and Diagnosis (Single Page) >> Accessories & Equipment >> Communication Devices >> LAN Communication System (Diagnostics) >> CAN Communication Circuit Check >> Inspection >> Related Lines, More Than 52 Ω And Less Than 62 Ω (A/C Control Module)

Related Lines, More Than 52 Ω And Less Than 62 Ω (A/C Control Module)

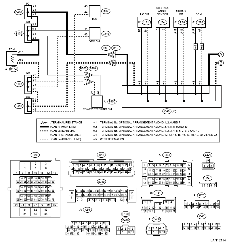
Wiring diagram: 

CAN communication system Ref. to WIRING SYSTEM>CAN COMMUNICATION SYSTEM>WIRING DIAGRAM .

G13203243Courtesy of SUBARU OF AMERICA, INC.
G13203244Courtesy of SUBARU OF AMERICA, INC.
  1. CHECK BETWEEN RELATED LINES AND MAIN WIRING HARNESS. 
    1. Disconnect the A/C Control Module connector.
    2. Using a tester, measure the resistance between terminals in A/C Control Module connector.

      Connector and terminal 

      (i181) No. 3 - (i181) No. 4:

    Is the resistance 400 Ω or more?

    Yes  : Related lines between A/C Control Module and main wiring harness is open, or main wiring harness is open at two places or more.

    No  : Go to  2.

  2. CHECK RELATED LINES. 
    1. Disconnect the steering sensor connector.
    2. Using a tester, measure the resistance between the A/C Control Module connector and steering sensor connector.

      Connector and terminal 

      (i181) No. 3 - (i74) No. 3:

      (i181) No. 4 - (i74) No. 2:

    Is the resistance 10 Ω or more?

    Yes  : Repair or replace the open circuit of A/C Control Module related lines.

    No  : Check DTC of A/C Control Module. Ref. to AIR CONDITIONER (DIAGNOSTICS)>DIAGNOSTIC TROUBLE CODE (DTC) .