LEMON Manuals: Even more car manuals for everyone
Home >> Subaru >> 2018 >> WRX Base >> Repair and Diagnosis >> External Pages >> Different variant/trim >> Section 12 (Engine Control System (Diagnostics) (General) (STI)) >> Diagnostic Procedure without Diagnostic Trouble Code (DTC) >> Check Si-Drive (SUBARU Intelligent Drive) System >> Si-Drive Mode Indication Does Not Change And Modes Do Not Switch After Switching Si-Drive Modes

Si-Drive Mode Indication Does Not Change And Modes Do Not Switch After Switching Si-Drive Modes

WARNING: This page is about a different variant/trim than selected.

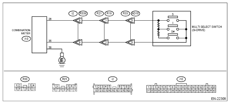
Wiring diagram: 

Engine Electrical System Ref. to WIRING SYSTEM>Engine Electrical System>WIRING DIAGRAM .

G12453681Courtesy of SUBARU OF AMERICA, INC.
  1. CHECK SI-DRIVE SELECTOR  .
    1. Turn the ignition switch to OFF.
    2. Disconnect the connector from the combination meter.
    3. Measure the resistance between connectors when the SI-DRIVE selector is operated.

      Connector & terminal

      (i10) No. 26 - (i10) No. 35:

    Does the resistance change as below?

    S#: 3.48 - 3.85 kΩ

    I: 0.95 - 1.05 kΩ

    S: less than 1 Ω

    Yes: Go to  4.

    No: GO to  2.

  2. CHECK HARNESS BETWEEN COMBINATION METER AND MULTI-SELECT SWITCH CONNECTOR  .
    1. Disconnect the connector from multi-select switch.
    2. Measure the resistance of harness between combination meter and multi-select switch connector.

      Connector & terminal

      (i10) No. 26 - (R33) No. 5:

      (i10) No. 35 - (R33) No. 8:

    Is the resistance less than 1 Ω?

    Yes: Go to  3.

    NO: Repair the harness and connector.

    NOTE: In this case, repair the following item:
    • Open circuit in harness between combination meter and multi-select switch connector
    • Poor contact of coupling connector
  3. CHECK HARNESS BETWEEN COMBINATION METER AND MULTI-SELECT SWITCH CONNECTOR  .

    Measure the resistance between multi-select switch connector and chassis ground.

    Connector & terminal

    (R33) No. 5 - Chassis ground:

    (R33) No. 8 - Chassis ground:

    Is the resistance 1 MΩ or more?

    Yes: Repair the poor contact of multi-select switch connector. Replace the multi-select switch if defective. Ref. to FUEL INJECTION (FUEL SYSTEMS) (STI)>SI-DRIVE (SUBARU Intelligent Drive) Selector .

    No: Repair the ground short circuit in harness between combination meter and multi-select switch connector.

  4. CHECK HARNESS BETWEEN COMBINATION METER AND CHASSIS GROUND  .

    Measure the resistance of harness between combination meter and chassis ground.

    Connector & terminal

    (i10) No. 38 - Chassis ground:

    Is the resistance less than 5 Ω?

    Yes: Go to  5.

    No: Repair the open circuit of harness between combination meter and chassis ground.

  5. RECHECK FAULT  .
    1. Connect all connectors.
    2. Switch SI-DRIVE modes.

    Is there any fault?

    Yes: Repair the poor contact of combination meter connector. Replace the combination meter if defective. Ref. to INSTRUMENTATION/DRIVER INFO>Combination Meter .

    NO: The circuit has returned to a normal condition at this time. Reproduce the failure, and then perform the diagnosis again.

    NOTE: In this case, temporary poor contact of connector, temporary open or short circuit of harness may be the cause.