LEMON Manuals: Even more car manuals for everyone
Home >> Subaru >> 2018 >> WRX Base >> Repair and Diagnosis (Single Page) >> Transmission >> Automatic Trans >> Transmission Control Systems >> AT Shift Lock Control System >> Wiring Diagram >> Model With Push Button Ignition Switch

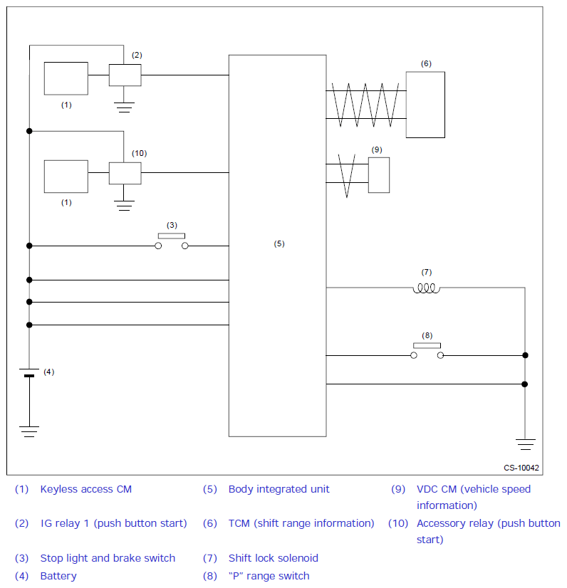
Model With Push Button Ignition Switch

G12448277