LEMON Manuals: Even more car manuals for everyone
Home >> Subaru >> 2018 >> WRX Base >> Repair and Diagnosis (Single Page) >> Engine Performance >> System >> Engine Control System (Diagnostics) (4 Of 4) (Except For STI) >> Diagnostic Procedure with Diagnostic Trouble Code (DTC) >> DTC P2103: Throttle Actuator "A" Control Motor Circuit High >> Component Description

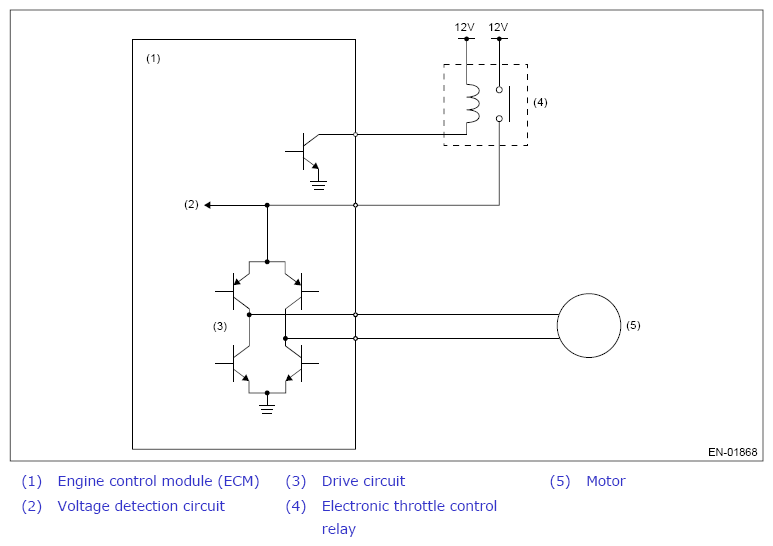
Component Description

G12453995Courtesy of SUBARU OF AMERICA, INC.