LEMON Manuals: Even more car manuals for everyone
Home >> Subaru >> 2018 >> Forester 2.5i, Standard Trans >> Repair and Diagnosis >> Body & Frame >> Door Locks >> Security And Locks - Keyless Access (W/Push Button Start) (Diagnostics) >> Diagnostic Procedure with Diagnostic Trouble Code (DTC) >> DTC B2271: IGN Relay Control Circuit

DTC B2271: IGN Relay Control Circuit

DTC detecting condition: 

Trouble symptom: 

Not all functions operate at IGN ON.

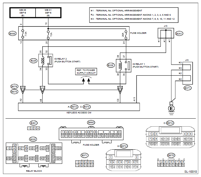
Wiring diagram: 

Push button start system Ref. to WIRING SYSTEM>Push Button Start System>WIRING DIAGRAM .

G12518835Courtesy of SUBARU OF AMERICA, INC.
CAUTION: For replacement procedure of keyless access Control Module, refer to the "REGISTRATION MANUAL FOR IMMOBILIZER" provided as a separate volume.
  1. CHECK LAN SYSTEM  .

    Inspect LAN system. Ref. to LAN SYSTEM (DIAGNOSTICS)>Basic Diagnostic Procedure>PROCEDURE .

    Is the check result OK?

    Yes: Go to  2.

    No: Perform the inspection according to the diagnosis for LAN system.

  2. CHECK FUSE  .

    Check the fuse. Ref. to SECURITY AND LOCKS>RELAY AND FUSE .

    Is the check result OK?

    Yes: Go to  3.

    No: Replace the fuse. When the replaced fuse is blown immediately, check the power supply circuit for short-circuited.

  3. CHECK HARNESS  .
    1. Disconnect the keyless access Control Module connector.
    2. Using a tester, measure the voltage between the keyless access Control Module connector and chassis ground.

      Connector & terminal

      (B572) No. 2 (+) - Chassis ground (-):

    Is the voltage 9.5 - 16 V?

    Yes: Go to  4.

    No: Check the power supply circuit.

  4. CHECK HARNESS (OPEN CIRCUIT)  .

    Using a tester, measure the resistance between the keyless access Control Module connector and chassis ground.

    Connector & terminal

    (B572) No. 11 - Chassis ground:

    Is the resistance less than 1 Ω

    Yes: Go to  5.

    No: Repair or replace the open circuit of harness.

  5. CHECK HARNESS  .
    1. Disconnect the keyless access Control Module connector.
    2. Using a tester, measure the resistance between the keyless access Control Module connector and chassis ground.

      Connector & terminal

      (B572) No. 9 - Chassis ground:

    Is the resistance 74.15 - 460.88 O? (at 20°C)

    Yes: Go to  6.

    No: Check IG relay 2. Go to  7.

  6. CHECK HARNESS  .
    1. Disconnect the keyless access Control Module connector.
    2. Using a tester, measure the resistance between the keyless access Control Module connector and chassis ground.

      Connector & terminal

      (B574) No. 6 - Chassis ground:

    Is the resistance 50.87 - 72.17 O? (at 20°C)

    Yes: Go to  8.

    No: Check IG relay 1. Go to  7.

  7. CHECK RELAY  .

    Perform unit inspection of IG relay 1 and IG relay 2. Ref. to SECURITY AND LOCKS>Relay and Fuse>INSPECTION>CHECK RELAY .

    Is the check result OK?

    Yes: Go to  8.

    No: Replace the relay. Ref. to SECURITY AND LOCKS>IG Relay1 (Push Button Start)>REMOVAL . Ref. to SECURITY AND LOCKS>IG Relay2 (Push Button Start)>REMOVAL .

  8. CHECK KEYLESS ACCESS CONTROL MODULE  .
    1. Connect the keyless access Control Module connector.
    2. Using a tester, measure the voltage between the keyless access Control Module connector and chassis ground.

      Connector & terminal

      (B574) No. 6 (+) - Chassis ground (-):

      (B572) No. 9 (+) - Chassis ground (-):

    Does the voltage change as 1 V or less → 9.5 - 16 V according to the operation of ACC → IGN ON?

    Yes: Even if DTC is displayed, the circuit has returned to a normal condition at this time. Reproduce the failure, and then perform the diagnosis again.

    NOTE: In this case, temporary poor contact of connector, temporary open or short circuit of harness may be the cause.

    No: Replace the keyless access Control Module. Ref. to SECURITY AND LOCKS>Keyless Access Control Module>REMOVAL .