LEMON Manuals: Even more car manuals for everyone
Home >> Subaru >> 2018 >> Forester 2.5i Limited >> Repair and Diagnosis >> Engine Performance >> Engine Control Systems >> Engine Control/Fuel Injection System (H4DO) >> General Description >> Component With Torque Specifications >> Throttle Body

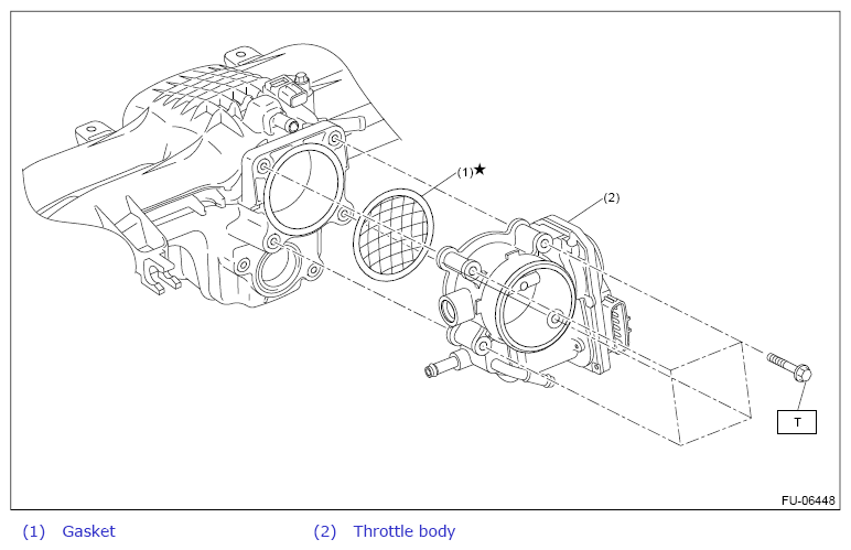
Throttle Body

Fig 1: Throttle Body Components
G12505297Courtesy of SUBARU OF AMERICA, INC.

Tightening torque: N.m (kgf-m, ft-lb) 

T: 8 (0.8, 5.9)