LEMON Manuals: Even more car manuals for everyone
Home >> Subaru >> 2018 >> Crosstrek Base, Standard Trans >> Repair and Diagnosis >> Engine Performance >> System >> Engine Control System (Diagnostics) (General) >> Diagnostics with Phenomenon >> Starter Motor Circuit >> Model Without Push Button Start

Model Without Push Button Start

Wiring diagram: 

Engine Electrical System Ref. to WIRING SYSTEM (CROSSTREK MODEL)>Engine Electrical System>WIRING DIAGRAM .

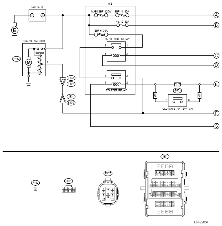
G12400083Courtesy of SUBARU OF AMERICA, INC.
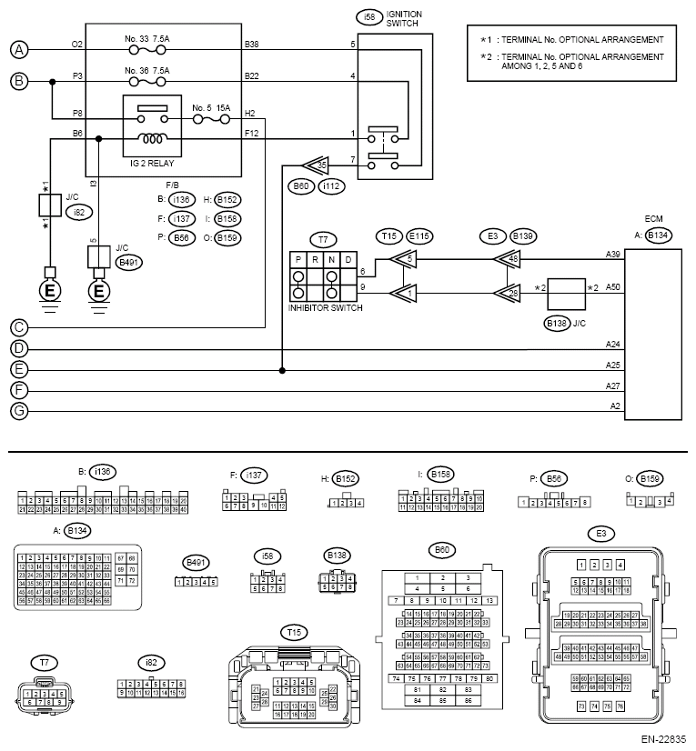
G12400084Courtesy of SUBARU OF AMERICA, INC.
CAUTION: Use the check board when measuring the ECM terminal voltage and resistance. Ref. to ENGINE (DIAGNOSTICS) (H4DO)>General Description>PREPARATION TOOL>HOW TO USE CHECK BOARD .
G12400223Courtesy of SUBARU OF AMERICA, INC.
G12400224Courtesy of SUBARU OF AMERICA, INC.
G12400225Courtesy of SUBARU OF AMERICA, INC.
G12400226Courtesy of SUBARU OF AMERICA, INC.
  1. CHECK BATTERY  .

    Check the battery. Ref. to STARTING/CHARGING SYSTEMS(H4DO)>BATTERY .

    Is the check result OK?

    Yes:  Go to  2.

    No:  Charge or replace the battery. Ref. to STARTING/CHARGING SYSTEMS(H4DO)>BATTERY .

  2. CHECK OPERATION OF STARTER MOTOR  .

    Check the starter motor operation.

    Does the starter motor operate?

    Yes:  Go to  3.

    No:  Go to  4.

  3. CHECK DTC  .

    Read the DTC of [Engine Control System] using the Subaru Select Monitor. Ref. to ENGINE (DIAGNOSTICS) (H4DO)>DIAGNOSTIC TROUBLE CODE (DTC) .

    DTC Check 

    Are any DTCs displayed? Ref. to COMMON (diag)>DIAGNOSTIC TROUBLE CODE (DTC) .

    Yes:  Check the appropriate DTC using the "Diagnostic Trouble Code (DTC)". Ref. to ENGINE (DIAGNOSTICS) (H4DO)>DIAGNOSTIC TROUBLE CODE (DTC) .

    No:  Check ignition control system. Ref. to ENGINE (DIAGNOSTICS) (H4DO)>Diagnostics with Phenomenon>IGNITION CONTROL SYSTEM .

  4. CHECK INPUT SIGNAL FOR STARTER MOTOR  .
    1. Turn the ignition switch to OFF.
    2. Disconnect the connector from starter motor.
    3. Measure the voltage between starter motor connector and engine ground with the ignition switch set to START position.

      Connector & terminal 

      (F162) No. 1 (+) - Engine ground (-):

      NOTE:
      • For CVT model, place the select lever in "P" range or "N" range.
      • For MT model, depress the clutch pedal.

    Is the voltage 10 V or more?

    Yes:  Check the starter motor. Ref. to STARTING/CHARGING SYSTEMS(H4DO)>STARTER .

    No:  Go to  5.

  5. CHECK HARNESS BETWEEN BATTERY AND IGNITION SWITCH CONNECTOR  .
    1. Turn the ignition switch to OFF.
    2. Disconnect the connector from ignition switch.
    3. Measure the voltage between ignition switch connector and chassis ground.

      Connector & terminal 

      (i58) No. 4 (+) - Chassis ground (-):

      (i58) No. 5 (+) - Chassis ground (-):

    Is the voltage 10 V or more?

    Yes:  Go to  6.

    No:  Check the following item and repair if necessary.

    • Open or short circuit to ground in harness between battery and ignition switch connector
    • Blown out of fuse
    • Poor contact of F/B connector
    • Replacement of F/B
    • Replace M/B
  6. CHECK IGNITION SWITCH  .

    Measure the resistance between ignition switch terminals after turning the ignition switch to START position.

    Terminals 

    No. 4 - No. 1:

    No. 5 - No. 7:

    Is the resistance less than 1 Ω?

    Yes:  Go to  7.

    No:  Replace the ignition switch. Ref. to SECURITY AND LOCKS>Ignition Key Lock>REPLACEMENT .

  7. CHECK INPUT VOLTAGE OF IG2 RELAY  .
    1. Turn the ignition switch to OFF.
    2. Remove the IG2 relay.
    3. Connect the connector to ignition switch.
    4. Turn the ignition switch to ON.
    5. Measure the voltage between F/B (IG2 relay) connector and chassis ground.

      Connector & terminal 

      (B56) No. 8 (+) - Chassis ground (-):

      (i137) No. 12 (+) - Chassis ground (-):

    Is the voltage 10 V or more?

    Yes:  Go to  8.

    No:  Check the following item and repair if necessary.

    • Open harness between F/B (IG2 relay) connector and ignition switch connector
    • Open circuit of the harness between M/B and F/B (IG2 relay) connector
  8. CHECK IG2 RELAY GROUND CIRCUIT  .
    1. Turn the ignition switch to OFF.
    2. Measure the resistance in harness between F/B (IG2 relay) connector and chassis ground.

      Connector & terminal 

      (B158) No. 3 - Chassis ground:

      (i136) No. 6 - Chassis ground:

    Is the resistance less than 5 Ω?

    Yes:  Go to  9.

    No:  Check the following item and repair if necessary.

    • Open circuit of the harness between F/B (IG2 relay) connector and chassis ground
    • Poor contact of joint connector
  9. CHECK IG2 RELAY  .

    Check the IG2 relay. Ref. to SECURITY AND LOCKS>Relay and Fuse>INSPECTION>CHECK RELAY .

    Is the check result OK?

    Yes:  Go to  10.

    No:  Replace the IG2 relay. Ref. to SECURITY AND LOCKS>Relay and Fuse>LOCATION .

  10. CHECK INPUT VOLTAGE OF STARTER CUT RELAY  .
    1. Remove the starter cut relay.
    2. Install the IG2 relay.
    3. Turn the ignition switch to ON.
    4. Measure the voltage between M/B (starter cut relay) terminal No. 1 and No. 2 and engine ground.

      Terminals 

      No. 1 (+) - Engine ground (-):

      No. 2 (+) - Engine ground (-):

    Is the voltage 10 V or more?

    Yes:  Go to  11.

    No:  Check the following item and repair if necessary.

    • Open circuit or short circuit to ground in harness between SBF-6 and M/B (starter cut relay)
    • Open circuit or short circuit to ground in harness between M/B (starter cut relay) and F/B (IG2 relay) connector
    • Blown out of fuse
    • Poor contact of F/B connector
    • Replacement of F/B
    • Replace M/B
  11. CHECK HARNESS BETWEEN ECM AND M/B (STARTER CUT RELAY)  .
    1. Turn the ignition switch to OFF.
    2. Disconnect the connector from ECM.
    3. Measure the resistance of harness between ECM connector and M/B (starter cut relay) terminal No. 4.

      Connector & terminal 

      (B134) No. 24 - No. 4:

    Is the resistance less than 1 Ω?

    Yes:  Go to  12.

    No:  Check the following item and repair if necessary.

    • Open circuit in harness between ECM connector and M/B (starter cut relay)
    • Replace M/B
  12. CHECK STARTER CUT RELAY  .

    Check the starter cut relay. Ref. to STARTING/CHARGING SYSTEMS(H4DO)>Starter Relay>INSPECTION .

    Is the check result OK?

    Yes:  Go to  13.

    No:  Replace the starter cut relay. Ref. to STARTING/CHARGING SYSTEMS(H4DO)>Starter Relay>LOCATION .

  13. CHECK TRANSMISSION TYPE  .

    Check the transmission type.

    Is the transmission type CVT?

    Yes:  Go to  14.

    No:  Go to  17.

  14. CHECK INHIBITOR SWITCH  .
    1. Place the select lever in "P" range and "N" range.
    2. Disconnect the connector from inhibitor switch.
    3. Measure the resistance between inhibitor switch terminals.

      Terminals 

      No. 6 - No. 9:

    Is the resistance less than 1 Ω?

    Yes:  Go to  15.

    No:  Replace the inhibitor switch. Ref. to CONTINUOUSLY VARIABLE TRANSMISSION (TR580)>INHIBITOR SWITCH .

  15. CHECK HARNESS BETWEEN ECM AND INHIBITOR SWITCH  .

    Measure the resistance of harness between ECM connector and inhibitor switch connector.

    Connector & terminal 

    (B134) No. 39 - (T7) No. 6:

    (B134) No. 50 - (T7) No. 9:

    Is the resistance less than 1 Ω?

    Yes:  Go to  16.

    No:  Check the following item and repair if necessary.

    • Open circuit in harness between ECM connector and inhibitor switch connector
    • Poor contact of coupling connector
  16. CHECK NEUTRAL POSITION SWITCH SIGNAL  .
    1. Connect all relays and connectors to their proper positions.
    2. Turn the ignition switch to ON.
    3. Place the select lever in "P" range or "N" range.
    4. Using the Subaru Select Monitor, read the value in [Neutral switch].

      Data Monitor 

      NOTE: For detailed operation procedures, refer to "Data Monitor". Ref. to ENGINE (DIAGNOSTICS) (H4DO)>DATA MONITOR .

    Is [Neutral] displayed?

    Yes:  Go to  18.

    No:  Repair the poor contact of ECM connector.

  17. CHECK CLUTCH START SWITCH  .

    Check the clutch start switch. Ref. to CLUTCH SYSTEM>Clutch Switch>INSPECTION>CLUTCH START SWITCH .

    Is the check result OK?

    Yes:  Go to  18.

    No:  Replace the clutch start switch. Ref. to CLUTCH SYSTEM>CLUTCH SWITCH .

  18. CHECK INPUT VOLTAGE OF STARTER RELAY  .
    1. Turn the ignition switch to OFF.
    2. Remove the starter relay.
    3. Install the starter cut relay.
    4. Connect the connector to ECM.
    5. Turn the ignition switch to START position, and measure the voltage between M/B (starter relay) terminal No. 1 and No. 2 and engine ground.

      Terminals 

      No. 1 (+) - Engine ground (-):

      No. 2 (+) - Engine ground (-):

      NOTE:
      • For CVT model, place the select lever in "P" range or "N" range.
      • For MT model, depress the clutch pedal.

    Is the voltage 10 V or more?

    Yes:  Go to  19.

    No:  Check the following item and repair if necessary.

    • Open circuit in harness between M/B (starter relay) and M/B (starter cut relay)
    • Open circuit in harness between M/B (starter relay) and ignition switch connector
    • Poor contact of coupling connector
    • Poor contact of the clutch start switch connector (MT model)
  19. CHECK HARNESS BETWEEN ECM AND M/B (STARTER RELAY)  .
    1. Turn the ignition switch to OFF.
    2. Disconnect the connector from ECM.
    3. Measure the resistance of harness between ECM connector and M/B (starter relay) terminal No. 2 and No. 4.

      Connector & terminal 

      (B134) No. 2 - No. 4:

    Is the resistance less than 1 Ω?

    Yes:  Go to  20.

    No:  Check the following item and repair if necessary.

    • Open circuit in harness between ECM connector and M/B (starter relay)
    • Replace M/B
  20. CHECK STARTER RELAY  .

    Check the starter relay. Ref. to STARTING/CHARGING SYSTEMS(H4DO)>Starter Relay>INSPECTION .

    Is the check result OK?

    Yes:  Go to  21.

    No:  Replace the starter relay. Ref. to STARTING/CHARGING SYSTEMS(H4DO)>Starter Relay>LOCATION .

  21. CHECK HARNESS BETWEEN M/B (STARTER RELAY) AND STARTER MOTOR  .
    1. Disconnect the connector from starter motor.
    2. Measure the resistance of harness between M/B (starter relay) terminal No. 3 and starter motor connector.

      Connector & terminal 

      No. 3 - (F162) No. 1:

    Is the resistance less than 1 Ω?

    Yes:  Check the engine control module (ECM) power supply and ground line. Ref. to ENGINE (DIAGNOSTICS) (H4DO)>Diagnostics with Phenomenon>CHECK POWER SUPPLY AND GROUND LINE OF ENGINE CONTROL MODULE (ECM) .

    No:  Check the following item and repair if necessary.

    • Open circuit of harness between M/B (starter relay) and starter motor connector
    • Poor contact of coupling connector
NOTE: After the faulty parts are repaired or replaced, perform the final check in Basic Diagnostic Procedure. Ref. to ENGINE (DIAGNOSTICS) (H4DO)>Basic Diagnostic Procedure>PROCEDURE .