LEMON Manuals: Even more car manuals for everyone
Home >> Subaru >> 2018 >> Crosstrek Base, Standard Trans >> Repair and Diagnosis >> Engine Performance >> System >> Engine Control System (Diagnostics - Introduction) >> General Description >> System Block Diagram

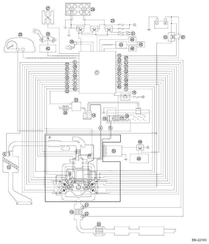
System Block Diagram

G11257247Courtesy of SUBARU OF AMERICA, INC.
G12399886Courtesy of SUBARU OF AMERICA, INC.
G12399887Courtesy of SUBARU OF AMERICA, INC.