LEMON Manuals: Even more car manuals for everyone
Home >> Subaru >> 2017 >> WRX STI >> Repair and Diagnosis >> Engine Performance >> System >> Engine Control System (Diagnostics W/O DTCS) (2.5L) >> Diagnostic Procedure without Diagnostic Trouble Code (DTC) >> Check Si-Drive (SUBARU Intelligent Drive) System

Check Si-Drive (SUBARU Intelligent Drive) System

DIAGNOSIS: 

SI-DRIVE mode does not switch.

CAUTION: Note that SI-DRIVE system operates the following controls when it switches the modes.
  1. Switches to S (Sport) mode when turning the engine OFF in S (Sport) or S# (Sport sharp) mode and then turning the engine ON.
  2. Switches to I (intelligent) mode when turning the engine OFF in I (intelligent) mode and then turning the engine ON.
  3. Switches to S (Sport) when the malfunction indicator light illuminates while the engine is running. In this case, Cannot switch to S# (Sport Sharp) or I (Intelligent) mode.
  4. Cannot switch to S# (Sport Sharp), when engine coolant temperature tells that overheating may occur. Switches to S (Sport) while driving in S# (Sport sharp) mode.

1. SI-DRIVE MODE INDICATION DOES NOT CHANGE AND MODES DO NOT SWITCH AFTER SWITCHING SI-DRIVE MODES 

WIRING DIAGRAM: 

Engine Electrical System <Ref. to WIRING DIAGRAM , Engine Electrical System.>

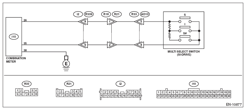
Fig 1: Combination Meter Circuit Diagram
G10265918Courtesy of SUBARU OF AMERICA, INC.
Step Check Yes No
1 CHECK SI-DRIVE SELECTOR. 
  1. Turn the ignition switch to OFF.
  2. Disconnect the connector from the combination meter.
  3. Measure the resistance between connectors when the SI-DRIVE selector is operated.

    Connector & terminal 

    (i10) No. 26 - (i10) No. 35: 

Does the resistance change as below?
S#: 3.48 - 3.85 kΩ
I: 0.95 - 1.05 kΩ
S: less than 1 Ω
Go to step . Go to step .
2 CHECK HARNESS BETWEEN COMBINATION METER AND MULTI-SELECT SWITCH CONNECTOR. 
  1. Disconnect the connector from multi-select switch.
  2. Measure the resistance of harness between combination meter and multi-select switch connector.

    Connector & terminal 

    (i10) No. 26 - (R33) No. 5: 

    (i10) No. 35 - (R33) No. 8: 

Is the resistance less than 1 Ω? Go to step . Repair the harness and connector.
NOTE: In this case, repair the following item:
  • Open circuit in harness between combination meter and multi-select switch connector
  • Poor contact of coupling connector
3 CHECK HARNESS BETWEEN COMBINATION METER AND MULTI-SELECT SWITCH CONNECTOR. 
Measure the resistance between multi-select switch connector and chassis ground.
Connector & terminal 
(R33) No. 5 - Chassis ground: 
(R33) No. 8 - Chassis ground: 
Is the resistance 1 MΩ or more? Repair the poor contact of multi-select switch connector. Replace the multi-select switch if defective. <Ref. to SI-DRIVE (SUBARU Intelligent Drive) Selector .> Repair the ground short circuit in harness between combination meter and multi-select switch connector.
4 CHECK HARNESS BETWEEN COMBINATION METER AND CHASSIS GROUND. 
Measure the resistance of harness between combination meter and chassis ground.
Connector & terminal 
(i10) No. 38 - Chassis ground: 
Is the resistance less than 5 Ω? Go to step . Repair the open circuit of harness between combination meter and chassis ground.
5 RECHECK FAULT. 
  1. Connect all connectors.
  2. Switch SI-DRIVE modes.
Is there any fault? Repair the poor contact of combination meter connector. Replace the combination meter if defective. <Ref. to Combination Meter .> The circuit has returned to a normal condition at this time. Reproduce the failure, and then perform the diagnosis.
NOTE: In this case, temporary poor contact of connector, temporary open or short circuit of harness may be the cause.

2. WHEN THE SI-DRIVE MODE IS CHANGED, "S", "I" OR "S#" FLASHES IN COMBINATION METER SI-DRIVE MODE DISPLAY IN APPROX. 5 SECONDS 

Step Check Yes No
1 CHECK DTC.  Is DTC displayed? Check the appropriate DTC using the "List of Diagnostic Trouble Code (DTC)" concerning the respective units. Go to step .
2 CHECK COMBINATION METER AND CLOCK DISPLAY. 
Check for abnormal display other than "S", "I" or "S#" flashing.
Examples:
Malfunction indicator light illuminates.
Is there an abnormal display other than "S", "I" or "S#" flashing? For the diagnostic procedure, refer to LAN information. <Ref. to Basic Diagnostic Procedure .> Go to step .
3 CHECK ECM AND COMBINATION METER.  Is the part number of ECM and combination meter correct? Replace the meter case assembly. <Ref. to Combination Meter .> Replace ECM or meter case assembly with the one with the correct part number. <Ref. to Engine Control Module (ECM) .> <Ref. to Combination Meter .>

3. "S#", "I" OR "S" BLINKS ON SI-DRIVE MODE DISPLAY IN THE COMBINATION METER AFTER SWITCHING SI-DRIVE MODES 

NOTE: In this case, there is a fault other than in SI-DRIVE system.
Step Check Yes No
1 CHECK MALFUNCTION INDICATOR LIGHT.
  1. Start the engine.
  2. Check if malfunction indicator light illuminates.
Does the malfunction indicator light illuminate? Read the DTC using Subaru Select Monitor and check the indicated DTC. <Ref. to List of Diagnostic Trouble Code (DTC) .> Go to step .
2 CHECK ENGINE COOLANT TEMPERATURE GAUGE. 
  1. Turn the ignition switch to ON.
  2. Check the engine coolant temperature gauge.
Does it indicate overheating? Inspect for the cause of overheating and repair. Go to step .
3 CHECK COMBINATION METER INDICATION. 
  1. Turn the ignition switch to ON.
  2. Switch SI-DRIVE modes.
  3. Check the SI-DRIVE mode display in the combination meter.
Does "S#", "I" or "S" of the SI-DRIVE mode blink in combination meter? Replace the combination meter. <Ref. to Combination Meter .> Perform test driving to check the malfunction indicator light and engine coolant temperature gauge. Complete the diagnosis if they are normal.