LEMON Manuals: Even more car manuals for everyone
Home >> Subaru >> 2017 >> WRX STI >> Repair and Diagnosis (Single Page) >> Engine Performance >> System >> Engine Control System (Diagnostics) (P0171 To P0685) (2.5L) >> Diagnostic Procedure with Diagnostic Trouble Code (DTC) >> DTC P0606 Control Module Processor >> Component Description

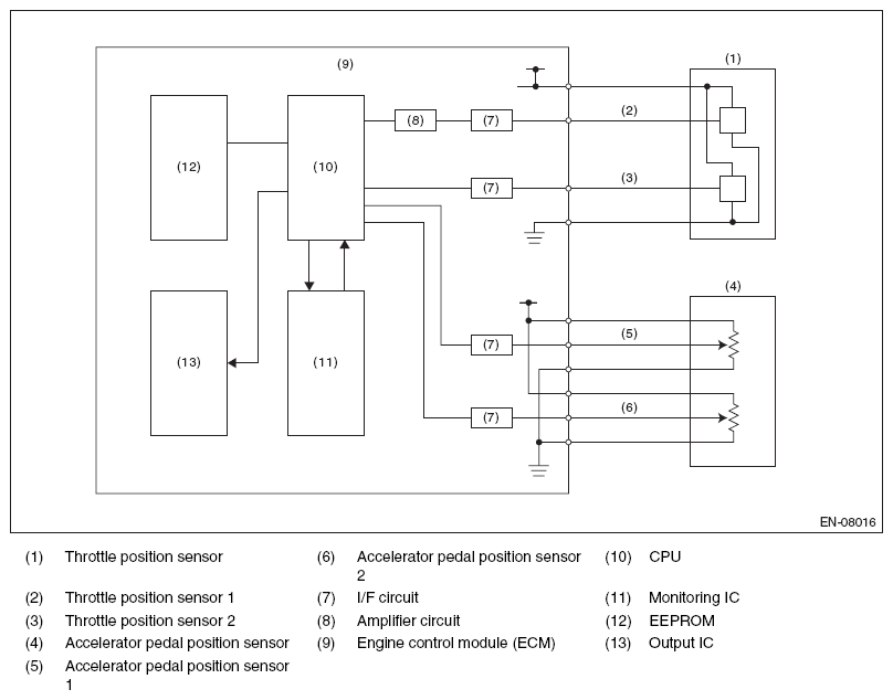
Component Description

Fig 1: Throttle Position Sensor Circuit Diagram
G11574351Courtesy of SUBARU OF AMERICA, INC.