LEMON Manuals: Even more car manuals for everyone
Home >> Subaru >> 2017 >> WRX STI >> Repair and Diagnosis (Single Page) >> Engine Performance >> System >> Engine Control System (Diagnostics) (P0171 To P0685) (2.5L) >> Diagnostic Procedure with Diagnostic Trouble Code (DTC) >> DTC P04AC EVAP System (CPC) Purge Control Valve "B" Circuit Low >> Notes

DTC P04AC EVAP System (CPC) Purge Control Valve "B" Circuit Low: Notes

DTC DETECTING CONDITION: 

Detected when two consecutive driving cycles with fault occur.

TROUBLE SYMPTOM: 

Improper idling

CAUTION: After servicing or replacing faulty parts, perform Clear Memory Mode <Ref. to OPERATION , Clear Memory Mode.>, and Inspection Mode <Ref. to PROCEDURE , Inspection Mode.>.

WIRING DIAGRAM: 

Engine Electrical System <Ref. to WIRING DIAGRAM , Engine Electrical System.>

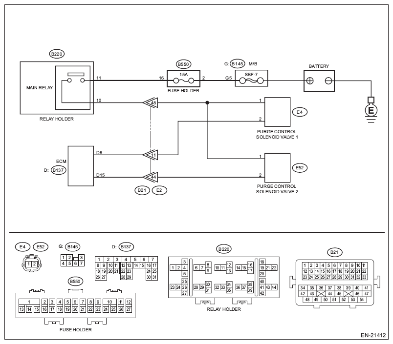
Fig 1: EVAP System Purge Control Valve A Circuit Low Wiring Diagram
G11574334Courtesy of SUBARU OF AMERICA, INC.
Step Check Yes No
1 CHECK OUTPUT SIGNAL OF ECM. 
  1. Turn the ignition switch to ON.
  2. Measure the voltage between ECM connector and chassis ground.

    Connector & terminal 

    (B137) No. 15 (+) - Chassis ground (-): 

Is the voltage 10 V or more? Go to step . Go to step .
2 CHECK FOR POOR CONTACT. 
Check for poor contact of ECM connector.
Is there poor contact of ECM connector? Repair the poor contact of ECM connector. Even if DTC is detected, the circuit has returned to a normal condition at this time. Reproduce the failure, and then perform the diagnosis again.
NOTE: In this case, temporary open or short circuit of harness or temporary poor contact of connector may be the cause.
3 CHECK POWER SUPPLY TO PURGE CONTROL SOLENOID VALVE 2 CONNECTOR. 
Measure the voltage between purge control solenoid valve 2 connector and engine ground.
Connector & terminal 
(E52) No. 1 (+) - Engine ground (-): 
Is the voltage 10 V or more? Go to step . Repair the power supply circuit.
4 CHECK HARNESS BETWEEN ECM AND PURGE CONTROL SOLENOID VALVE 2 CONNECTOR. 
  1. Turn the ignition switch to OFF.
  2. Disconnect the connector from ECM.
  3. Disconnect the connector from purge control solenoid valve 2.
  4. Measure the resistance between the purge control solenoid valve 2 connector and engine ground.

    Connector & terminal 

    (E52) No. 2 - Engine ground: 

Is the resistance 1 MΩ or more? Go to step . Repair the ground short circuit of harness between ECM connector and purge control solenoid valve 2 connector.
5 CHECK HARNESS BETWEEN ECM AND PURGE CONTROL SOLENOID VALVE 2 CONNECTOR. 
Measure the resistance of harness between ECM connector and purge control solenoid valve 2 connector.
Connector & terminal 
(B137) No. 15 - (E52) No. 2: 
Is the resistance less than 1 Ω? Go to step . Repair the harness and connector.
NOTE: In this case, repair the following item:
  • Open circuit of harness between ECM connector and purge control solenoid valve 2 connector
  • Poor contact of coupling connector
6 CHECK PURGE CONTROL SOLENOID VALVE 2. 
  1. Remove the purge control solenoid valve 2.
  2. Measure the resistance between purge control solenoid valve 2 terminals.

    Terminals 

    No. 1 - No. 2: 

Is the resistance 10 - 100 Ω? Repair the poor contact of the purge control solenoid valve 2 connector. Replace the purge control solenoid valve 2. <Ref. to Purge Control Solenoid Valve .>