LEMON Manuals: Even more car manuals for everyone
Home >> Subaru >> 2017 >> WRX STI >> Repair and Diagnosis (Single Page) >> Engine Performance >> System >> Engine Control System (Diagnostics) (P0171 To P0685) (2.5L) >> Diagnostic Procedure with Diagnostic Trouble Code (DTC) >> DTC P0453 EVAP System (CPC) Pressure Sensor/Switch Circuit High >> Notes

DTC P0453 EVAP System (CPC) Pressure Sensor/Switch Circuit High: Notes

DTC DETECTING CONDITION: 

Immediately at fault recognition

CAUTION: After servicing or replacing faulty parts, perform Clear Memory Mode <Ref. to OPERATION , Clear Memory Mode.>, and Inspection Mode <Ref. to PROCEDURE , Inspection Mode.>.

WIRING DIAGRAM: 

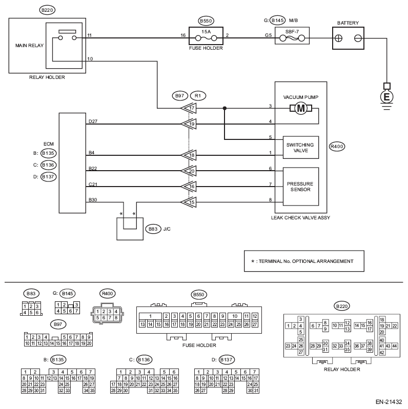
Engine Electrical System <Ref. to WIRING DIAGRAM , Engine Electrical System.>

Fig 1: EVAP System Pressure Sensor/Switch Circuit Low Wiring Diagram
G11574326Courtesy of SUBARU OF AMERICA, INC.
Step Check Yes No
1 CHECK CURRENT DATA.
  1. Turn the ignition switch to ON.
  2. Read the value of «Atmosphere Pressure» using the Subaru Select Monitor or a general scan tool.
NOTE:
  • Subaru Select Monitor

    For detailed operation procedures, refer to "Read Current Data For Engine". <Ref. to Subaru Select Monitor .>

  • General scan tool

    For detailed operation procedures, refer to the general scan tool operation manual.

Is the value in «Atmosphere Pressure» 125 kPa (938 mmHg, 36.9 inHg) or more? Go to step . Even if DTC is detected, the circuit has returned to a normal condition at this time. Reproduce the failure, and then perform the diagnosis again.
NOTE: In this case, temporary poor contact of connector, temporary open or short circuit of harness may be the cause.
2 CHECK HARNESS BETWEEN ECM AND LEAK CHECK VALVE ASSEMBLY CONNECTOR. 
  1. Turn the ignition switch to OFF.
  2. Disconnect the connector from ECM.
  3. Disconnect the connector from the leak check valve assembly.
  4. Measure the resistance of harness between

    ECM connector and the leak check valve assembly connector.

    Connector & terminal 

    (B136) No. 21 - (R400) No. 7: 

    (B135) No. 30 - (R400) No. 8: 

Is the resistance less than 1 Ω? Go to step 3.  Repair the harness and connector.
NOTE: In this case, repair the following item:
  • Open circuit in harness between ECM connector and the leak check valve assembly connector
  • Poor contact of coupling connector
  • Poor contact of joint connector
3 CHECK FOR POOR CONTACT. 
Check for poor contact of ECM and the leak check valve assembly connector.
Is there poor contact in ECM and the leak check valve assembly connector? Repair the poor contact of ECM and the leak check valve assembly connector. Go to step 4. 
4 CHECK LEAK CHECK VALVE ASSEMBLY. 
Check the pressure sensor of the leak check valve assembly. <Ref. to CHECK PRESSURE SENSOR , INSPECTION, Leak Check Valve Assembly.>
Is the check result OK? Repair the short circuit to power in harness between ECM connector and leak check valve assembly connector. Replace the leak check valve assembly. <Ref. to Leak Check Valve Assembly .>