LEMON Manuals: Even more car manuals for everyone
Home >> Subaru >> 2017 >> WRX STI >> Repair and Diagnosis (Single Page) >> Engine Performance >> System >> Engine Control System (Diagnostics) (P000A To P015B) (2.5L) >> Diagnostic Procedure with Diagnostic Trouble Code (DTC) >> DTC P0134 A/F/O2 Sensor Circuit No Activity Detected Bank 1 Sensor 1 >> Notes

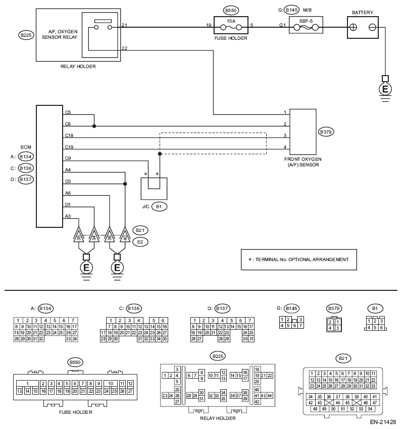
DTC P0134 A/F/O2 Sensor Circuit No Activity Detected Bank 1 Sensor 1: Notes

DTC DETECTING CONDITION: 

Immediately at fault recognition

CAUTION: After servicing or replacing faulty parts, perform Clear Memory Mode <Ref. to OPERATION , Clear Memory Mode.>, and Inspection Mode <Ref. to PROCEDURE , Inspection Mode.>.

WIRING DIAGRAM: 

Engine Electrical System <Ref. to WIRING DIAGRAM , Engine Electrical System.>

Fig 1: Intake Oil Control Solenoid RH Circuit Diagram
G11574211Courtesy of SUBARU OF AMERICA, INC.
Step Check Yes No
1 CHECK HARNESS BETWEEN ECM AND FRONT OXYGEN (A/F) SENSOR CONNECTOR. 
  1. Turn the ignition switch to OFF.
  2. Disconnect the connector from ECM.
  3. Disconnect the connectors from front oxygen (A/F) sensor.
  4. Measure the resistance of harness between ECM connector and front oxygen (A/F) sensor connector.

    Connector & terminal 

    (B136) No. 18 - (B379) No. 3: 

    (B136) No. 19 - (B379) No. 4: 

Is the resistance less than 1 Ω? Go to step 2.  Repair the open circuit of harness between ECM connector and front oxygen (A/F) sensor connector.
2 CHECK FOR POOR CONTACT. 
Check for poor contact of ECM and front oxygen (A/F) sensor connector.
Is there poor contact of ECM or front oxygen (A/F) sensor connector? Repair the poor contact of ECM or front oxygen (A/F) sensor connector. Replace the front oxygen (A/F) sensor. <Ref. to Front Oxygen (A/F) Sensor .>