LEMON Manuals: Even more car manuals for everyone
Home >> Subaru >> 2017 >> WRX Base >> Repair and Diagnosis >> External Pages >> Different variant/trim >> Section 5 (Engine Control System (Diagnostics - Introduction) (2.5L)) >> Diagnostics for Engine Starting Failure >> Fuel Injector Circuit

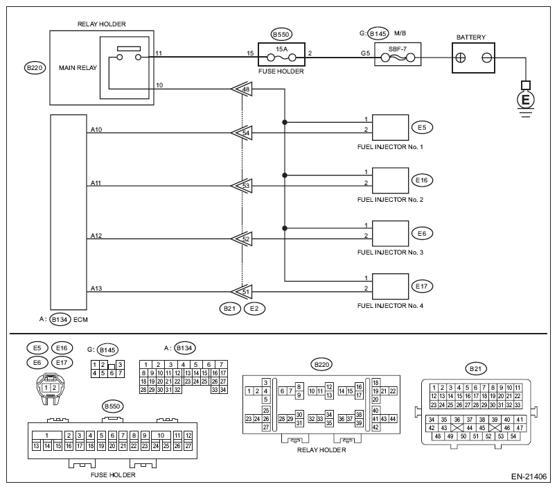
Fuel Injector Circuit

WARNING: This page is about a different variant/trim than selected.
CAUTION:
  • Check or repair only faulty parts.
  • After servicing or replacing faulty parts, perform Clear Memory Mode <Ref. to OPERATION , Clear Memory Mode.>, and Inspection Mode <Ref. to PROCEDURE , Inspection Mode.>.

WIRING DIAGRAM: 

Engine Electrical System <Ref. to WIRING DIAGRAM , Engine Electrical System.>

Fig 1: Fuel Injector Circuit Diagram
G11574204Courtesy of SUBARU OF AMERICA, INC.
Step Check Yes No
1 CHECK OPERATION OF EACH FUEL INJECTOR. 
While cranking the engine, check each fuel injector emits operating sound. Use a sound scope or attach a screwdriver to the injector for this check.
Does the fuel injector emit operating sound? Check the fuel pressure. <Ref. to INSPECTION , Fuel Pressure.> Go to step 2. 
2 CHECK POWER SUPPLY TO EACH FUEL INJECTOR. 
  1. Turn the ignition switch to OFF.
  2. Disconnect the connector from fuel injector.
  3. Turn the ignition switch to ON.
  4. Measure the power supply voltage between fuel injector connector and the engine ground.

    Connector & terminal 

    #1 (E5) No. 1 (+) - Engine ground (-): 

    #2 (E16) No. 1 (+) - Engine ground (-): 

    #3 (E6) No. 1 (+) - Engine ground (-): 

    #4 (E17) No. 1 (+) - Engine ground (-): 

Is the voltage 10 V or more? Go to step 3.  Repair the harness and connector.
NOTE: In this case, repair the following item:
  • Open circuit in harness between main relay connector and fuel injector connector
  • Poor contact of main relay connector
  • Poor contact of coupling connector
3 CHECK HARNESS BETWEEN ECM AND FUEL INJECTOR CONNECTOR. 
  1. Turn the ignition switch to OFF.
  2. Disconnect the connector from ECM.
  3. Measure the resistance of harness between ECM connector and fuel injector connector.

    Connector & terminal 

    #1 (B134) No. 10 - (E5) No. 2: 

    #2 (B134) No. 11 - (E16) No. 2: 

    #3 (B134) No. 12 - (E6) No. 2: 

    #4 (B134) No. 13 - (E17) No. 2: 

Is the resistance less than 1 Ω? Go to step 4.  Repair the harness and connector.
NOTE: In this case, repair the following item:
  • Open circuit in harness between ECM connector and fuel injector connector
  • Poor contact of coupling connector
4 CHECK HARNESS BETWEEN ECM AND FUEL INJECTOR CONNECTOR. 
Measure the resistance of harness between ECM connector and chassis ground.
Connector & terminal 
#1 (B134) No. 10 - Chassis ground: 
#2 (B134) No. 11 - Chassis ground: 
#3 (B134) No. 12 - Chassis ground: 
#4 (B134) No. 13 - Chassis ground: 
Is the resistance 1 MΩ or more? Go to step 5.  Repair the short circuit to ground in harness between ECM connector and fuel injector connector.
5 CHECK EACH FUEL INJECTOR. 
Measure the resistance between each fuel injector terminals.
Terminals 
No. 1 - No. 2: 
Is the resistance 5 - 20 Ω? Go to step 6.  Replace the faulty fuel injector. <Ref. to Fuel Injector .>
6 CHECK FOR POOR CONTACT. 
Check for poor contact of ECM connector.
Is there poor contact of ECM connector? Repair the poor contact of ECM connector. Inspection using "General Diagnostic Table". <Ref. to INSPECTION , General Diagnostic Table.>