LEMON Manuals: Even more car manuals for everyone
Home >> Subaru >> 2017 >> WRX Base >> Repair and Diagnosis >> External Pages >> Different variant/trim >> Section 5 (Engine Control System (Diagnostics - Introduction) (2.5L)) >> Diagnostic Procedure for Subaru Select Monitor Communication >> Communication For Initializing Impossible

Communication For Initializing Impossible

WARNING: This page is about a different variant/trim than selected.

DIAGNOSIS: 

Open or short circuit in data link connector

TROUBLE SYMPTOM: 

Subaru Select Monitor communication failure

WIRING DIAGRAM: 

Engine Electrical System <Ref. to WIRING DIAGRAM , Engine Electrical System.>

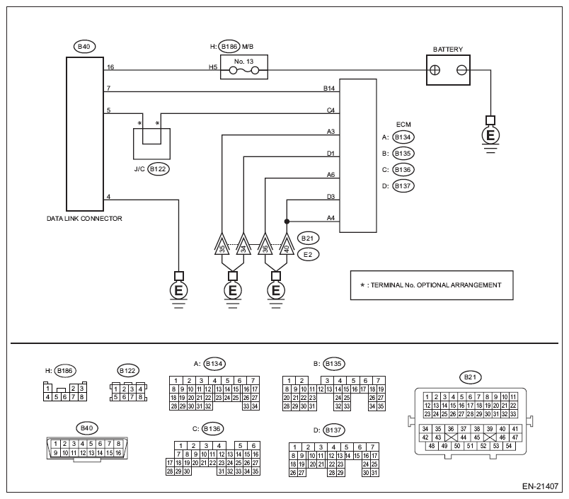
Fig 1: Data Link Connector Circuit Diagram
G11574205Courtesy of SUBARU OF AMERICA, INC.
Step Check Yes No
1 CHECK POWER SUPPLY CIRCUIT. 
Connect DST-i or a general scan tool to the data link connector.
Is the DST-i or the general scan tool turned to ON? Go to step 4.  Go to step 2. 
2 CHECK POWER SUPPLY CIRCUIT. 
Measure the voltage between data link connector and chassis ground.
Connector & terminal 
(B40) No. 16 (+) - Chassis ground (-): 
Is the voltage 10 V or more? Go to step 3.  Repair the power supply circuit.
NOTE: In this case, repair the following item:
  • Open or ground short circuit of harness between battery and data link connector
  • Blown out of fuse (M/B No. 13)
3 CHECK HARNESS BETWEEN DATA LINK CONNECTOR AND CHASSIS GROUND. 
  1. Turn the ignition switch to OFF.
  2. Measure the resistance of harness between data link connector and chassis ground.

    Connector & terminal 

    (B40) No. 4 - Chassis ground: 

    (B40) No. 5 - Chassis ground: 

Is the resistance less than 5 Ω? Repair the poor contact of data link connector. Repair the harness and connector.
NOTE: In this case, repair the following item:
  • Open circuit in harness between ECM connector and data link connector
  • Open circuit of harness between ECM connector and engine ground
  • Poor contact of ECM connector
  • Poor contact of joint connector
4 CHECK HARNESS BETWEEN ECM AND DATA LINK CONNECTOR. 
  1. Disconnect the connectors from ECM, DCCD CM, VDC CM, airbag CM, impact sensor, TPMS & keyless entry CM, and body integrated unit.
    CAUTION: When disconnecting the connector from airbag CM, always follow the precautions on AB section. <Ref. to CAUTION , General Description.>
  2. Measure the resistance of harness between ECM connector and data link connector.

    Connector & terminal 

    (B135) No. 14 - (B40) No. 7: 

Is the resistance less than 1 Ω? Go to step 5.  Repair the open circuit of harness between ECM connector and data link connector.
5 CHECK HARNESS BETWEEN ECM AND DATA LINK CONNECTOR. 
Measure the resistance between data link connector and chassis ground.
Connector & terminal 
(B40) No. 7 - Chassis ground: 
Is the resistance 1 MΩ or more? Repair the poor contact of ECM connector or data link connector. Repair the short circuit to ground in harness between ECM connector and data link connector.