LEMON Manuals: Even more car manuals for everyone
Home >> Subaru >> 2017 >> WRX Base >> Repair and Diagnosis >> Body & Frame >> Door Locks >> Security And Locks - Keyless Access (W/ Push Button Start) (Diagnostics) >> Diagnostic Procedure with Diagnostic Trouble Code (DTC) >> DTC B2274 Acc Relay Control Circuit

DTC B2274 Acc Relay Control Circuit

DTC DETECTING CONDITION: 

When malfunction is detected in ACC relay drive circuit in the Keyless Access Control Module or external circuit.

TROUBLE SYMPTOM: 

Each function does not operate at the ACC position.

CAUTION: For replacement procedure of Keyless Access Control Module, refer to the "REGISTRATION MANUAL FOR IMMOBILIZER" provided as a separate volume.

WIRING DIAGRAM: 

Push button start system <Ref. to WIRING DIAGRAM , Push Button Start System.>

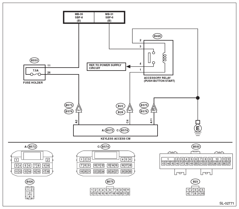
Fig 2: ACC Relay Control Circuit - Wiring Diagram (Engine Type EJ)
G10271454Courtesy of SUBARU OF AMERICA, INC.
Step Check Yes No
1 CHECK LAN SYSTEM. 
Inspect LAN system. <Ref. to PROCEDURE , Basic Diagnostic Procedure.>
Is the check result OK? Go to step . Perform the inspection according to the diagnosis for LAN system.
2 CHECK FUSE. 
Check the fuse. <Ref. to Relay and Fuse .>
Is the check result OK? Go to step . Replace the fuse. When the replaced fuse is blown immediately, check the power supply circuit for short-circuited.
3 CHECK HARNESS. 
  1. Disconnect the Keyless Access Control Module connector.
  2. Using a tester, measure the resistance between the Keyless Access Control Module connector and chassis ground.

Connector & terminal 
(B572) No. 2 (+) - Chassis ground (-): 
Is the voltage 9.5 - 16 V? Go to step . Check the power supply circuit.
4 CHECK HARNESS (OPEN CIRCUIT). 
Using a tester, measure the resistance between the Keyless Access Control Module connector and chassis ground.
Connector & terminal 
(B572) No. 11 - Chassis ground: 
Is the resistance less than 1 Ω? Go to step . Repair or replace the open circuit of harness.
5 CHECK HARNESS. 
  1. Disconnect the Keyless Access Control Module connector.
  2. Using a tester, measure the resistance between the Keyless Access Control Module connector and chassis ground.

Connector & terminal 
(B574) No. 4 - Chassis ground: 
Is resistance 152.61 - 216.5 Ω? (20°C) Go to step . Go to step .
6 CHECK RELAY. 
Perform inspection of ACC relay unit. <Ref. to Accessory Relay (Push Button Start) .>
Is the check result OK? Go to step . Replace the relay.
7 CHECK HARNESS (OPEN CIRCUIT). 
Using a tester, measure the resistance between the Keyless Access Control Module connector and the accessory relay (push button start), and between the accessory relay (push button start) and chassis ground.
Connector & terminal 
(B574) No. 4 - (B426) No. 1: 
(B426) No. 2 - Chassis ground: 
Is the resistance less than 1 Ω? Go to step . Repair or replace the open circuit of harness.
8 CHECK Keyless Access Control Module. 
  1. Connect the Keyless Access Control Module connector.
  2. Using a tester, measure the voltage between the Keyless Access Control Module connector and chassis ground.

Connector & terminal 
(B574) No. 4 (+) - Chassis ground (-): 
Is the voltage 1 V or less → 9.5 - 16 V when OFF → ACC ON? Even if DTC is displayed, the circuit has returned to a normal condition at this time. Reproduce the failure, and then perform the diagnosis again.
NOTE: In this case, temporary poor contact of connector, temporary open or short circuit of harness may be the cause.
Replace the Keyless Access Control Module. <Ref. to Keyless Access Control Module .>