LEMON Manuals: Even more car manuals for everyone
Home >> Subaru >> 2017 >> WRX Base >> Repair and Diagnosis (Single Page) >> Engine Performance >> Testing & Diagnosis >> Engine Control System (Diagnostics - Introduction) (2.0L) >> Diagnostics for Engine Starting Failure >> Check Power Supply And Ground Line Of Engine Control Module (ECM)

Check Power Supply And Ground Line Of Engine Control Module (ECM)

CAUTION:
  • After servicing or replacing faulty parts, perform Clear Memory Mode <Ref. to OPERATION , Clear Memory Mode.>, and Inspection Mode <Ref. to PROCEDURE , Inspection Mode.>.
  • Use the check board when measuring the ECM terminal voltage and resistance.

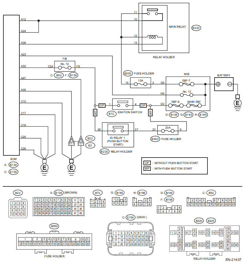
WIRING DIAGRAM: 

Engine Electrical System <Ref. to WIRING DIAGRAM , Engine Electrical System.>

Fig 1: Clutch Start Switch Circuit Diagram
G11577039Courtesy of SUBARU OF AMERICA, INC.
Step Check Yes No
1 CHECK MAIN RELAY. 
  1. Turn the ignition switch to OFF.
  2. Remove the main relay.
  3. Connect the battery to main relay terminals No. 12 and No. 13.
  4. Measure the resistance between main relay terminals.

    Terminals 

    No. 10 - No. 11: 

Is the resistance less than 1 Ω? Go to step . Replace the main relay. <Ref. to Main Relay .>
2 CHECK GROUND CIRCUIT FOR ECM. 
  1. Disconnect the connector from ECM.
  2. Measure the resistance of harness between ECM connector and chassis ground.

    Connector & terminal 

    (B134) No. 35 - Chassis ground: 

    (B134) No. 47 - Chassis ground: 

    (E159) No. 10 - Chassis ground: 

    (E159) No. 17 - Chassis ground: 

    (E159) No. 18 - Chassis ground: 

    (E159) No. 25 - Chassis ground: 

    (E159) No. 26 - Chassis ground: 

Is the resistance less than 5 Ω? Go to step . Repair the harness and connector.
NOTE: In this case, repair the following item:
  • Open circuit of harness between ECM connector and engine ground terminal
  • Poor contact of coupling connector
3 CHECK INPUT VOLTAGE OF ECM. 
  1. Turn the ignition switch to ON.
  2. Measure the voltage between ECM connector and chassis ground.

    Connector & terminal 

    (B134) No. 23 (+) - Chassis ground (-): 

    (B134) No. 32 (+) - Chassis ground (-): 

Is the voltage 10 V or more? Go to step . Repair the open or ground short in the harness of power supply circuit.
4 CHECK INPUT VOLTAGE OF MAIN RELAY. 
Measure the voltage between main relay connector and chassis ground.
Connector & terminal 
(B220) No. 11 (+) - Chassis ground (-): 
(B220) No. 12 (+) - Chassis ground (-): 
Is the voltage 10 V or more? Go to step . Repair the open or ground short in the harness of power supply circuit.
5 CHECK INPUT VOLTAGE OF ECM. 
  1. Turn the ignition switch to OFF.
  2. Install the main relay.
  3. Turn the ignition switch to ON.
  4. Measure the voltage between ECM connector and chassis ground.

    Connector & terminal 

    (B134) No. 38 (+) - Chassis ground (-): 

Is the voltage 10 V or more? Go to step . Repair the open circuit of harness between ECM connector and main relay connector.
6 CHECK INPUT VOLTAGE OF ECM. 
  1. Turn the ignition switch to OFF.
  2. Connect the connector to ECM.
  3. Turn the ignition switch to ON.
  4. Measure the voltage between ECM connector and chassis ground.

    Connector & terminal 

    (B134) No. 12 (+) - Chassis ground (-): 

    (B134) No. 24 (+) - Chassis ground (-): 

Is the voltage 10 V or more? Check ignition control system. <Ref. to IGNITION CONTROL SYSTEM , Diagnostics for Engine Starting Failure.> Repair the harness and connector.
NOTE: In this case, repair the following item:
  • Open circuit in harness between ECM connector and main relay connector
  • Poor contact of main relay connector
  • Poor contact of ECM connector