LEMON Manuals: Even more car manuals for everyone
Home >> Subaru >> 2017 >> WRX Base >> Repair and Diagnosis (Single Page) >> Engine Performance >> System >> Engine Control System (Diagnostics) (P2101 To U1712) (2.0L) >> Diagnostic Procedure with Diagnostic Trouble Code (DTC) >> DTC P2401 EVAP System Leak Detection Pump Control Circuit Low >> Notes

DTC P2401 EVAP System Leak Detection Pump Control Circuit Low: Notes

DTC DETECTING CONDITION: 

Immediately at fault recognition

CAUTION:
  • After servicing or replacing faulty parts, perform Clear Memory Mode <Ref. to OPERATION , Clear Memory Mode.>, and Inspection Mode <Ref. to PROCEDURE , Inspection Mode.>.
  • Use the check board when measuring the ECM terminal voltage and resistance.

WIRING DIAGRAM: 

Engine Electrical System <Ref. to WIRING DIAGRAM , Engine Electrical System.>

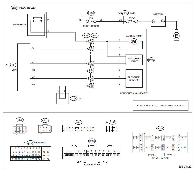
Fig 1: EVAP System Leak Detection Pump Control - Wiring Diagram (Low)
G11577180Courtesy of SUBARU OF AMERICA, INC.
Step Check Yes No
1 CHECK HARNESS BETWEEN ECM AND LEAK CHECK VALVE ASSEMBLY CONNECTOR. 
  1. Turn the ignition switch to ON.
  2. Measure the voltage between ECM connector and chassis ground.

Connector & terminal 
(B134) No. 3 (+) - Chassis ground (-): 
Is the voltage 10 V or more? Go to step . Go to step .
2 CHECK FOR POOR CONTACT. 
Check for poor contact of ECM connector.
Is there poor contact of ECM connector? Repair the poor contact of ECM connector. Even if DTC is detected, the circuit has returned to a normal condition at this time. Reproduce the failure, and then perform the diagnosis again.
NOTE: In this case, temporary open or short circuit of harness or temporary poor contact of connector may be the cause.
3 CHECK POWER SUPPLY TO LEAK CHECK VALVE ASSEMBLY. 
Measure the voltage between the leak check valve assembly connector and engine ground.
Connector & terminal 
(R400) No. 3 (+) - Engine ground (-): 
Is the voltage 10 V or more? Go to step . Repair the power supply circuit.
4 CHECK HARNESS BETWEEN ECM AND LEAK CHECK VALVE ASSEMBLY CONNECTOR. 
  1. Turn the ignition switch to OFF.
  2. Disconnect the connector from ECM.
  3. Disconnect the connector from the leak check valve assembly.
  4. Measure the resistance between leak check valve assembly and chassis ground.

Connector & terminal 
(R400) No. 4 - Chassis ground: 
Is the resistance 1 MΩ or more? Go to step . Repair the short circuit to ground in harness between ECM connector and leak check valve assembly connector.
5 CHECK HARNESS BETWEEN ECM AND LEAK CHECK VALVE ASSEMBLY CONNECTOR. 
Measure the resistance of harness between ECM connector and the leak check valve assembly connector.
Connector & terminal 
(B134) No. 3 - (R400) No. 4: 
Is the resistance less than 1 Ω? Go to step . Repair the harness and connector.
NOTE: In this case, repair the following item:
  • Open circuit in harness between ECM connector and the leak check valve assembly connector
  • Poor contact of coupling connector
6 CHECK LEAK CHECK VALVE ASSEMBLY. 
Check the vacuum pump of the leak check valve assembly. <Ref. to CHECK VACUUM PUMP , INSPECTION, Leak Check Valve Assembly.>
Is the vacuum pump of the leak check valve assembly OK? Repair the poor contact in the leak check valve assembly connector. Replace the leak check valve assembly. <Ref. to Leak Check Valve Assembly .>