LEMON Manuals: Even more car manuals for everyone
Home >> Subaru >> 2017 >> WRX Base >> Repair and Diagnosis (Single Page) >> Engine Performance >> System >> Engine Control System (Diagnostics) (P0171 To P0685) (2.0L) >> Diagnostic Procedure with Diagnostic Trouble Code (DTC) >> DTC P050A Cold Start Idle Control System Performance >> Notes

DTC P050A Cold Start Idle Control System Performance: Notes

DTC DETECTING CONDITION: 

Detected when two consecutive driving cycles with fault occur.

TROUBLE SYMPTOM: 

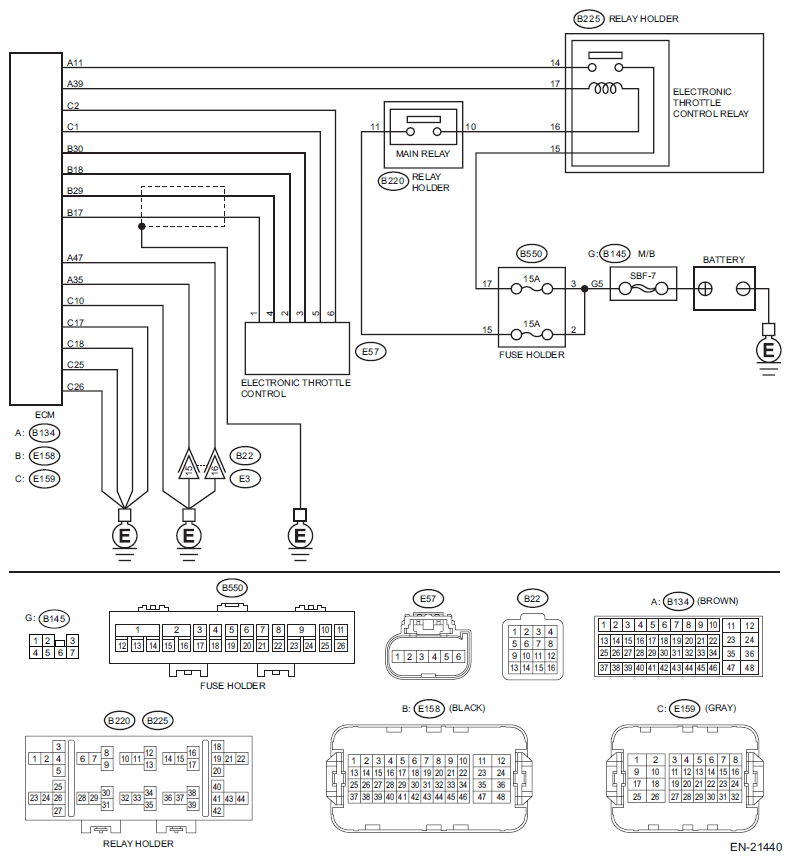
WIRING DIAGRAM: 

Engine Electrical System <Ref. to WIRING DIAGRAM , Engine Electrical System.>

Fig 1: System Too Rich Bank 1 Wiring Diagram
G11577041Courtesy of SUBARU OF AMERICA, INC.
Fig 2: Throttle/Pedal Position Sensor/Switch B Circuit Low Wiring Diagram
G11577080Courtesy of SUBARU OF AMERICA, INC.
Step Check Yes No
1 CHECK FOR ANY OTHER DTC ON DISPLAY.  Is any other DTC displayed? Check the appropriate DTC using the "List of Diagnostic Trouble Code (DTC)". <Ref. to List of Diagnostic Trouble Code (DTC) .> Go to step .
2 CHECK ENGINE OIL.  Is there a proper amount of engine oil? Go to step . Replace engine oil. <Ref. to REPLACEMENT , Engine Oil.>
3 CHECK EXHAUST SYSTEM.  Are there holes or loose bolts on exhaust system? Repair the exhaust system. Go to step .
4 CHECK AIR INTAKE SYSTEM.  Are there holes, loose bolts or disconnection of hose on air intake system? Repair the air intake system. Go to step .
5 CHECK FUEL PRESSURE. 
WARNING: Place "NO OPEN FLAMES" signs near the working area.
CAUTION: Be careful not to spill fuel.

Measure the fuel pressure. <Ref. to INSPECTION , Fuel Pressure.>
CAUTION: Release fuel pressure before removing the fuel pressure gauge.
Is the measured value 328 - 358 kPa (3.3 - 3.7 kgf/cm2 , 48 - 52 psi)? Go to step . Check the fuel pump and fuel delivery line. <Ref. to INSPECTION , Fuel Pump.> <Ref. to INSPECTION , Fuel Delivery and Evaporation Lines.>
6 CHECK ENGINE COOLANT TEMPERATURE SENSOR. 
  1. Start the engine and warm up completely.
  2. Read the value of «Coolant Temp.» using the Subaru Select Monitor or a general scan tool.
NOTE:
  • Subaru Select Monitor

    For detailed operation procedures, refer to "Read Current Data For Engine". <Ref. to Subaru Select Monitor .>

  • General scan tool

    For detailed operation procedures, refer to the general scan tool operation manual.

Is the value of «Coolant Temp.» 75°C (167°F) or more? Go to step . Replace the engine coolant temperature sensor. <Ref. to Engine Coolant Temperature Sensor .>
7 CHECK MASS AIR FLOW AND INTAKE AIR TEMPERATURE SENSOR. 
  1. Start the engine and warm up engine until coolant temperature is higher than 75°C (167°F).
  2. For CVT models, set the select lever to "P" range or "N" range, and for MT models, place the shift lever in the neutral position.
  3. Turn the A/C switch to OFF.
  4. Turn all the accessory switches to OFF.
  5. Read the value of «Mass Air Flow» using the Subaru Select Monitor or a general scan tool.
NOTE:
  • Subaru Select Monitor

    For detailed operation procedures, refer to "Read Current Data For Engine". <Ref. to Subaru Select Monitor .>

  • General scan tool

    For detailed operation procedures, refer to the general scan tool operation manual.

Is the value of «Mass Air Flow» 2.0 - 5.0 g/s (0.26 - 0.66 lb/m)? Go to step . Replace the mass air flow and intake air temperature sensor. <Ref. to Mass Air Flow and Intake Air Temperature Sensor .>
8 CHECK MASS AIR FLOW AND INTAKE AIR TEMPERATURE SENSOR. 
  1. Start the engine and warm up engine until coolant temperature is higher than 75°C (167°F).
  2. For CVT models, set the select lever to "P" range or "N" range, and for MT models, place the shift lever in the neutral position.
  3. Turn the A/C switch to OFF.
  4. Turn all the accessory switches to OFF.
  5. Open the front hood.
  6. Measure the ambient temperature.
  7. Read the value of «IAT Sensor #11» using the Subaru Select Monitor or a general scan tool.
NOTE:
  • Subaru Select Monitor

    For detailed operation procedures, refer to "Read Current Data For Engine". <Ref. to Subaru Select Monitor .>

  • General scan tool

    For detailed operation procedures, refer to the general scan tool operation manual.

Subtract ambient temperature value from the value of «IAT Sensor #11». Is the obtained value -10 - 50°C (-18 - 90°F)? Go to step . Check the mass air flow and intake air temperature sensor. <Ref. to Mass Air Flow and Intake Air Temperature Sensor .>
9 CHECK HARNESS BETWEEN ECM AND FUEL INJECTOR CONNECTOR. 
  1. Turn the ignition switch to OFF.
  2. Disconnect the connector from fuel injector on faulty cylinders.
  3. Measure the resistance between fuel injector connector and engine ground on faulty cylinders.

Connector & terminal 
#1 (E5) No. 1 - Engine ground: 
#1 (E5) No. 2 - Engine ground: 
#2 (E16) No. 1 - Engine ground: 
#2 (E16) No. 2 - Engine ground: 
#3 (E6) No. 1 - Engine ground: 
#3 (E6) No. 2 - Engine ground: 
#4 (E17) No. 1 - Engine ground: 
#4 (E17) No. 2 - Engine ground: 
Is the resistance 1 MΩ or more? Go to step 10  . Repair the short circuit to ground in harness between ECM connector and fuel injector connector.
10 CHECK HARNESS BETWEEN ECM AND FUEL INJECTOR CONNECTOR. 
Measure the resistance of harness between ECM and fuel injector connector on faulty cylinders.
Connector & terminal 
#1 (E158) No. 12 - (E5) No. 1: 
#1 (E158) No. 11 - (E5) No. 2: 
#2 (E158) No. 24 - (E16) No. 1: 
#2 (E158) No. 23 - (E16) No. 2: 
#3 (E158) No. 36 - (E6) No. 1: 
#3 (E158) No. 35 - (E6) No. 2: 
#4 (E158) No. 48 - (E17) No. 1: 
#4 (E158) No. 47 - (E17) No. 2: 
Is the resistance less than 1 Ω? Go to step 11  . Repair the open circuit of the harness between the ECM connector and fuel injector connector.
11 CHECK FUEL INJECTOR. 
Check the fuel injector on faulty cylinder. <Ref. to INSPECTION , Fuel Injector.>
Is the check result OK? Go to step 12  . Replace the faulty fuel injector. <Ref. to FUEL INJECTOR .>
12 CHECK INSTALLATION CONDITION OF CAMSHAFT POSITION SENSOR/CRANKSHAFT POSITION SENSOR.  Is the camshaft position sensor or crankshaft position sensor loosely installed? Tighten the camshaft position sensor or crankshaft position sensor. <Ref. to INSTALLATION , Camshaft Position Sensor.> <Ref. to INSTALLATION , Crankshaft Position Sensor.> Go to step 13  .
13 CHECK CRANKSHAFT POSITION SENSOR PLATE.  Is the crankshaft position sensor plate rusted or does it have broken teeth? Replace the crankshaft position sensor plate. <Ref. to Cylinder Block .> Go to step 14  .
14 CHECK INSTALLATION CONDITION OF TIMING CHAIN. 
Turn the crankshaft using ST, and align the alignment mark on crank sprocket with alignment mark on cylinder block.
ST 18252AA000 CRANKSHAFT SOCKET
Is the timing chain dislocated from its proper position? Correct the installation condition of timing chain. <Ref. to TIMING CHAIN ASSEMBLY .> Go to step 15  .
15 CHECK ELECTRONIC THROTTLE CONTROL RELAY. 
  1. Turn the ignition switch to OFF.
  2. Remove the electronic throttle control relay.
  3. Connect the battery to terminals No. 16 and No. 17 of electronic throttle control relay.
  4. Measure the resistance between electronic throttle control relay terminals.

Terminals 
No. 14 - No. 15: 
Is the resistance less than 1 Ω? Go to step 16  . Replace the electronic throttle control relay. <Ref. to Electronic Throttle Control Relay .>
16 CHECK POWER SUPPLY OF ELECTRONIC THROTTLE CONTROL RELAY. 
Measure the voltage between electronic throttle control relay connector and chassis ground.
Connector & terminal 
(B225) No. 15 (+) - Chassis ground (-): 
Is the voltage 10 V or more? Go to step 17  . Repair the open or short to ground in the power supply circuit.
17 CHECK HARNESS BETWEEN ECM AND ELECTRONIC THROTTLE CONTROL RELAY CONNECTOR. 
  1. Disconnect the connector from ECM.
  2. Turn the ignition switch to ON.
  3. Measure the voltage between electronic throttle control relay connector and chassis ground.

Connector & terminal 
(B225) No. 17 (+) - Chassis ground (-): 
Is the voltage 10 V or more? Repair the short circuit to power in the harness between ECM connector and electronic throttle control relay connector. Go to step 18  .
18 CHECK HARNESS BETWEEN ECM AND ELECTRONIC THROTTLE CONTROL RELAY CONNECTOR. 
  1. Turn the ignition switch to OFF.
  2. Measure the resistance between electronic throttle control relay connector and chassis ground.

Connector & terminal 
(B225) No. 14 - Chassis ground: 
(B225) No. 17 - Chassis ground: 
Is the resistance 1 MΩ or more? Go to step 19  . Repair the short circuit to ground in harness between ECM connector and electronic throttle control relay connector.
19 CHECK HARNESS BETWEEN ECM AND ELECTRONIC THROTTLE CONTROL RELAY CONNECTOR. 
Measure the resistance between ECM connector and electronic throttle control relay connector.
Connector & terminal 
(B134) No. 39 - (B225) No. 17: 
(B134) No. 11 - (B225) No. 14: 
Is the resistance less than 1 Ω? Go to step 20  . Repair the open circuit in harness between ECM connector and electronic throttle control relay connector.
20 CHECK HARNESS BETWEEN ECM AND ELECTRONIC THROTTLE CONTROL CONNECTOR. 
  1. Turn the ignition switch to OFF.
  2. Disconnect the connectors from electronic throttle control.
  3. Measure the resistance between the ECM connector and engine ground.

Connector & terminal 
(E158) No. 18 - Engine ground: 
(E158) No. 17 - Engine ground: 
(E158) No. 29 - Engine ground: 
Is the resistance 1 MΩ or more? Go to step 21  . Repair the ground short circuit of harness between ECM connector and electronic throttle control connector.
21 CHECK SHORT CIRCUIT INSIDE THE ECM. 
  1. Connect the connector to ECM.
  2. Measure the resistance between electronic throttle control connector and engine ground.

Connector & terminal 
(E57) No. 1 - Engine ground: 
(E57) No. 4 - Engine ground: 
Is the resistance 1 MΩ or more? Go to step 22  . Repair the ground short circuit of harness between ECM connector and electronic throttle control connector. Replace the ECM if defective. <Ref. to Engine Control Module (ECM) .>
22 CHECK HARNESS BETWEEN ECM AND ELECTRONIC THROTTLE CONTROL CONNECTOR. 
  1. Disconnect the connector from ECM.
  2. Measure the resistance of harness between ECM connector and electronic throttle control connector.

Connector & terminal 
(E158) No. 17 - (E57) No. 1: 
(E158) No. 30 - (E57) No. 3: 
(E158) No. 29 - (E57) No. 4: 
Is the resistance less than 1 Ω? Go to step 23  . Repair the open circuit of harness between ECM connector and electronic throttle control connector.
23 CHECK HARNESS BETWEEN ECM AND ELECTRONIC THROTTLE CONTROL CONNECTOR. 
  1. Connect the connector to ECM.
  2. Measure the resistance between electronic throttle control connector and engine ground.

Connector & terminal 
(E57) No. 3 - Engine ground: 
Is the resistance less than 5 Ω? Go to step 24  . Repair the harness and connector.
NOTE: In this case, repair the following item:
  • Open circuit of harness between ECM connector and engine ground
  • Poor contact of ECM connector
  • Poor contact of coupling connector
24 CHECK HARNESS BETWEEN ECM AND ELECTRONIC THROTTLE CONTROL CONNECTOR. 
  1. Turn the ignition switch to ON.
  2. Measure the voltage between electronic throttle control connector and engine ground.

Connector & terminal 
(E57) No. 1 (+) - Engine ground (-): 
(E57) No. 4 (+) - Engine ground (-): 
Is the voltage 5 V or more? Repair the short circuit to power in the harness between ECM connector and electronic throttle control connector. Go to step 25  .
25 CHECK HARNESS BETWEEN ECM AND ELECTRONIC THROTTLE CONTROL CONNECTOR. 
  1. Turn the ignition switch to OFF.
  2. Disconnect the connector from ECM.
  3. Measure the resistance between ECM connectors.

Connector & terminal 
(E158) No. 18 - (E158) No. 17: 
(E158) No. 18 - (E158) No. 29: 
Is the resistance 1 MΩ or more? Go to step 26  . Repair the short circuit to power in the harness between ECM connector and electronic throttle control connector.
26 CHECK SENSOR OUTPUT. 
  1. Connect all connectors.
  2. Turn the ignition switch to ON.
  3. Read the value of «Main-Throttle Sensor» using Subaru Select Monitor.
NOTE: For detailed operation procedures, refer to "Current Data Display For Engine". <Ref. to Subaru Select Monitor .>
Is the value of «Main-Throttle Sensor» 0.60 - 0.65 V? Go to step 27  . Repair the poor contact of electronic throttle control connector. Replace the electronic throttle control if defective. <Ref. to Throttle Body .>
27 CHECK SENSOR OUTPUT. 
Read the value of «Sub-Throttle Sensor» using Subaru Select Monitor.
NOTE: For detailed operation procedures, refer to "Current Data Display For Engine". <Ref. to Subaru Select Monitor .>
Is the value of «Sub-Throttle Sensor» 0.60 - 0.65 V? Go to step 28  . Repair the poor contact of electronic throttle control connector. Replace the electronic throttle control if defective. <Ref. to Throttle Body .>
28 CHECK HARNESS BETWEEN ECM AND ELECTRONIC THROTTLE CONTROL MOTOR. 
  1. Turn the ignition switch to OFF.
  2. Disconnect the connector from ECM.
  3. Disconnect the connectors from electronic throttle control.
  4. Measure the resistance between ECM connector and electronic throttle control connector.

Connector & terminal 
(E159) No. 1 - (E57) No. 5: 
(E159) No. 2 - (E57) No. 6: 
Is the resistance less than 1 Ω? Go to step 29  . Repair the open circuit of harness between ECM connector and electronic throttle control.
29 CHECK HARNESS BETWEEN ECM AND ELECTRONIC THROTTLE CONTROL MOTOR. 
  1. Connect the connector to ECM.
  2. Turn the ignition switch to ON.
  3. Measure the voltage between electronic throttle control connector and engine ground.

Connector & terminal 
(E57) No. 5 (+) - Engine ground (-): 
(E57) No. 6 (+) - Engine ground (-): 
Is the voltage 5 V or more? Repair the short circuit to power in the harness between ECM connector and electronic throttle control connector. Go to step 30  .
30 CHECK HARNESS BETWEEN ECM AND ELECTRONIC THROTTLE CONTROL MOTOR. 
  1. Turn the ignition switch to OFF.
  2. Disconnect the connector from ECM.
  3. Measure the resistance between electronic throttle control connector and engine ground.

Connector & terminal 
(E57) No. 5 - Engine ground: 
(E57) No. 6 - Engine ground: 
Is the resistance 1 MΩ or more? Go to step 31  . Repair the ground short circuit of harness between ECM connector and electronic throttle control connector.
31 CHECK ELECTRONIC THROTTLE CONTROL MOTOR HARNESS. 
Measure the resistance between electronic throttle control connectors.
Connector & terminal 
(E57) No. 5 - (E57) No. 6: 
Is the resistance 1 MΩ or more? Go to step 32  . Repair the short circuit in harness between ECM connector and electronic throttle control connector.
32 CHECK ELECTRONIC THROTTLE CONTROL GROUND CIRCUIT. 
Measure the resistance between the ECM connector and engine ground.
Connector & terminal 
(B134) No. 35 - Engine ground: 
(B134) No. 47 - Engine ground: 
(E159) No. 10 - Engine ground: 
(E159) No. 17 - Engine ground: 
(E159) No. 18 - Engine ground: 
(E159) No. 25 - Engine ground: 
(E159) No. 26 - Engine ground: 
Is the resistance less than 5 Ω? Go to step 33  . Repair the harness and connector.
NOTE: In this case, repair the following item:
  • Open circuit of harness between ECM connector and engine ground
  • Poor contact of coupling connector
33 CHECK ELECTRONIC THROTTLE CONTROL. 
Measure the resistance between electronic throttle control terminals.
Terminals 
No. 5 - No. 6: 
Is the resistance 50 Ω or less? Go to step 34  . Replace the electronic throttle control. <Ref. to Throttle Body .>
34 CHECK ELECTRONIC THROTTLE CONTROL. 
Move the throttle valve to the fully opened and fully closed positions with fingers.
Check that the valve returns to the specified position when releasing fingers.
Does the valve return to the specified position? Specified value: 3 mm (0.12 in) from fully closed position Repair the poor contact of ECM connector. Replace the electronic throttle control. <Ref. to Throttle Body .>