LEMON Manuals: Even more car manuals for everyone
Home >> Subaru >> 2017 >> WRX Base >> Repair and Diagnosis (Single Page) >> Accessories & Equipment >> Communication Devices >> LAN Communication System (Diagnostics) >> CAN Communication Circuit Check >> Inspection >> RELATED LINES 53 - 61 Ω (AIRBAG Control Module SYSTEM)

RELATED LINES 53 - 61 Ω (AIRBAG Control Module SYSTEM)

WIRING DIAGRAM: 

CAN communication system <Ref. to WIRING DIAGRAM , CAN Communication System.>

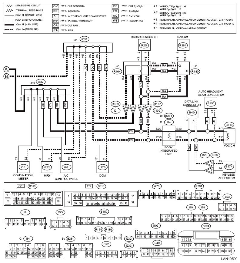
Fig 1: CAN Communication System - Wiring Diagram (1 Of 2)
G11581534Courtesy of SUBARU OF AMERICA, INC.
Fig 2: CAN Communication System - Wiring Diagram (2 Of 2)
G11581535Courtesy of SUBARU OF AMERICA, INC.
CAUTION:
  • When checking the airbag system, refer to the cautions regarding the airbag system prior to the inspection. <Ref. to General Description .>
  • To measure the voltage and resistance of airbag system component, be sure to use the specified test harness. <Ref. to General Description .>
Step Check Yes No
1 CHECK BETWEEN RELATED LINES AND MAIN WIRING HARNESS. 
  1. Disconnect the airbag Control Module connector.
  2. Using the tester, measure the resistance between terminals.

Connector & terminal 
(AB6) No. 13 - (AB6) No. 22: 
Is the resistance 400 Ω or more? Related lines between airbag Control Module and main wiring harness is open, or main wiring harness is open at two places or more. Go to step .
2 CHECK RELATED LINES. 
Using the tester, measure the resistance between terminals.
Connector & terminal 
(AB6) No. 22 - (B40) No. 14: 
(AB6) No. 13 - (B40) No. 6: 
Is the resistance 10 Ω or more? Repair or replace the open circuit portion of airbag Control Module related lines. Check DTC of airbag Control Module. <Ref. to Read Diagnostic Trouble Code (DTC) .>