LEMON Manuals: Even more car manuals for everyone
Home >> Subaru >> 2017 >> WRX Base >> Repair and Diagnosis (Single Page) >> Accessories & Equipment >> Communication Devices >> Body Control System (Diagnostics) >> Diagnostic Procedure with Diagnostic Trouble Code (DTC) >> DTC U1500 Keyless UART Com. Malfunction >> Model With Keyless Access With Push Button Start System

Model With Keyless Access With Push Button Start System

DTC DETECTING CONDITION: 

UART between the TPMS Control Module and the body integrated unit is open or shorted, or has communication failure.

TROUBLE SYMPTOM: 

TPMS does not operate. (With the indicator blinking)

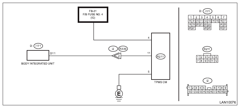
WIRING DIAGRAM: 

Tire Pressure Monitoring System <Ref. to WIRING DIAGRAM , Tire Pressure Monitoring System.>

Fig 1: TPMS Control Module Wiring Diagram
G10299523Courtesy of SUBARU OF AMERICA, INC.
Step Check Yes No
1 CHECK DTC. 
  1. With the access key in the vehicle, press the push button ignition switch twice without depressing the brake to turn the ignition switch to ON.
  2. Read the DTC of body integrated unit using Subaru Select Monitor. <Ref. to READ DIAGNOSTIC TROUBLE CODE (DTC) .>
Is DTC U1500 displayed? (Current malfunction) Go to step . Go to step .
2 CHECK DTC. 
  1. Turn the ignition switch to OFF.
  2. Disconnect the body integrated unit and the TPMS Control Module connector.
  3. Connect the disconnected connectors.
  4. With the access key in the vehicle, press the push button ignition switch twice without depressing the brake to turn the ignition switch to ON.
  5. Read the DTC of body integrated unit using Subaru Select Monitor. <Ref. to READ DIAGNOSTIC TROUBLE CODE (DTC) .>
Is DTC U1500 displayed? (Current malfunction) Go to step . Go to step .
3 CHECK HARNESS (OPEN CIRCUIT). 
  1. Turn the ignition switch to OFF.
  2. Disconnect the body integrated unit and the TPMS Control Module connector.
  3. Using the tester, measure the resistance between terminals.

    Connector & terminal 

    (i171) No. 11 - (R211) No. 11: 

Is the resistance 10 Ω or less? Go to step . Repair the open circuit of harness or replace harness.
4 CHECK POWER SUPPLY CIRCUIT. 
  1. Turn the ignition switch to ON.
  2. Use a tester to measure the voltage between the terminals.

    Connector & terminal 

    (R211) No. 4 (+) - Chassis ground (-): 

Is the voltage 10 V or more? Go to step . Repair the power supply circuit.
5 CHECK HARNESS (OPEN CIRCUIT). 
Using the tester, measure the resistance between terminals.
Connector & terminal 
(R211) No. 5 - Chassis ground: 
Is the resistance 10 Ω or less? Go to step . Repair the ground circuit.
6 CHECK CURRENT DATA. 
  1. Turn the ignition switch to OFF.
  2. Remove the TPMS Control Module.
  3. Install a TPMS Control Module that was operating normally on another vehicle.
  4. Display the current data of TPMS using Subaru Select Monitor.
Is the current data of TPMS displayed? Replace the TPMS Control Module. <Ref. to TPMS CONTROL MODULE , REMOVAL, Tire Pressure Monitoring System.> Replace the body integrated unit. <Ref. to Body Integrated Unit .>
7 CHECK CONNECTOR. 
Check the connector used for keyless communication for poor contact.
Is there poor contact of connector? Repair the connector that has poor contact, or replace harness. It is possible that temporary poor communication occurs. Delete the DTC. <Ref. to CLEAR MEMORY MODE .>