LEMON Manuals: Even more car manuals for everyone
Home >> Subaru >> 2017 >> WRX Base >> Repair and Diagnosis (Single Page) >> Accessories & Equipment >> Anti-Theft Systems >> Security And Locks - Keyless Access (W/ Push Button Start) (Diagnostics) >> Subaru Select Monitor >> Communication For Initializing Impossible

Communication For Initializing Impossible

NOTE: Confirm that the LAN system is working properly before the diagnosis.
Subaru Select Monitor communication line is open or shorted.

DETECTING CONDITION: 

TROUBLE SYMPTOM: 

Not communicable with Subaru Select Monitor.

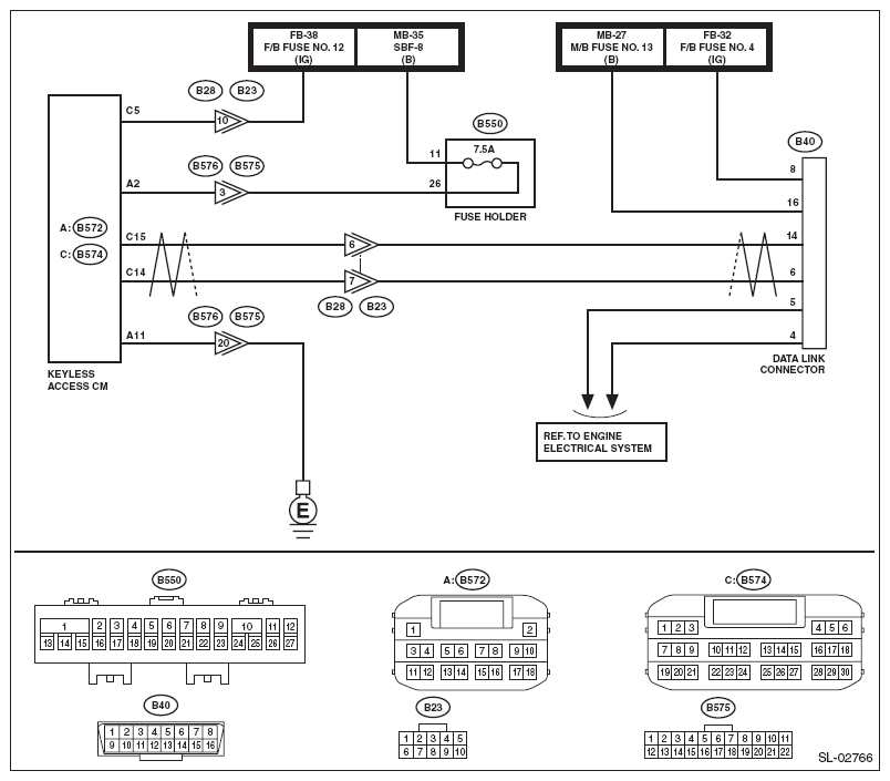
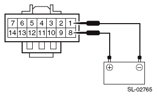
WIRING DIAGRAM: 

Step Check Yes No
1 CHECK OTHER COMMUNICATION. 
Communicate with the system other than the keyless access system using the Subaru Select Monitor.
Is the communication to other control module possible? Go to step . Perform the "Communication for Initializing Impossible" of LAN system. <Ref. to COMMUNICATION FOR INITIALIZING IMPOSSIBLE , Subaru Select Monitor.>
2 CHECK DTC. 
Read the DTC of the LAN system using the Subaru Select Monitor. <Ref. to OPERATION , Read Diagnostic Trouble Code (DTC).>
Is DTC displayed? Perform the diagnosis of the displayed DTCs for LAN system. Go to step .
3 CHECK Keyless Access Control Module. 
  1. Turn the ignition switch to OFF.
  2. Disconnect the Keyless Access Control Module connector.
  3. Connect the disconnected connectors.
  4. Perform communication with the keyless access system using the Subaru Select Monitor.
Is communication possible? It is possible that temporary poor communication occurs. Replace the Keyless Access Control Module. <Ref. to Keyless Access Control Module .>
CAUTION: For replacement procedure of Keyless Access Control Module, refer to the "REGISTRATION MANUAL FOR IMMOBILIZER" provided as a separate volume.