LEMON Manuals: Even more car manuals for everyone
Home >> Subaru >> 2017 >> WRX Base >> Repair and Diagnosis (Single Page) >> Accessories & Equipment >> Anti-Theft Systems >> Security And Locks - Keyless Access (W/ Push Button Start) (Diagnostics) >> Diagnostic Procedure with Diagnostic Trouble Code (DTC) >> DTC B2785 Lin Communication

DTC B2785 Lin Communication

DTC DETECTING CONDITION: 

When the Keyless Access Control Module detected the collation system LIN bus communication error three times in a row.

TROUBLE SYMPTOM: 

The keyless access function may not be operable.

CAUTION: For replacement procedure of Keyless Access Control Module and steering lock CM, refer to the "REGISTRATION MANUAL FOR IMMOBILIZER" provided as a separate volume.

WIRING DIAGRAM: 

Push button start system <Ref. to WIRING DIAGRAM , Push Button Start System.>

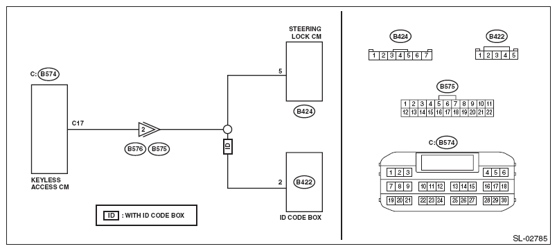
Fig 1: LIN Communication - Wiring Diagram
G10271470Courtesy of SUBARU OF AMERICA, INC.
Step Check Yes No
1 CHECK DTC. 
  1. Using the Subaru Select Monitor, clear the memory. <Ref. to CLEAR MEMORY MODE .>
  2. Read the DTC using Subaru Select Monitor. <Ref. to READ DIAGNOSTIC TROUBLE CODE (DTC) .>
Is DTC B2785 displayed? Go to step . Even if DTC is displayed, the circuit has returned to a normal condition at this time. Reproduce the failure, and then perform the diagnosis again.
NOTE: In this case, temporary poor contact of connector, temporary open or short circuit of harness may be the cause.
2 CHECK HARNESS. 
  1. Disconnect the Keyless Access Control Module connector.
  2. Disconnect the steering lock CM connector.
  3. Disconnect the ID code box connector. (With ID code box)
  4. Using the tester, measure the resistance between terminals.

Connector & terminal 
(B574) No. 17 - (B424) No. 5: 
(B574) No. 17 - (B422) No. 2: (with ID code box) 
Is the resistance less than 1 Ω? Go to step . Repair or replace the open circuit of harness.
3 CHECK HARNESS (GROUND SHORT CIRCUIT). 
Using the tester, measure the resistance between terminals.
Connector & terminal 
(B424) No. 5 - Chassis ground: 
(B574) No. 17 - Chassis ground: 
(B422) No. 2 - Chassis ground: (with ID code box) 
Is the resistance 10 kΩ or more? Go to step . Repair or replace the short circuit of the harness.
4 CHECK HARNESS. 
  1. Connect the Keyless Access Control Module connector only.
  2. Read the DTC using Subaru Select Monitor. <Ref. to READ DIAGNOSTIC TROUBLE CODE (DTC) .>
Is DTC B2785 displayed? Replace the Keyless Access Control Module. <Ref. to Keyless Access Control Module .> Go to step .
5 CHECK ID CODE BOX. 
NOTE: For model without ID code box, go to the next step.
  1. Connect only the ID code box.
  2. Read the DTC using Subaru Select Monitor. <Ref. to READ DIAGNOSTIC TROUBLE CODE (DTC) .>
Is DTC B2785 displayed? Replace the ID code box. <Ref. to ID Code Box .> Go to step .
6 CHECK STEERING LOCK CM. 
  1. Replace the steering lock CM, and then connect it. <Ref. to Steering Lock CM .>
  2. Using the Subaru Select Monitor, clear the memory. <Ref. to CLEAR MEMORY MODE .>
  3. Read the DTC using Subaru Select Monitor. <Ref. to READ DIAGNOSTIC TROUBLE CODE (DTC) .>
Is DTC B2785 displayed? Replace the steering lock CM. <Ref. to Steering Lock CM .> Even if DTC is displayed, the circuit has returned to a normal condition at this time. Reproduce the failure, and then perform the diagnosis again.
NOTE: In this case, temporary poor contact of connector, temporary open or short circuit of harness may be the cause.